Export Control
EAR Export Classification: Not subject to the EAR per 15 C.F.R. Chapter 1, Part 734.3(b)(3), except for the following Service Bulletins which are currently published as EAR Export Classification 9E991: SBE70-0992, SBE72-0483, SBE72-0580, SBE72-0588, SBE72-0640, SBE73-0209, SBE80-0024 and SBE80-0025.Copyright
© IAE International Aero Engines AG (2001, 2014 - 2021) The information contained in this document is the property of © IAE International Aero Engines AG and may not be copied or used for any purpose other than that for which it is supplied without the express written authority of © IAE International Aero Engines AG. (This does not preclude use by engine and aircraft operators for normal instructional, maintenance or overhaul purposes.).Applicability
All
Common Information
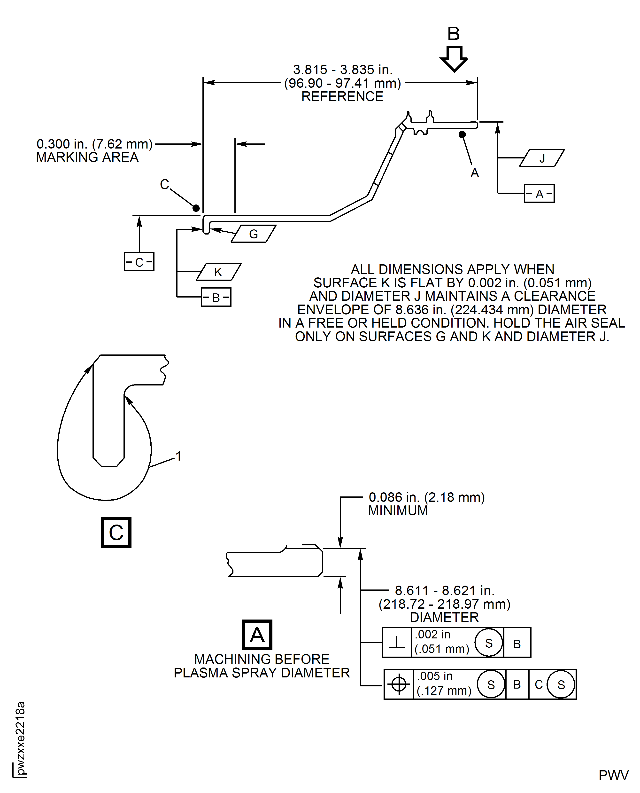
TASK 72-45-13-300-002 HPT Stage 1 Rotating Inner Air Seal - Plasma Spray Repair The Rear Diameter, Repair-002 (VRS3198)
General
The practices and processes referred to in the procedure by TASK number are in SPM.
Price and availability - none.
NOTE
Preliminary Requirements
Pre-Conditions
NONESupport Equipment
NONEConsumables, Materials and Expendables
| Name | Manufacturer | Part Number / Identification | Quantity | Remark |
|---|---|---|---|---|
| CoMat 03-080 METAL SPRAYING POWDER,Co BASE ALLOY | IE426 | CoMat 03-080 |
Spares
NONESafety Requirements
NONEProcedure
Grind per TASK 70-32-07-100-501. Use IAE 53-18.
Refer to SPM TASK 70-32-08-320-501.
Grind the rear diameter. All plasma spray coat must be removed.
SUBTASK 72-45-13-320-051-001 Grind the Stage 1 HPT Air Seal Rear Diameter
NOTE
If VRS3198 is marked adjacent to the part number do this procedure.Refer to SPM TASK 70-32-08-320-501 and Figure and Figure.
Grind the rear diameter to between 8.611 in. and 8.621 in. (218.72 mm and 218.97 mm).
Hold to maximum diameter.
Remove wear by grinding the rear diameter.
SUBTASK 72-45-13-320-051-002 Grind the Stage 1 HPT Air Seal Rear Diameter
NOTE
If VRS3198 is not marked adjacent to the part number do this procedure.Clean per TASK 70-11-03-300-503.
SUBTASK 72-45-13-110-057 Clean the Stage 1 HPT Air Seal
Refer to Figure.
Apply masks and prepare the surface per SPM TASK 70-34-18-380-501, except no shot peen allowed.
No grit blast permitted out of the repair area.
Grit blast the rear diameter.
SUBTASK 72-45-13-120-051 Prepare the Repair Area For Coating
Refer to Figure.
Make sure the masked areas are not loose. Reapply masks if necessary.
Do the plasma spray procedure given in the SPM TASK 70-34-03-340-501.
No overspray permitted.
Coat to a sufficient thickness to allow for finishing.
Plasma spray the rear diameter.
SUBTASK 72-45-13-340-051 Plasma Spray the Rear Diameter
Finish grind per TASK 70-32-07-100-501.
Refer to Figure for the surface finish.
Finish Grind the rear diameter to between 8.633 in. to 8.635 in. (219.28 mm to 219.33 mm).
Grind the rear diameter.
SUBTASK 72-45-13-320-052 Finish Grind the Rear Diameter
Refer to Figure and TASK 70-34-03-340-501.
If the dimensions are acceptable in a free condition, a held condition fixture is not necessary.
Do a dimensional and visual inspection on the plasma spray coated area.
SUBTASK 72-45-13-220-063 Examine the Repair
Make a permanent mark by the procedures given in the SPM TASK 70-09-00-400-501.
Use the vibration peen method, the dot peen, deep method or the electrolytic etch, deep method.
Mark VRS3198 adjacent to the part number.
SUBTASK 72-45-13-350-053 Identify the Repair
NOTE
If VRS3198 is marked adjacent to the part number, it is not necessary to do this procedure.
Figure: Stage 1 HPT Air Seal (PN 2A3109) Plasma Spray Repair Areas
Electrical Contact Permissible Only In This Area. No Burning, Pitting Or Selective Attack Permitted.

Figure: Stage 1 HPT Air Seal (PNs 2A3069, 2A3086, 2A3424 and 2A3923) Plasma Spray Repair Areas
Electrical Contact Permissible Only In This Area. No Burning, Pitting Or Selective Attack Permitted.

Figure: Stage 1 HPT Air Seal Plasma Spray Repair Areas
[1] Grit Blast And Plasma Spray Coating Areas.
![[1] Grit Blast And Plasma Spray Coating Areas.](images/ICN-V2500-A0-72451301-P-77445-19848-A-002-01.png)
