Export Control
EAR Export Classification: Not subject to the EAR per 15 C.F.R. Chapter 1, Part 734.3(b)(3), except for the following Service Bulletins which are currently published as EAR Export Classification 9E991: SBE70-0992, SBE72-0483, SBE72-0580, SBE72-0588, SBE72-0640, SBE73-0209, SBE80-0024 and SBE80-0025.Copyright
© IAE International Aero Engines AG (2001, 2014 - 2021) The information contained in this document is the property of © IAE International Aero Engines AG and may not be copied or used for any purpose other than that for which it is supplied without the express written authority of © IAE International Aero Engines AG. (This does not preclude use by engine and aircraft operators for normal instructional, maintenance or overhaul purposes.).Applicability
All
Common Information
TASK 72-50-25-300-025 LPT Outer Diffuser Support - Plasma Spray The Inner Front Flange, Repair-025 (VRS4402)
General
Price and availability
The practices and processes referred to in the procedure by the TASK number are in the SPM
Before you do the repair, remove clinch nuts, refer to VRS4142, TASK 72-50-25-300-005 (REPAIR-005)
After the repair is complete, replace clinch nuts, refer to VRS4142, TASK 72-50-25-300-005 (REPAIR-005)
NOTE
For more equipment and materials necessary to do this repair, refer to the SPM TASKS given below:
70-09-00-400-501
70-11-34-300-503
70-23-05-230-501
70-34-03-340-501
Equivalent equipment may be used
NOTE
Preliminary Requirements
Pre-Conditions
NONESupport Equipment
| Name | Manufacturer | Part Number / Identification | Quantity | Remark |
|---|---|---|---|---|
| Chemical cleaning facility | LOCAL | Chemical cleaning facility | ||
| Crack inspection equipment | LOCAL | Crack inspection equipment | ||
| Machining facility | LOCAL | Machining facility | ||
| Table inspection facility | LOCAL | Table inspection facility | ||
| Thermal spraying facility | LOCAL | Thermal spraying facility | ||
| Marking equipment | LOCAL | Marking equipment | ||
| IAE 3M14514 Machining fixture | 0AM53 | IAE 3M14514 | 1 | |
| IAE 3M14515 Plasma spray fixture | 0AM53 | IAE 3M14515 | 1 | |
| DELETED | DELETED |
Consumables, Materials and Expendables
| Name | Manufacturer | Part Number / Identification | Quantity | Remark |
|---|---|---|---|---|
| CoMat 02-047 TAPE, HEAT REFLECTIVE | 52152 | CoMat 02-047 | ||
| CoMat 02-050 HIGH TEMPERATURE GLASS CLOTH TAPE | 76381 | CoMat 02-050 | ||
| CoMat 03-096 PLASMA SPRAY POWDER | LOCAL | CoMat 03-096 | ||
| CoMat 05-046 ALUMINUM OXIDE GRIT | 62596 | CoMat 05-046 | ||
| CoMat 05-047 DELETED | 0AM53 | CoMat 05-047 |
Spares
NONESafety Requirements
NONEProcedure
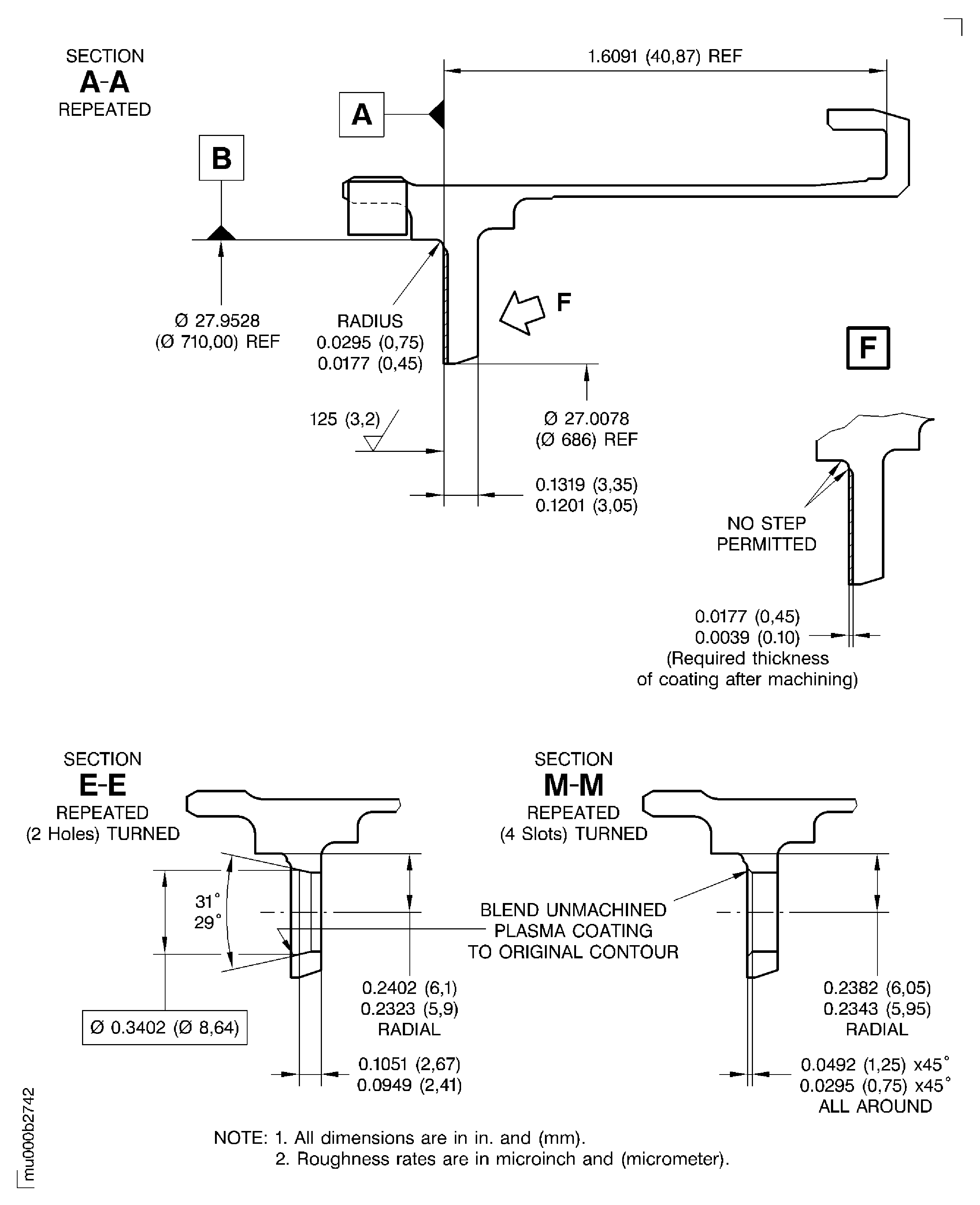
Use IAE 3M14514 Machining fixture 1 off. Refer to Figure and Figure.
Remove old coating and damage fully.
Keep material removal to the minimum to allow subsequent repairs.
Machine the inner front flange to remove damage.
SUBTASK 72-50-25-325-057 Machine the Inner Front Flange
NOTE
If the inner front flange was plasma spray repaired before, remove the old coating fully.Refer to the SPM TASK 70-11-34-300-503.
Aqueous degrease.
SUBTASK 72-50-25-110-074 Clean the Outer Diffuser Support
Use CoMat 05-046 ALUMINUM OXIDE GRIT or CoMat 05-047 DELETED. Surface texture must be 120 to 200 microinch RMS (3.0 to 5.0 micrometer Ra).
Blasting in area A2 and area A4 is permitted.
Refer to the SPM TASK 70-34-03-340-501.
Grit blast the area A1.
SUBTASK 72-50-25-340-060 Prepare Surfaces for the Plasma Spray Procedure
Use IAE 3M14515 Plasma spray fixture 1 off.
Coating in area A2 is permitted if it was blasted before and is not completed.
Coating in area A4 is permitted if it was blasted before and removed afterwards.
Refer to the SPM TASK 70-34-03-340-501.
Plasma spray the area A1.
SUBTASK 72-50-25-340-061 Plasma Spray the Prepared Surfaces
Use IAE 3M14514 Machining fixture 1 off.
Refer to the SPM TASK 70-34-03-340-501.
Refer to Figure for dimensions.
Machine the coated areas.
SUBTASK 72-50-25-325-058 Machine the Coated Areas
Refer to the SPM TASK 70-11-34-300-503.
Aqueous degrease
SUBTASK 72-50-25-110-075 Clean the Outer Diffuser Support
Refer to Figure for dimensions.
Dimensionally examine the machined areas.
Refer to the SPM TASK 70-34-03-340-501 and SPM TASK 70-34-03-340-501-002.
Examine the coating.
SUBTASK 72-50-25-220-129 Do the Post Repair Inspection
Refer to the SPM TASK 70-09-00-400-501.
Vibropeen VRS4402 and applicable beehive symbol adjacent to the part number.
SUBTASK 72-50-25-380-055 Make a Mark to Identify the Repair
Figure: Dimensions for outer diffuser support inner front flange plasma spray repair
Dimensions for outer diffuser support inner front flange plasma spray repair

Figure: Dimensions and areas for outer diffuser support inner front flange plasma spray repair
Dimensions and areas for outer diffuser support inner front flange plasma spray repair

Figure: Dimensions for outer diffuser support inner front flange plasma spray repair
Dimensions for outer diffuser support inner front flange plasma spray repair

