Export Control
EAR Export Classification: Not subject to the EAR per 15 C.F.R. Chapter 1, Part 734.3(b)(3), except for the following Service Bulletins which are currently published as EAR Export Classification 9E991: SBE70-0992, SBE72-0483, SBE72-0580, SBE72-0588, SBE72-0640, SBE73-0209, SBE80-0024 and SBE80-0025.Copyright
© IAE International Aero Engines AG (2001, 2014 - 2021) The information contained in this document is the property of © IAE International Aero Engines AG and may not be copied or used for any purpose other than that for which it is supplied without the express written authority of © IAE International Aero Engines AG. (This does not preclude use by engine and aircraft operators for normal instructional, maintenance or overhaul purposes.).Applicability
All
Common Information
TASK 72-50-33-300-003 LPT Stage 7 Rotating Airseal - Weld Repair The Knife Edge Seals, Repair-003 (VRS4214)
General
Price and availability - none
After completion of the repair, abrasive coating on the seal fins must be restored, refer to VRS4217 TASK 72-50-33-300-006 (REPAIR-006). Rebalancing of the airseal will be carried out after restoration of the abrasive coating, refer to VRS4216 TASK 72-50-33-300-005 (REPAIR-005).
The practices and processes referred to in the procedure by the TASK numbers are in the SPM.
Repair Facilities
The Source Demonstration requirements of this repair means that any facility not authorized to accomplish this repair either, utilize the Authorized Repair Vendors listed below or contact the IAE Repair Services Group to determine if a qualification program can be initiated at their facility.
IAE INTERNATIONAL AERO ENGINES AG
400 Main Street, M/S 121-10
East Hartford, CT 06108
USA
Attn: Manager Repair Services
Authorized Repair Vendors for Repair VRS4214 TASK 72-50-33-300-003 (REPAIR-003) are listed below:
MTU AERO ENGINES GMBH
Dachauer Strasse 665
80995 Muenchen
Germany
MTU MAINTENANCE GMBH
Muenchner Strasse 31
30855 Langenhagen
Germany
The designation by IAE of an authorized repair vendor indicates that the repair vendor has demonstrated the necessary capability to enable him to carry out the listed repair work. However, IAE make no warranties or representations concerning the qualifications or quality standards of the repair vendors to carry out the repair work, and accepts no responsibility whatsoever for any work that may be carried out by a repair vendor, other than when IAE is listed as the repair vendor. Authorized repair vendors do not act as agents or representatives of IAE.
NOTE
Preliminary Requirements
Pre-Conditions
NONESupport Equipment
NONEConsumables, Materials and Expendables
NONESpares
NONESafety Requirements
NONEProcedure
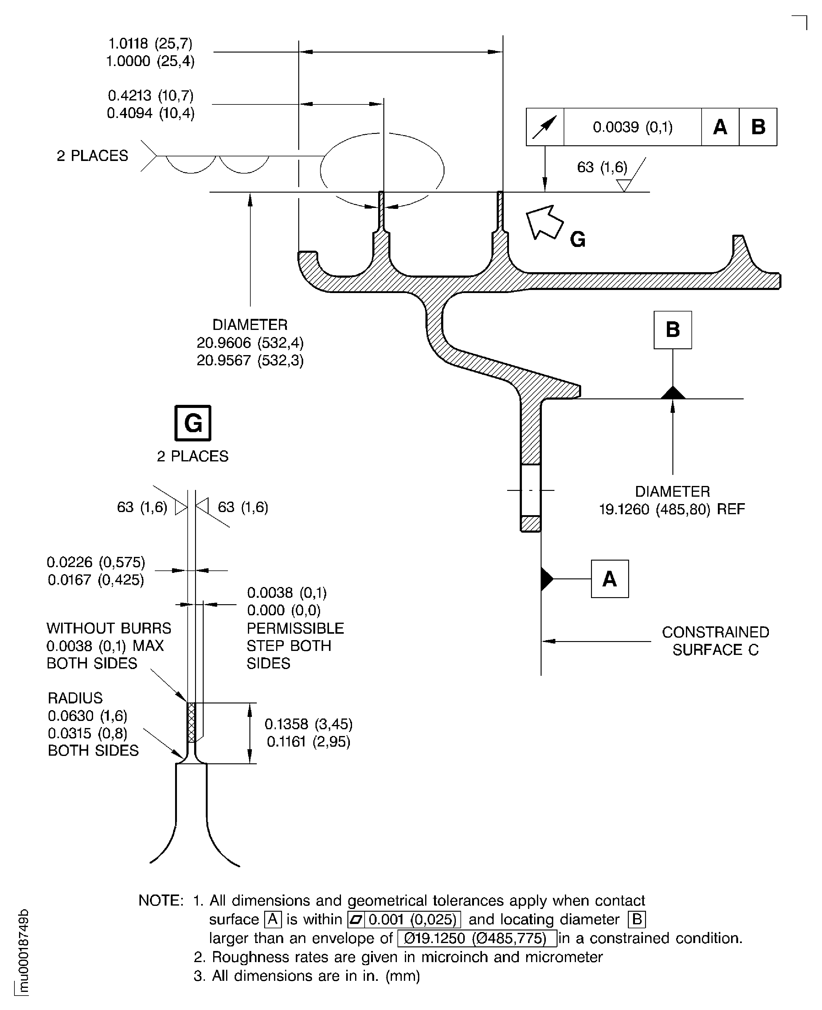
Figure: Dimensions and areas for stage 7 turbine airseal fin weld repair
Sheet 1

Figure: Dimensions and areas for stage 7 turbine airseal fin weld repair
Sheet 2

Figure: Table of heat treatment limits for the stage 7 turbine airseal
Table of heat treatment limits for the stage 7 turbine airseal

