Export Control
EAR Export Classification: Not subject to the EAR per 15 C.F.R. Chapter 1, Part 734.3(b)(3), except for the following Service Bulletins which are currently published as EAR Export Classification 9E991: SBE70-0992, SBE72-0483, SBE72-0580, SBE72-0588, SBE72-0640, SBE73-0209, SBE80-0024 and SBE80-0025.Copyright
© IAE International Aero Engines AG (2001, 2014 - 2021) The information contained in this document is the property of © IAE International Aero Engines AG and may not be copied or used for any purpose other than that for which it is supplied without the express written authority of © IAE International Aero Engines AG. (This does not preclude use by engine and aircraft operators for normal instructional, maintenance or overhaul purposes.).Applicability
All
Common Information
TASK 72-60-43-200-006 Angle Gearbox Driven Bevel Radial Gearshaft Bearings - Examine The Ball Bearing, Inspection-006
General
This TASK gives the procedure for the inspection of the ball bearing.
Fig/item numbers in parentheses in the procedure agree with those used in the IPC.
The policy that is necessary for inspection is given in SPM TASK 70-20-01-200-501.
All the parts must be cleaned before any part is examined. Refer to SPM TASK 70-10-00-100-501.
All parts must be visually examined for damage, corrosion and wear. Any defects that are not identified in the procedure must be referred to IAE.
The practices and processes referred to in the procedure by the TASK numbers are in SPM.
References
Refer to the SPM for data on these items:
Definition of Damage, SPM TASK 70-02-02-350-501,
Record and Control of the Lives of the Parts, SPM TASK 70-05-00-220-501,
Inspection of Parts, SPM TASK 70-20-01-200-501.
Some data on these items is contained in this TASK. For more data on these items refer to SPM:
Surface protection.
Preliminary Requirements
Pre-Conditions
NONESupport Equipment
| Name | Manufacturer | Part Number / Identification | Quantity | Remark |
|---|---|---|---|---|
| Workshop inspection equipment | LOCAL | Workshop inspection equipment | ||
| Bearing Radial Clearance Gage | LOCAL | Bearing Radial Clearance Gage |
Consumables, Materials and Expendables
NONESpares
NONESafety Requirements
NONEProcedure
Refer to the SPM TASK 70-29-01-290-501.
Examine the ball bearing for general damages.
SUBTASK 72-60-43-220-073 Examine the Ball Bearing (01-400)
Refer to Figure.
Accept.
Between 3.5433 in. and 3.5394 in. (90.000 mm and 89.900 mm).
Reject.
Less than 3.5394 in. (89.900 mm).
Diameter.
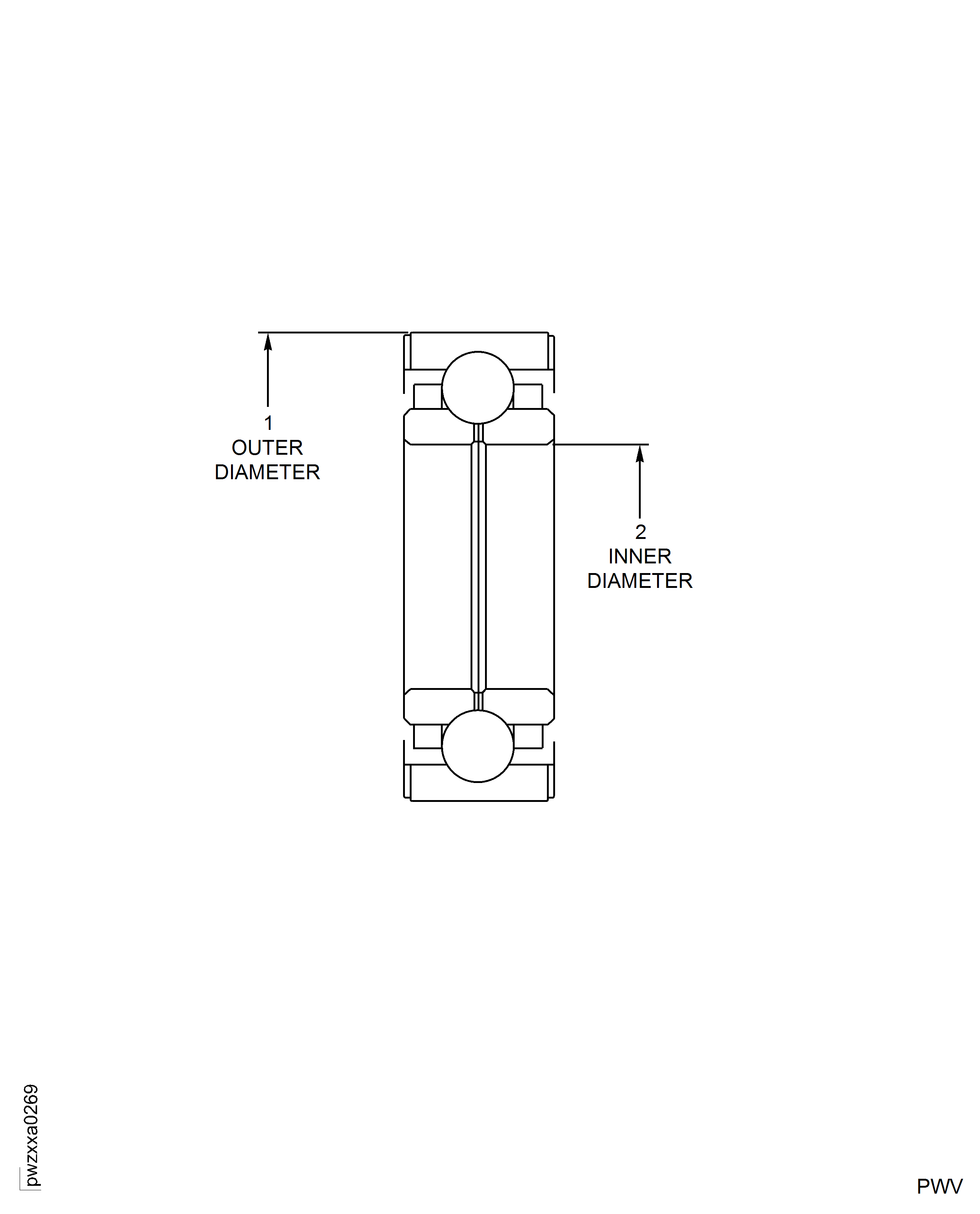
SUBTASK 72-60-43-220-074 Examine the Ball Bearing (01-400) Outer Diameter at Location 1
Refer to Figure.
Accept.
Between 2.3895 in. and 2.3898 in. (60.693 mm and 60.700 mm).
Reject.
More than 2.3898 in. (60.700 mm).
Diameter.
SUBTASK 72-60-43-220-075 Examine the Ball Bearing (01-400) Inner Diameter at Location 2
Refer to Figure.
Accept.
Between 0.0028 in. and 0.0034 in. (0.070 mm and 0.086 mm).
Reject.
More than 0.0034 in. (0.086 mm).
Measure the inner radial clearance, apply a load of 11 lb (5 kg).
SUBTASK 72-60-43-220-076 Examine the Ball Bearing (01-400) Inner Radial Clearance (Pre SBE 72-0414)
Refer to Figure.
Accept.
Between 0.0028 in. and 0.0034 in. (0.070 mm and 0.086 mm).
Reject.
More than 0.0034 in. (0.086 mm).
Measure the inner radial clearance, apply a load of 33 lb (15 kg).
SUBTASK 72-60-43-220-077 Examine the Ball Bearing (01-400) Inner Radial Clearance (SBE 72-0414)
Refer to Figure.
Accept.
Between 0.0081 in. and 0.0112 in. (0.205 mm and 0.285 mm).
Reject.
More than 0.0112 in. (0.285 mm).
Measure the inner axial clearance, apply a load of 22 lb (10 kg).
SUBTASK 72-60-43-220-078 Examine the Ball Bearing (72-60-42, 01-400) Axial Clearance (Pre SBE 72-0414)
Refer to Figure.
Accept.
Between 0.0082 in. and 0.0110 in. (0.209 mm and 0.280 mm).
Reject.
More than 0.0110 in. (0.280 mm).
Measure the inner axial clearance, apply a load of 33 lb (15 kg).
SUBTASK 72-60-43-220-079 Examine the Ball Bearing (01-400) Axial Clearance (SBE 72-0414)
Refer to the SPM TASK 70-53-01-620-501.
Preserve the bearing.
SUBTASK 72-60-43-220-080 Preserve the Ball Bearing (01-400)
Figure: Locations - Ball Bearing
Locations - Ball Bearing

