Export Control
EAR Export Classification: Not subject to the EAR per 15 C.F.R. Chapter 1, Part 734.3(b)(3), except for the following Service Bulletins which are currently published as EAR Export Classification 9E991: SBE70-0992, SBE72-0483, SBE72-0580, SBE72-0588, SBE72-0640, SBE73-0209, SBE80-0024 and SBE80-0025.Copyright
© IAE International Aero Engines AG (2001, 2014 - 2021) The information contained in this document is the property of © IAE International Aero Engines AG and may not be copied or used for any purpose other than that for which it is supplied without the express written authority of © IAE International Aero Engines AG. (This does not preclude use by engine and aircraft operators for normal instructional, maintenance or overhaul purposes.).Applicability
All
Common Information
TASK 75-32-52-300-005 HPC Stage 7 Bleed Outlet Duct And Seal Assembly - Replace The Rivet(s), Retaining Ring(s) And/Or Seal On The RH Upper Assembly, Repair-005 (VRS6360)
Material of Components
PART IDENT | MATERIAL |
Seal retaining ring | Nickel alloy |
Seal carrier | Titanium alloy or nickel alloy |
Flexible seal duct | Dunlop rubber |
Rivet | Corrosion resisting steel |
General
This Repair must only be done when the instruction to do so is given in the Inspection-000 TASK 75-32-52-200-100.
This Repair replaces loose and/or damaged rivet(s), damaged retaining ring(s) and/or a damaged seal duct, in the HP compressor stage 7 RH upper air seal assembly.
When loose and/or damaged rivet(s) are to be replaced, go to Step.
When a damaged seal duct or retaining ring(s) is to be replaced, go to Step.
The practices and processes referred to in the procedure by the TASK/SUBTASK numbers are in the SPM.
TASKs identified by SPM TASK are in the Standard Practices and Processes Manual (SPM).
Related repairs - none
NOTE
Preliminary Requirements
Pre-Conditions
NONESupport Equipment
| Name | Manufacturer | Part Number / Identification | Quantity | Remark |
|---|---|---|---|---|
| Chemical Cleaning Equipment | LOCAL | Chemical Cleaning Equipment | ||
| Penetrant Crack Test Equipment | LOCAL | Penetrant Crack Test Equipment | ||
| Standard Workshop Equipment | LOCAL | Standard Workshop Equipment | ||
| Vertical Drilling Machine | LOCAL | Vertical Drilling Machine | ||
| Vibro-Engraving Equipment | LOCAL | Vibro-Engraving Equipment | ||
| Workshop Inspection Equipment | LOCAL | Workshop Inspection Equipment |
Consumables, Materials and Expendables
| Name | Manufacturer | Part Number / Identification | Quantity | Remark |
|---|---|---|---|---|
| CoMat 06-064 FLUORESCENT PENETRANT (WATER WASHABLE MEDIUM SENSITIVITY) | LOCAL | CoMat 06-064 |
Spares
| Name | Manufacturer | Part Number / Identification | Quantity | Remark |
|---|---|---|---|---|
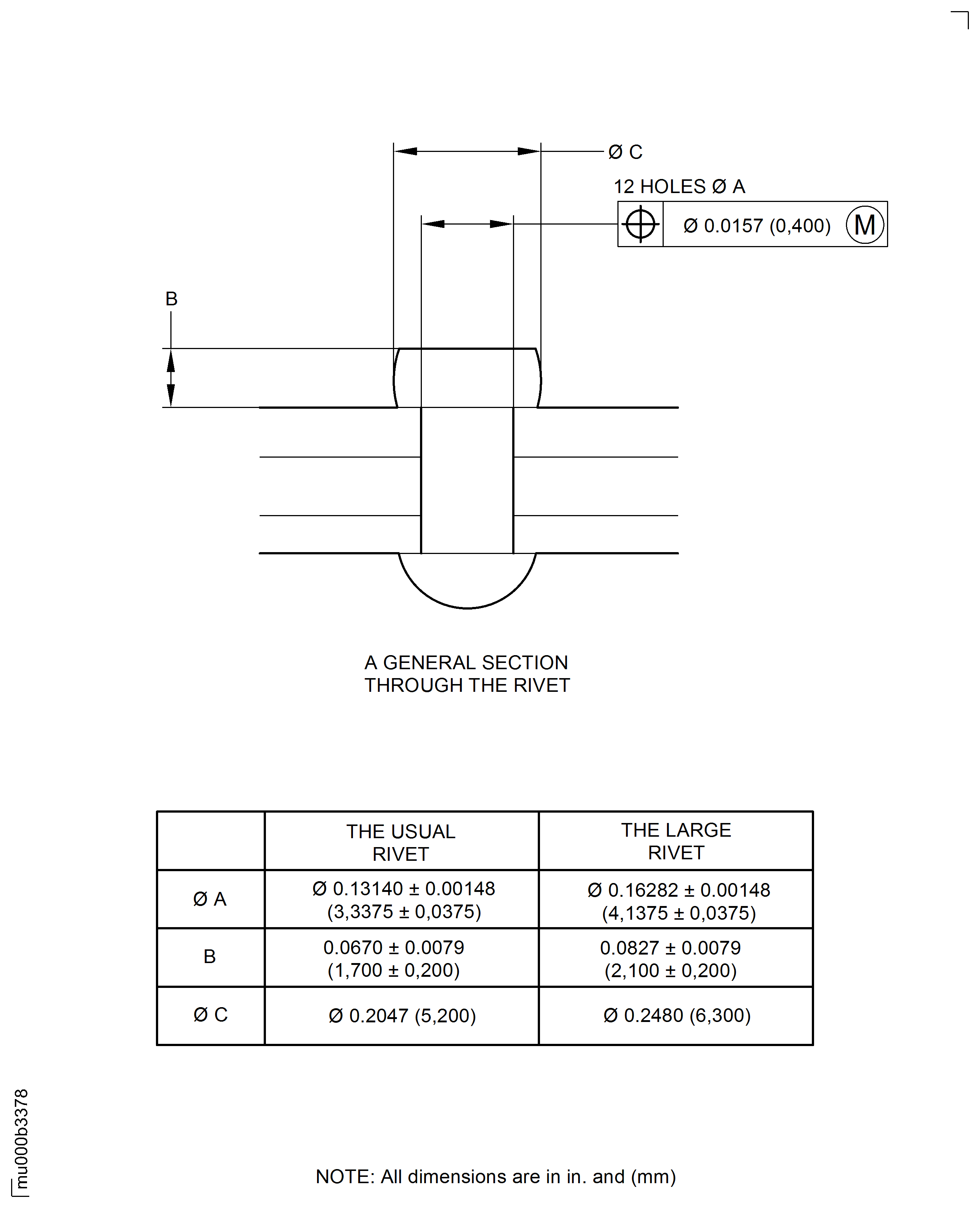
| RIVET - SOLID UNIVERSAL HEAD | U1653 | AS16090 | 12AR | 01-280 |
| RIVET - SOLID UNIVERSAL HD | U1653 | AS16132 | 12AR | 01-282 |
| 1012489 OR ARM944 DUCT - SEAL, (VRS6360) | K1406 | 1012489 or (Supplier PN: ARM944) | 1 | 01-286 |
| RING, RETAINING - SEAL | D3309 | 6M1190 | 2 | 01-285 |
Safety Requirements
NONEProcedure
Refer to Cleaning-000 TASK 75-32-52-100-100.
Chemically clean
SUBTASK 75-32-52-110-054 Clean the Assembly
Refer to SPM TASK 70-23-02-230-501.
Cracks are not permitted.
Do a penetrant crack test.
SUBTASK 75-32-52-230-062 Do a Crack Test
Use a Vertical Drilling Machine.
Use drill diameter that is smaller than the rivet hole diameter.
Remove loose and/or damaged rivet(s).
SUBTASK 75-32-52-323-052 Remove Loose and/or Damaged Rivet(s)
NOTE
The SUBTASKS which follow must only be used to replace loose and/or damaged rivet(s).If diameter of the rivet hole(s) is larger than 0.164 in. (4.175 mm) discard whole silencer assembly.
Mark damaged and oversized rivet holes.
Visually examine and measure the diameter of the exposed rivet hole(s).
SUBTASK 75-32-52-220-065 Examine the Rivet Hole(s)
Use a Vertical Drilling Machine.
Drill damaged rivet hole(s) to suit the larger rivet(s) as necessary.
Remove the sharp edges around the rivet hole(s).
SUBTASK 75-32-52-323-053 Drill the Rivet Hole(s)
Refer to SPM TASK 70-11-26-300-503.
Chemically clean around the rivet hole(s).
SUBTASK 75-32-52-110-055 Chemically Clean
Refer to SPM TASK 70-23-05-230-501.
Cracks are not permitted.
Do a local penetrant crack test around the rivet hole(s).
SUBTASK 75-32-52-230-063 Do a Crack Test
Use AS16090 RIVET - SOLID UNIVERSAL HEAD, 12 max. (75-32-52, 01-280) and/or large AS16132 RIVET - SOLID UNIVERSAL HD, 12 max. (75-32-52, 01-282) for large holes.
Put the rivet(s) in the rivet hole(s) as necessary.
SUBTASK 75-32-52-350-059-C00 Install the Rivet(s)
Refer to SPM TASK 70-39-03-390-501.
Cold squeeze the rivet(s) in place.
SUBTASK 75-32-52-390-053 Safety the Rivet(s) in Place
Refer to SPM TASK 70-11-26-300-503.
Chemically clean the rivet head(s).
SUBTASK 75-32-52-110-056 Chemically Clean
Refer to SPM TASK 70-23-05-230-501.
Do a local penetrant crack test on the new rivet(s).
SUBTASK 75-32-52-230-064 Do a Crack Test
Refer to SPM TASK 70-09-01-400-501.
Put a mark on each part, to make sure that they agree at assembly.
Use a Vertical Drilling Machine.
Remove the rivets to release the seal duct and/or retaining ring(s).
Discard the damaged seal duct.
Discard the damaged retaining ring(s).
SUBTASK 75-32-52-350-067 Remove the Damaged Seal Duct and/or Retaining Ring(s)
NOTE
The SUBTASKS which follow must only be used to replace a damaged seal duct and/or retaining ring(s).Align the marks made in Step.
Use 1012489 or (Supplier PN: ARM944) , 1 off, (75-32-52, 01-286).
Install a new or serviceable seal duct.
Use 6M1190 RING, RETAINING - SEAL, 2 max. (75-32-52, 01-285).
Install a new or serviceable retaining ring(s).
Use usual AS16090 RIVET - SOLID UNIVERSAL HEAD, 12 max. (75-32-52, 01-280) and/or large AS16132 RIVET - SOLID UNIVERSAL HD, 12 max. (75-32-52, 01-282) for large holes.
Install the rivets to safety all sub parts in position.
SUBTASK 75-32-52-350-068-C00 Install a New or Serviceable Seal Duct and Retaining Ring(s)
Refer to SPM TASK 70-39-03-390-501.
Cold squeeze the rivets in place.
SUBTASK 75-32-52-390-054 Safety the New or Serviceable Seal Duct and Retaining Ring(s) in Place
Refer to SPM TASK 70-11-26-300-503.
Chemically clean the rivet head(s).
SUBTASK 75-32-52-110-057 Chemically Clean
Refer to SPM TASK 70-23-05-230-501.
Do a local penetrant crack test on the new rivets.
SUBTASK 75-32-52-230-065 Do a Crack Test
Refer to TASK 75-32-52-200-102-B00.
Visually examine and measure the dimensions of the air seal assembly.
SUBTASK 75-32-52-220-072 Examine the Assembled Air Seal Assembly
Figure: Repair Details and Dimensions
Repair Details and Dimensions

Figure: Repair Details and Dimensions
Repair Details and Dimensions

