DMC:V2500-A1-73-13-42-01A-941A-DIssue No:003.00Issue Date:2020-05-01
Export Control
EAR Export Classification: Not subject to the EAR per 15 C.F.R. Chapter 1, Part 734.3(b)(3), except for the following Service Bulletins which are currently published as EAR Export Classification 9E991: SBE70-0992, SBE72-0483, SBE72-0580, SBE72-0588, SBE72-0640, SBE73-0209, SBE80-0024 and SBE80-0025.Copyright
© IAE International Aero Engines AG (2001, 2014 - 2021) The information contained in this document is the property of © IAE International Aero Engines AG and may not be copied or used for any purpose other than that for which it is supplied without the express written authority of © IAE International Aero Engines AG. (This does not preclude use by engine and aircraft operators for normal instructional, maintenance or overhaul purposes.).Applicability
All
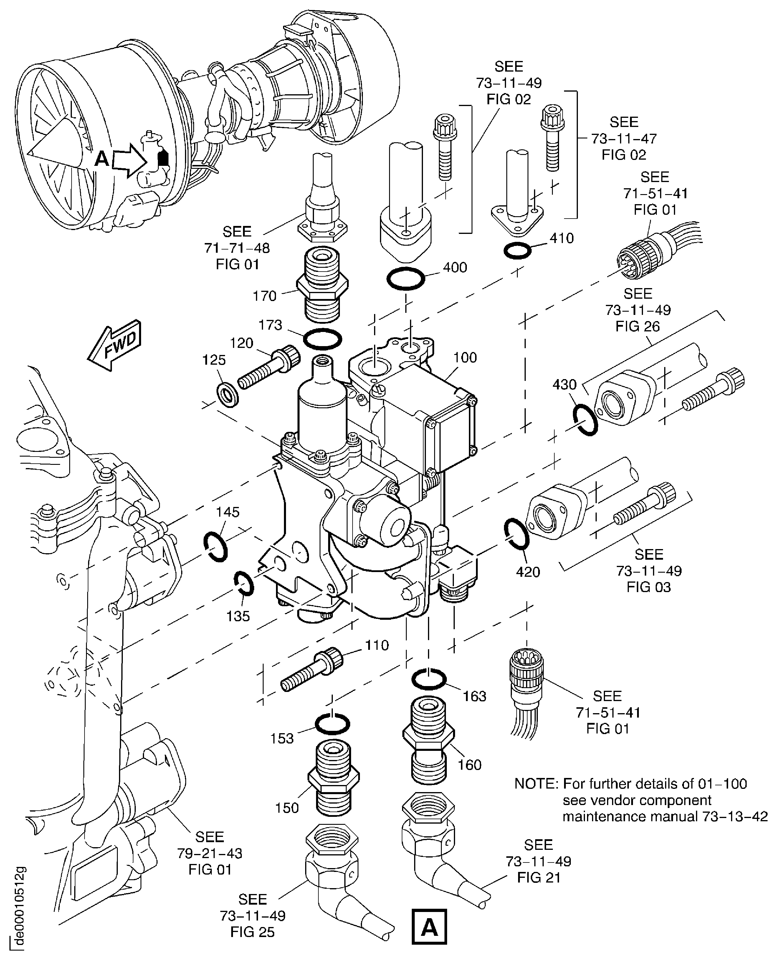
| Fig. Item | Part No. | Description | Effect/Model Applic. | UPA |
|---|---|---|---|---|
| 01 | ||||
| B73134201 | FUEL DIVERTER AND RETURN VALVE, PRE SBE73-0002 | aa | ||
| SBE0002-01 | FUEL DIVERTER AND RETURN VALVE, PRE SBE70-0099 | ab | ||
| SBE0099-01 | FUEL DIVERTER AND RETURN VALVE, PRE SBE70-0118 | ac | ||
| SBE0118-01 | FUEL DIVERTER AND RETURN VALVE, PRE SBE70-0308 | ad | ||
| SBE0308-01 | FUEL DIVERTER AND RETURN VALVE, PRE SBE73-0054 | ae | ||
| SBE0054-01 | FUEL DIVERTER AND RETURN VALVE, PRE SBE73-0062 | af | ||
| SBE0062-01 | FUEL DIVERTER AND RETURN VALVE, PRE SBE73-0081 | ag | ||
| SBE0081-01 | FUEL DIVERTER AND RETURN VALVE, PRE SBE73-0240 | ah | ||
| SBE0240-01 | FUEL DIVERTER AND RETURN VALVE, PRE SBE73-0247 | ai | ||
| SBE0247-01 | FUEL DIVERTER AND RETURN VALVE | aj | ||
| 100 | 13298G10 | • VALVE - FUEL-DIVERT AND RETURN 77381 REF No. 5L0004 PRE SBE70-0118 | aa-ad | 1 |
| 100A | 13298G11 | • VALVE - FUEL DIVERTER REF No. 5L0031 POST SBE70-0118 PRE SBE70-0308 | aa-ad | 1 |
| 100B | 13298G12 | • VALVE - FUEL DIVERTER REF No. 5L0055 POST SBE70-0308 PRE SBE73-0054 | ae | 1 |
| 100C | 13298G13 | • VALVE - FUEL DIVERTER REF No. 5L0060 POST SBE73-0054 PRE SBE73-0062 | af-ah | 1 |
| 100D | 13298G14 | • VALVE - FUEL DIVERTER REF No. 5L0064 POST SBE73-0062 PRE SBE73-0081 | af-ah | 1 |
| 100E | 13298G16 | • VALVE - FUEL-DIVERT AND RETURN 77381 ALT 13298G15 REF No. 5L0075 POST SBE73-0081 PRE SBE73-0240 | ah | 1 |
| 100F | 13298G15 | • VALVE - FUEL-DIVERT AND RETURN 77381 ALT 13298G16 REF No. 5L0073 POST SBE73-0081 | ah | 1 |
| 100G | 13298G18 | • VALVE - FUEL DIVERT AND RETURN 77381 REF No. 5L0075 POST SBE73-0240 PRE SBE73-0247 | ai | 1 |
| 100H | 13298G19 | • VALVE - FUEL DIVERTER & RETUR REF No. 5L0075 POST SBE73-0247 | aj | 1 |
| 110 | 4W0172 | • BOLT - 0.250 DIA X 1.125 Optional Part 4W0172 | aa-ah | 2 |
| 120 | 4W0172 | • BOLT - 0.250 DIA X 1.125 Optional Part 4W0172 | aa-ah | 2 |
| 125 | 4W2622 | • WASHER OPTION Optional Part 4W2622 PRE SBE73-0002 | aa | 2 |
| 125A | AN960C416 | • WASHER - FLAT 88044 POST SBE73-0002 PRE SBE72-0081 | ab-ah | 2 |
| 125B | MS9321-10 | • WASHER - FLAT, 0.500 X 0.276 X 0.062 96906 POST SBE72-0081 | ab-ah | 2 |
| 135 | AS43013-119 | • RING - SEALING, TOROIDAL U1653 | aa-ah | 1 |
| 145 | AS43013-124 | • RING - SEALING, TOROIDAL U1653 | aa-ah | 1 |
| 150 | 13260P2 | • • UNION 77381 POST SBE70-0099 | ac-ah | 1 |
| 153 | M25988-1-905 | • • PACKING - PREFORMED 81349 POST SBE70-0099 PRE SBE73-0062 | ac-ah | 1 |
| 153A | 19668-905 | • • PACKING - PREFORMED POST SBE73-0062 | ac-ah | 1 |
| 160 | 13260P3 | • • UNION 77381 POST SBE70-0099 | ac-ah | 1 |
| 163 | M25988-1-907 | • • PACKING - PREFORMED 81349 POST SBE70-0099 PRE SBE73-0062 | ac-ah | 1 |
| 163A | 19668-907 | • • PACKING - PREFORMED POST SBE73-0062 | ac-ah | 1 |
| 170 | 13260P2 | • • UNION 77381 POST SBE70-0099 | ac-ah | 1 |
| 173 | M25988-1-905 | • • PACKING - PREFORMED 81349 POST SBE70-0099 PRE SBE73-0062 | ac-ah | 1 |
| 173A | 19668-905 | • • PACKING - PREFORMED POST SBE73-0062 | ac-ah | 1 |
| -400 | AS43013-120 | • RING - SEALING, TOROIDAL U1653 (SEE 73-11-49-02-516) | aa-ah | REF |
| -410 | AS43013-112 | • RING - 12.37 MM ID X 2.62 MM U1653 (SEE 73-11-47-02-108) | aa-ah | REF |
| -420 | AS43013-120 | • RING - SEALING, TOROIDAL U1653 (SEE 73-11-49-03-508) | aa-ah | REF |
| -430 | AS43013-120 | • RING - SEALING, TOROIDAL U1653 (SEE 73-11-49-26-116) | aa-ah | REF |
| - ITEM NOT ILLUSTRATED, ***** EFFECTIVITY NOT AVAILABLE | ||||
Figure: FUEL DIVERTER AND RETURN VALVE
FUEL DIVERTER AND RETURN VALVE

