Export Control
EAR Export Classification: Not subject to the EAR per 15 C.F.R. Chapter 1, Part 734.3(b)(3), except for the following Service Bulletins which are currently published as EAR Export Classification 9E991: SBE70-0992, SBE72-0483, SBE72-0580, SBE72-0588, SBE72-0640, SBE73-0209, SBE80-0024 and SBE80-0025.Copyright
© IAE International Aero Engines AG (2001, 2014 - 2021) The information contained in this document is the property of © IAE International Aero Engines AG and may not be copied or used for any purpose other than that for which it is supplied without the express written authority of © IAE International Aero Engines AG. (This does not preclude use by engine and aircraft operators for normal instructional, maintenance or overhaul purposes.).Applicability
V2500-A5
Common Information
TASK 72-00-32-450-006-B00 LPC/Intermediate Case Module Components - Install The Fuel Temperature Thermocouple, Installation-010
General
This TASK gives the procedure to install the fuel temperature thermocouple.
Fig/item numbers in parentheses in the procedure agree with those used in the IPC. Only the primary Fig/item numbers are used. For the service bulletin alpha-variants refer to the IPC.
For all parts identified in a different Chapter/Section/Subject, the applicable Chapter/Section/Subject comes before the Fig/item number.
Lubricate all threads and abutment faces of nuts and bolts with CoMat 10-039 ENGINE OIL, unless other lubricants are referred to in the procedure.
For the torque tightening procedures, refer to the SPM and SPM TASK 70-41-01-400-501.
After assembly apply CoMat 07-038 AIR DRYING ENAMEL to any damaged surface protection, joint flanges and attach parts. Use the correct color of the air drying enamel. Refer to the SPM .
NOTE
Preliminary Requirements
Pre-Conditions
NONESupport Equipment
NONEConsumables, Materials and Expendables
| Name | Manufacturer | Part Number / Identification | Quantity | Remark |
|---|---|---|---|---|
| CoMat 02-126 LOCKWIRE | K6835 | CoMat 02-126 | ||
| CoMat 07-038 AIR DRYING ENAMEL | 00BB6 | CoMat 07-038 | ||
| CoMat 10-039 ENGINE OIL | LOCAL | CoMat 10-039 | ||
| CoMat 01-002 SOLVENT, DELETED. | X111X | CoMat 01-002 |
Safety Requirements
NONEProcedure
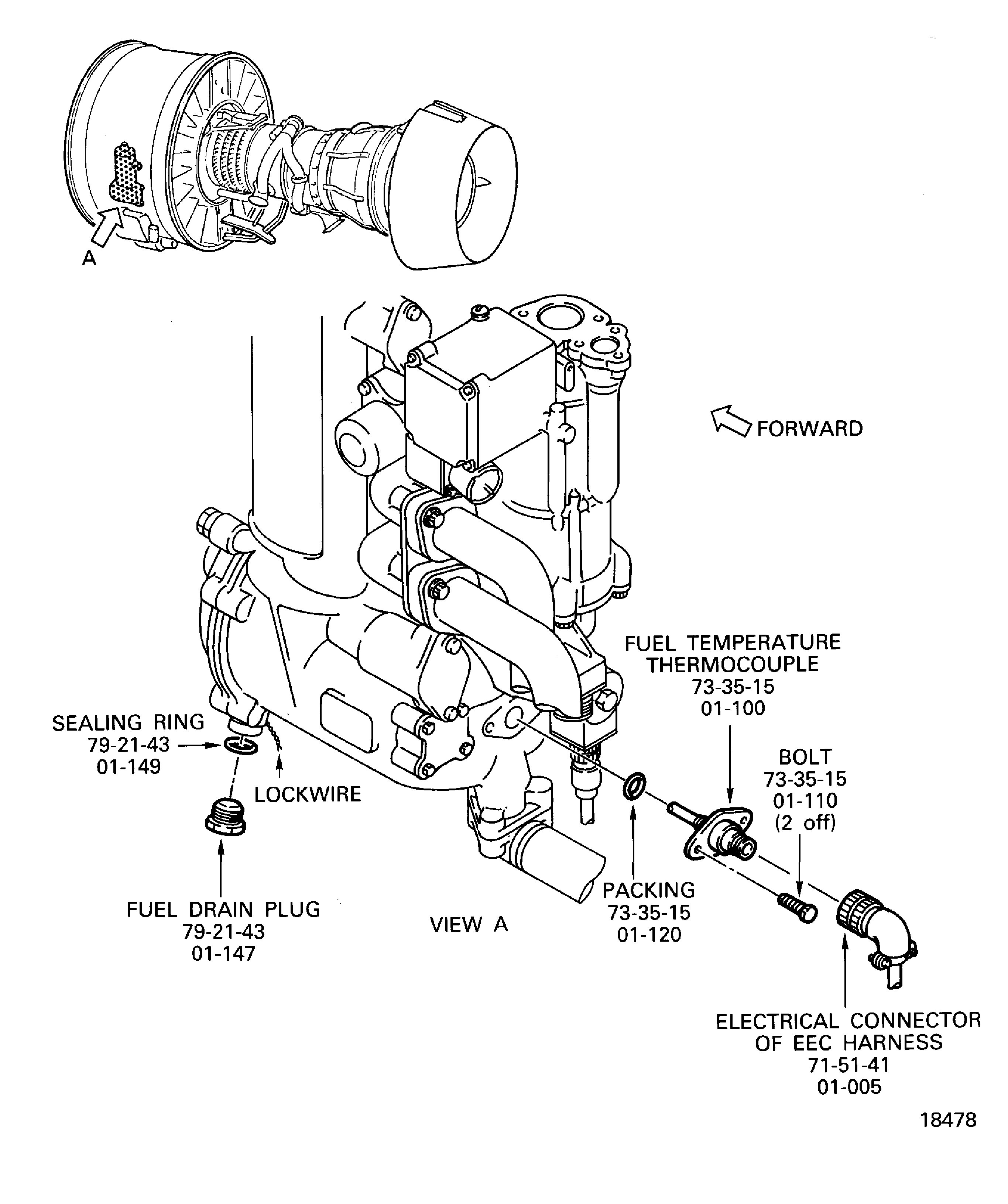
Refer to Figure.
Lubricate the FUEL TEMPERATURE THERMOCOUPLE (73-35-15,01-120) packing 1 off with clean CoMat 10-039 ENGINE OIL.
Install the packing to the fuel temperature thermocouple FUEL TEMPERATURE THERMOCOUPLE (73-35-15, 01-100).
Install the two bolts FUEL TEMPERATURE THERMOCOUPLE (73-35-15, 01-110).
Connect the 4017KS-A electrical connector to the fuel temperature thermocouple FUEL TEMPERATURE THERMOCOUPLE (73-35-15, 01-100) and torque the connector to 18 * lbf.in (2.0 Nm).
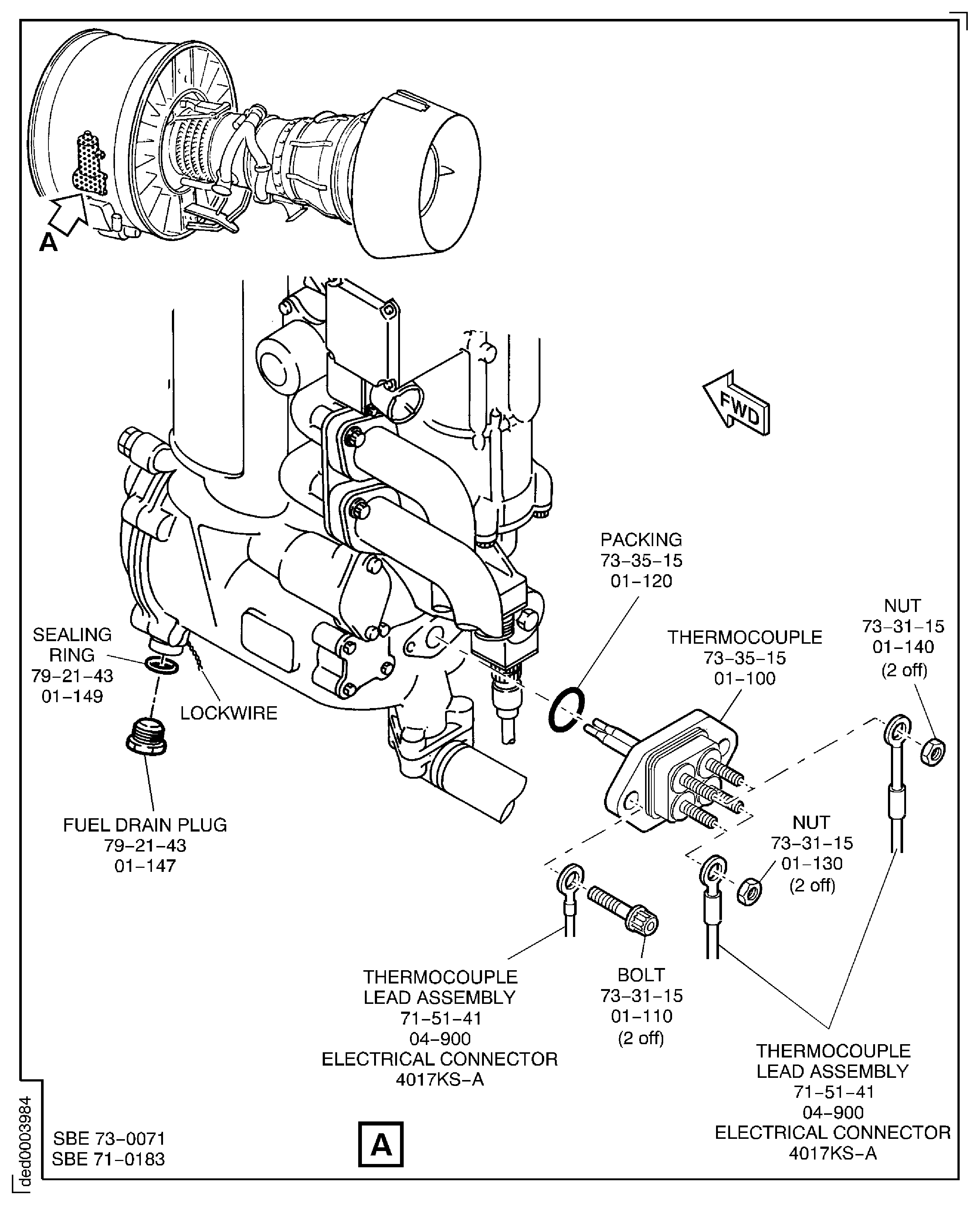
SUBTASK 72-00-32-450-099-A00 Install the Fuel Temperature Thermocouple to the Fuel Cooled Oil Cooler (FCOC) (Pre SBE 73-0071 and Pre SBE 71-0183)
Lubricate the FUEL TEMPERATURE THERMOCOUPLE (73-35-15, 01-120) packing 1 off with clean CoMat 10-039 ENGINE OIL.
Install the packing to the fuel temperature thermocouple FUEL TEMPERATURE THERMOCOUPLE (73-35-15, 01-100). Refer to Figure.
NOTE
Make sure that the larger studs are at the top of the unit before you tighten the bolts.NOTE
Make sure that the material window is at the bottom of the unit before you tighten the bolts.Install the two bolts FUEL TEMPERATURE THERMOCOUPLE (73-35-15, 01-110) and tighten the bolts.
Remove the two bolts FUEL TEMPERATURE THERMOCOUPLE (73-35-15, 01-110) that secure the thermocouple to the FCOC Fuel Cooled Oil Cooler (FCOC) (79-21-43, 01-100).

WARNING
WHEN YOU USE CoMat 01-002 SOLVENT, DELETED. YOU MUST USE THE NECESSARY PROTECTIVE CLOTHING. DO NOT GET THE SOLVENT ON YOUR SKIN OR IN YOUR EYES. YOU MUST NOT SMOKE WHEN YOU USE THE SOLVENT AS THE VAPOR CHANGES AND BECOMES TOXIC.Remove the grease, the fingerprints and the unwanted material from the mating surfaces of the ground terminals and thermocouple earth positions with CoMat 01-002 SOLVENT, DELETED.. Use a clean lint free cloth moistened with the solvent.
Install the harness ground terminal connectors to the two bolts FUEL TEMPERATURE THERMOCOUPLE (73-35-15, 01-110). Install the two bolts FUEL TEMPERATURE THERMOCOUPLE (73-35-15, 01-110) to secure the thermocouple to the FCOC and torque the bolts to between 85 and 105 lbf.in (10 to 12 Nm). Refer to Figure, view D.

CAUTION
YOU MUST NOT EXCEED THE RECOMMENED TORQUE VALUES. OVER TORQUING CAN RESULT IN FRACTURE OF THE THERMOCOUPLE STUDS.Install channel A and B thermocouple lead assemblies EEC Fan Harness (71-51-41, 04-900) to the fuel temperature thermocouple studs. Install the two nuts FUEL TEMPERATURE THERMOCOUPLE (73-35-15, 01-140) to the top studs and torque to between 18 and 22 * lbfin (2.03 to 2.48 Nm). Install the two nuts FUEL TEMPERATURE THERMOCOUPLE (73-35-15, 01-130) to the bottom studs and torque to between 15 and 18 * lbf.in (1.69 to 2.03 Nm). Refer to Figure.
Adjust the harness in the datumn clip position 0295 as necessary to obtain the correct clearance and drip loop. Torque the clip bolt to 36 to 45 lbf.in (4 to 5 Nm). Refer to TASK 72-00-32-420-004-B00.
Connect the terminal connectors to the fuel temperature thermocouple FUEL TEMPERATURE THERMOCOUPLE (73-35-15, 01-100).
SUBTASK 72-00-32-450-099-B00 Install the Fuel Temperature Thermocouple to the Fuel Cooled Oil Cooler (FCOC) (Post SBE 73-0071 and SBE 71-0183)
SBE 71-0183: Power Plant - Electrical harnesses - Introduction of production standard EEC harness to suit FCOC fuel temperature thermocouple with stud type thermocouple
SBE 73-0071: Fuel and Control - Replacement of fuel temperature thermocouple with stud and nut terminations
Refer to Figure.
Lubricate the Fuel Cooled Oil Cooler (FCOC) (79-21-43, 01-149) sealing ring 1 off with clean CoMat 10-039 ENGINE OIL.
Install the sealing ring to the fuel drain plug Fuel Cooled Oil Cooler (FCOC) (79-21-43, 01-147).
Safety the fuel drain plug with CoMat 02-126 LOCKWIRE.
SUBTASK 72-00-32-440-070 Install the Fuel Drain Plug
Do a fuel leak test on the FCOC, refer to TASK 71-00-00-700-003.
SUBTASK 72-00-32-790-058 Do a Fuel Leak Test
Figure: Fuel temperature thermocouple
Fuel temperature thermocouple

Figure: SBE 73-0071 : Fuel temperature thermocouple
SBE 73-0071 : Fuel temperature thermocouple

Figure: SBE 73-0071 : Fuel temperature thermocouple
SBE 73-0071 : Fuel temperature thermocouple

Figure: Fuel Temperature Thermocouple
Fuel Temperature Thermocouple

