Export Control
EAR Export Classification: Not subject to the EAR per 15 C.F.R. Chapter 1, Part 734.3(b)(3), except for the following Service Bulletins which are currently published as EAR Export Classification 9E991: SBE70-0992, SBE72-0483, SBE72-0580, SBE72-0588, SBE72-0640, SBE73-0209, SBE80-0024 and SBE80-0025.Copyright
© IAE International Aero Engines AG (2001, 2014 - 2021) The information contained in this document is the property of © IAE International Aero Engines AG and may not be copied or used for any purpose other than that for which it is supplied without the express written authority of © IAE International Aero Engines AG. (This does not preclude use by engine and aircraft operators for normal instructional, maintenance or overhaul purposes.).Applicability
All
Common Information
TASK 71-71-42-440-001 Drains Mast And Related Parts - Install The Drains Mast And Related Parts, Installation-001
General
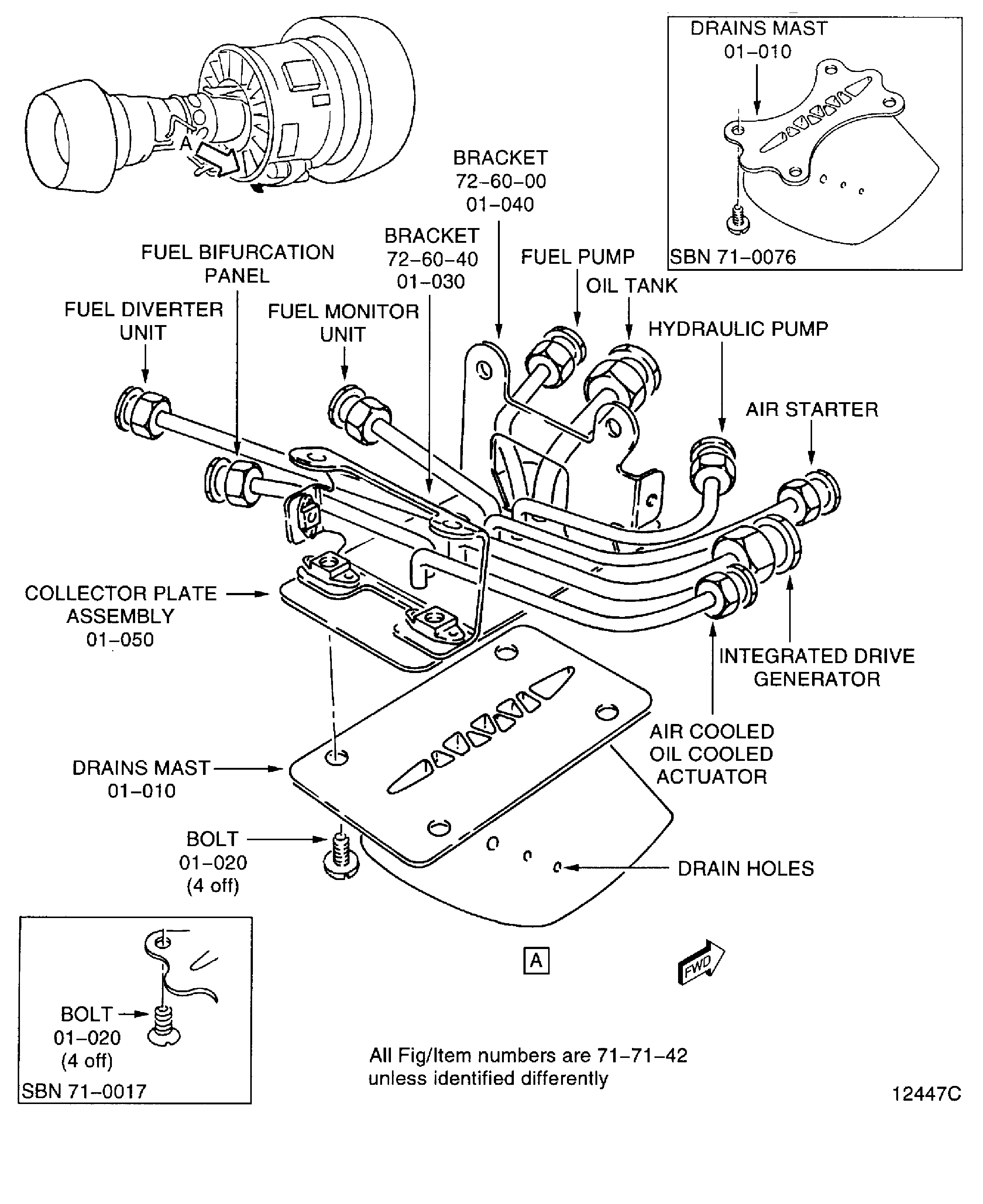
Fig/item numbers in parentheses in the procedure agree with those used in the IPC. Only the primary Fig/item numbers are used. For the service bulletin alpha variants refer to the IPC.
For all parts identified in a different Chapter/Section/Subject, the applicable Chapter/Section/Subject comes before the Fig/item number.
For standard torque data and procedures, refer to the SPM TASK 70-41-00-400-501 and SPM TASK 70-41-02-400-501.
Special torque data and assembly tolerances are included in the procedure.
Lubricate all threads and abutment faces of nuts and bolts with CoMat 10-077 APPROVED ENGINE OILS, unless other lubricants are referred to in the procedure.
After assembly apply CoMat 07-032 ENAMEL, POLYURETHANE, AIR-DRYING, TWO-PART, GREY to any damaged surface protection, joint flanges and attach parts. Use the correct color of the air drying enamel. Refer to the SPM TASK 70-38-07-380-501.
NOTE
Preliminary Requirements
Pre-Conditions
NONESupport Equipment
NONEConsumables, Materials and Expendables
| Name | Manufacturer | Part Number / Identification | Quantity | Remark |
|---|---|---|---|---|
| CoMat 01-076 METHYL ETHYL KETONE | LOCAL | CoMat 01-076 | ||
| CoMat 02-126 LOCKWIRE | LOCAL | CoMat 02-126 | ||
| CoMat 02-147 LOCKWIRE | LOCAL | CoMat 02-147 | ||
| CoMat 05-057B JOINTING COMPOUND - DELETED | IE451 | CoMat 05-057B | ||
| CoMat 07-032 ENAMEL, POLYURETHANE, AIR-DRYING, TWO-PART, GREY | LOCAL | CoMat 07-032 | ||
| CoMat 10-077 APPROVED ENGINE OILS | LOCAL | CoMat 10-077 | ||
| CoMat 05-057 JOINTING COMPOUND DELETED | 0AM53 | CoMat 05-057 |
Spares
NONESafety Requirements
NONEProcedure
SUBTASK 71-71-42-440-051-A00 Install the Drains Mast (Pre SBE 72-0193)

WARNING
DO NOT GET THE SEALANT ON YOUR SKIN OR IN YOUR EYES. PUT ON PROTECTIVE CLOTHING, GOGGLES AND A FACE MASK. USE THE SEALANT IN A WELL VENTILATED AREA. IF YOU GET THE SEALANT ON YOUR SKIN OR IN YOUR EYES, WIPE IT AWAY. GET MEDICAL HELP IF YOUR SKIN OR EYES BECOME IRRITATED.
WARNING
DO NOT GET CLEANING FLUID ON YOUR SKIN OR IN YOUR EYES. PUT ON PROTECTIVE CLOTHING, GOGGLES AND A FACE MASK. USE THE FLUID IN A WELL VENTILATED AREA. DO NOT BREATHE THE VAPOR. IF YOU GET THE CLEANING FLUID ON YOUR SKIN OR IN YOUR EYES, FLUSH IT AWAY WITH WATER. GET MEDICAL HELP IF YOUR SKIN OR EYES BECOME IRRITATED.Clean the mating surfaces of the collector plate assembly (01-050) and the drains mast (01-010) with a lint free cloth made moist with CoMat 01-076 METHYL ETHYL KETONE.
Apply CoMat 05-057 JOINTING COMPOUND DELETEDB jointing compound to the mating surface of the collector plate assembly (01-050) and the drains mast (01-010). Apply the necessary thickness with the use of an applicable hand tool such as a spatula or small trowel.
Apply Sealant.
Oil tank/Drain tube "OIL,HYDRAULIC AND WATER DRAIN TUBES-POWER PLANT (71-73-48,01-100).
Fuel pump/Drain tube POWER PLANT-FUEL DRAIN TUBES-POWER PLANT (71-71-48,03-100).
Hydraulic pump/Drain tube "OIL,HYDRAULIC AND WATER DRAIN TUBES-POWER PLANT (71-73-48,01-500).
Fuel monitor unit/Drain tube POWER PLANT-FUEL DRAIN TUBES-POWER PLANT (71-71-48,02-500).
Air starter/Drain tube TUBES OIL HYDRAULIC WATER (71-73-48,02-100).
Fuel diverter unit/Drain tube POWER PLANT-FUEL DRAIN TUBES-POWER PLANT (71-71-48,02-100).
Integrated drive generator/Drain tube TUBES OIL HYDRAULIC WATER (71-73-48,02-500).
Core drain (bifurcation panel)/Drain tube POWER PLANT-FUEL DRAIN TUBES-POWER PLANT (71-71-48,03-700).
Air cooled oil coller/Drain tube OIL,HYDRAULIC AND WATER DRAIN TUBES-POWER PLANT (71-73-48,03-500).
Drain mast Position/Connection.
Loosely attach the drain tubes to the appropriate connections as follows:

WARNING
DO NOT GET CLEANING FLUID ON YOUR SKIN OR IN YOUR EYES. PUT ON PROTECTIVE CLOTHING, GOGGLES AND A FACE MASK. USE THE FLUID IN A WELL VENTILATED AREA. DO NOT BREATHE THE VAPOR. IF YOU GET THE CLEANING FLUID ON YOUR SKIN OR IN YOUR EYES, FLUSH IT AWAY WITH WATER. GET MEDICAL HELP IF YOUR SKIN OR EYES BECOME IRRITATED.Wipe away any unwanted sealant (squeeze out) from the drains mast (4) and the collector plate assembly (5) with a clean lint free cloth made moist with CoMat 01-076 METHYL ETHYL KETONE.
Safety the connection with CoMat 02-126 LOCKWIRE or CoMat 02-147 LOCKWIRE.
Tighten the tube connectors.
SUBTASK 71-71-42-440-051-B00 Install the Drains Mast (SBE 72-0193)
Figure: V2500-A1: Drains mast
V2500-A1: Drains mast

Figure: V2500-A5: Drain mast
V2500-A5: Drain mast

