Export Control
EAR Export Classification: Not subject to the EAR per 15 C.F.R. Chapter 1, Part 734.3(b)(3), except for the following Service Bulletins which are currently published as EAR Export Classification 9E991: SBE70-0992, SBE72-0483, SBE72-0580, SBE72-0588, SBE72-0640, SBE73-0209, SBE80-0024 and SBE80-0025.Copyright
© IAE International Aero Engines AG (2001, 2014 - 2021) The information contained in this document is the property of © IAE International Aero Engines AG and may not be copied or used for any purpose other than that for which it is supplied without the express written authority of © IAE International Aero Engines AG. (This does not preclude use by engine and aircraft operators for normal instructional, maintenance or overhaul purposes.).Applicability
V2500-A5
Common Information
TASK 72-45-30-440-001-C00 HPT Stage 2 Rotor Assembly - Assemble The HPT Stage 2 Rotor Assembly, Assembly-001
General
Fig/item numbers in parentheses in the procedure agree with those used in the IPC. Only the primary Fig/item numbers are used. For the service bulletin alpha variants refer to the IPC.
For all parts identified in a different Chapter/Section/Subject, the applicable Chapter/Section/Subject comes before the Fig/item number.
For standard torque data and procedures, refer to SPM TASK 70-41-00-400-501 and SPM TASK 70-41-02-400-501.
Special torque data and assembly tolerances are included in the procedure.
For temporary marking procedures, refer to SPM TASK 70-09-01-400-501.
Lubricate all threads and abutment faces of nuts and bolts with CoMat 10-077 APPROVED ENGINE OILS, unless other lubricants are referred to in the procedure.
To identify, lubricate and install seal rings, refer to SPM TASK 70-44-01-400-501.
The number for each radial location must be identified in a clockwise direction. These start at the engine top position when you look from the rear of the engine, unless stated differently in the procedure.
NOTE
NOTE
Preliminary Requirements
Pre-Conditions
NONESupport Equipment
| Name | Manufacturer | Part Number / Identification | Quantity | Remark |
|---|---|---|---|---|
| Drift | LOCAL | Drift | Plastic | |
| Mallet | LOCAL | Mallet | ||
| IAE 1F10027 Heater control unit | 0AM53 | IAE 1F10027 | ||
| IAE 1P16010 Fixture | 0AM53 | IAE 1P16010 | ||
| IAE 1P16016 Blade adapter | 0AM53 | IAE 1P16016 | ||
| IAE 1P16033 Calibration weight | 0AM53 | IAE 1P16033 | ||
| IAE 1P16039 Heater | 0AM53 | IAE 1P16039 | ||
| IAE 1P16140 Support base | 0AM53 | IAE 1P16140 | ||
| IAE 1P16221 Fixture | 0AM53 | IAE 1P16221 | ||
| IAE 1P16366 Fixture | 0AM53 | IAE 1P16366 | ||
| IAE 1P16368 Support | 0AM53 | IAE 1P16368 | ||
| IAE 1P17020 Fixture | 0AM53 | IAE 1P17020 | ||
| IAE 1P17765 Alignment pin | 0AM53 | IAE 1P17765 | ||
| IAE 1P17766 Metering plug holder | 0AM53 | IAE 1P17766 |
Consumables, Materials and Expendables
| Name | Manufacturer | Part Number / Identification | Quantity | Remark |
|---|---|---|---|---|
| DELETED | LOCAL | DELETED | ||
| CoMat 01-573 WAX BLEND, PARAFFIN | 24269 | CoMat 01-573 | ||
| CoMat 06-153 FELT TIP MARKER, RAPID DRYING | LOCAL | CoMat 06-153 | ||
| CoMat 06-153H FELT TIP MARKER, RAPID DRYING, FINE POINT, BLACK | 86874 | CoMat 06-153H | ||
| CoMat 06-153K FELT TIP MARKER, RAPID DRYING, FINE POINT, BLUE | 86874 | CoMat 06-153K | ||
| CoMat 06-153L FELT TIP MARKER, RAPID DRYING, FINE POINT, RED | 86874 | CoMat 06-153L | ||
| CoMat 06-153P FELT TIP MARKER, RAPID DRYING | LOCAL | CoMat 06-153P | ||
| CoMat 06-153Q FELT TIP MARKER, RAPID DRYING | LOCAL | CoMat 06-153Q | ||
| CoMat 06-153S FELT TIP MARKER, RAPID DRYING, ULTRA FINE POINT, RED | 86874 | CoMat 06-153S | ||
| CoMat 06-153T FELT TIP MARKER, RAPID DRYING, ULTRA FINE POINT, BLUE | 86874 | CoMat 06-153T | ||
| CoMat 06-153U FELT TIP MARKER, RAPID DRYING, BOLD FINE POINT, BLACK | 86874 | CoMat 06-153U | ||
| CoMat 06-153V FELT TIP MARKER, RAPID DRYING, BOLD FINE POINT, RED | 86874 | CoMat 06-153V | ||
| CoMat 06-153W FELT TIP MARKER, RAPID DRYING, BOLD FINE POINT, BLUE | 86874 | CoMat 06-153W | ||
| CoMat 06-153X FELT TIP MARKER, RAPID DRYING, FINE POINT, BLACK, TRACE ELEMENT CERTIFIED | 86874 | CoMat 06-153X | ||
| CoMat 06-158 MARKER, EXTRA FINE POINT(BLACK) | 0AM53 | CoMat 06-158 | ||
| CoMat 10-077 APPROVED ENGINE OILS | LOCAL | CoMat 10-077 |
Safety Requirements
NONEProcedure
Put the IAE 1P17765 Alignment pin 1 off through a hole in the Heatshield and the hub.
Install the Heatshield on the Stage 2 Turbine Hub Shaft.
Put a metering plug on the IAE 1P17766 Metering plug holder 1 off detail adapter with the plug tab down.
Attach the Heatshield to the Stage 2 Turbine Hub with the four metering plugs that are equally spaced.
SUBTASK 72-45-30-440-086 Install the Stage 2 HPT Heatshield (72-45-31, 01-020) and Stage 2 HPT Metering Plugs (72-45-31, 01-030) on the Stage 2 Turbine Hub (72-45-31, 01-011)
Refer to Figure.
Remove the support detail from the IAE 1P16366 Fixture 1 off.
SUBTASK 72-45-30-440-087 Install the Fixture and Remove the Stage 2 Turbine Hub (72-45-31, 01-011) from the Pallet
Refer to Figure.
Lower the Stage 2 Turbine Hub, small end down, in to the IAE 1P16039 Heater 1 off.
Connect the power line and the thermocouple fitting to the respective fittings of the IAE 1F10027 Heater control unit 1 off.
Remove the clevis and bar assembly from the pilot in the IAE 1P16366 Fixture.
SUBTASK 72-45-30-440-088 Install the Stage 2 Turbine Hub (72-45-31, 01-011) in the Heater
Refer to Figure.
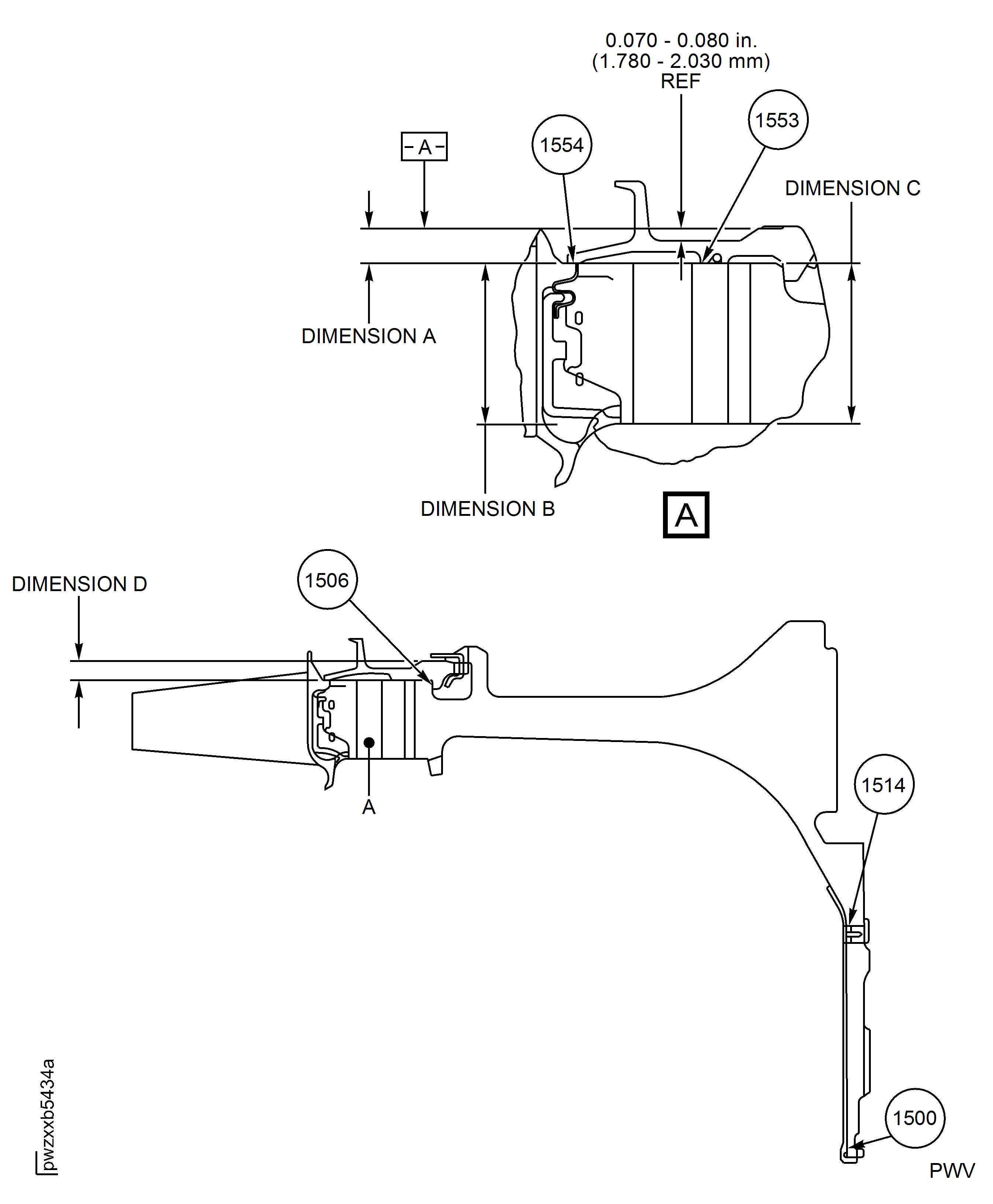
Reference clearance at location 1500. If required use the data written as a note in TASK 72-45-31-200-000 (INSPECTION/CHECK-000).
Table 1. Fits and Clearances (all dimensions are in inches) NEW PART
WORN PART
DIMENSIONS
DIMENSIONS
PART IDENT
Size
Clearance
Non-select
REJECT IF
MORE THAN
LOCATION 1500
Stage 2 Turbine Hub ENGINE-STAGE 2 TURBINE HUB (72-45-31, 01-011), Location Diameter
Stage 2 HPT Heatshield ENGINE-STAGE 2 TURBINE HUB (72-45-31, 01-020), Location Diameter
Stage 2 Turbine Hub Location Diameter
5.520
5.524
0.002
Stage 2 HPT Heatshield Location Diameter
5.526
0.012
5.532
Table 2. Fits and Clearances (all dimensions are in millimeters) NEW PART
WORN PART
DIMENSIONS
DIMENSIONS
PART IDENT
Size
Clearance
Non-select
REJECT IF
MORE THAN
LOCATION 1500
Stage 2 Turbine Hub ENGINE-STAGE 2 TURBINE HUB (72-45-31, 01-011), Location Diameter
Stage 2 HPT Heatshield ENGINE-STAGE 2 TURBINE HUB (72-45-31, 01-020), Location Diameter
Stage 2 Turbine Hub Location Diameter
140.208
140.309
0.051
Stage 2 HPT Heatshield Location Diameter
140.360
0.305
140.513
SUBTASK 72-45-30-220-059 Reference Fits and Clearances of the Stage 2 Turbine Hub and Stage 2 HPT Heatshield at Location 1500
Refer to Figure.
Reference interference/clearance at location 1506. If required use the data written as a note in TASK 72-45-33-200-000 (INSPECTION/CHECK-000) and TASK 72-45-31-200-000 (INSPECTION/CHECK-000).
Table 3. Fits and Clearances (all dimensions are in inches) NEW PART
WORN PART
DIMENSIONS
DIMENSIONS
PART IDENT
Size
Clearance
Non-select
REJECT IF
MORE THAN
LOCATION 1506
Stage 2 Blade Retaining Plate HPT Stage 2 Blade Retaining Plate And Related Parts (72-45-33, 01-020), Location Diameter
Stage 2 HPT Hub ENGINE-STAGE 2 TURBINE HUB (72-45-31, 01-011), Location Diameter
Retaining Plate Diameter
17.210
Intf
17.2084
Intf
17.214
0.004
17.2146
0.0051
Hub Diameter
17.210
0.005
17.2095
0.0076
17.215
Clear
17.216
Clear
Table 4. Fits and Clearances (all dimensions are in millimeters) NEW PART
WORN PART
DIMENSIONS
DIMENSIONS
PART IDENT
Size
Clearance
Non-select
REJECT IF
MORE THAN
LOCATION 1506
Stage 2 Blade Retaining Plate HPT Stage 2 Blade Retaining Plate And Related Parts (72-45-33, 01-020), Location Diameter
Stage 2 HPT Hub ENGINE-STAGE 2 TURBINE HUB (72-45-31, 01-011), Location Diameter
Retaining Plate Diameter
437.134
Intf
437.093
Intf
437.235
0.102
437.251
0.130
Hub Diameter
437.134
0.127
437.121
0.193
437.261
Clear
437.286
Clear
SUBTASK 72-45-30-220-060 Reference Fits and Clearances of the Stage 2 Blade Retaining Plate and the Stage 2 HPT Hub at Location 1506
Refer to Figure.
Reference interference at location 1514. If required use the data written as a note in TASK 72-45-31-200-000 (INSPECTION/CHECK-000).
Table 5. Fits and Clearances (all dimensions are in inches) NEW PART
WORN PART
DIMENSIONS
DIMENSIONS
PART IDENT
Size
Clearance
Non-select
REJECT IF
MORE THAN
LOCATION 1514
Stage 2 HPT Metering Plug ENGINE-STAGE 2 TURBINE HUB (72-45-31, 01-030), Location Diameter
Stage 2 HPT Hub ENGINE-STAGE 2 TURBINE HUB (72-45-31, 01-011), Location Diameter
Stage 2 HPT Metering Plug Location Diameter
0.262
0.264
0.002
Stage 2 HPT Hub Location Diameter
0.254
0.010
0.260
Table 6. Fits and Clearances (all dimensions are in millimeters) NEW PART
WORN PART
DIMENSIONS
DIMENSIONS
PART IDENT
Size
Clearance
Non-select
REJECT IF
MORE THAN
LOCATION 1514
Stage 2 HPT Metering Plug ENGINE-STAGE 2 TURBINE HUB (72-45-31, 01-030), Location Diameter
Stage 2 HPT Hub ENGINE-STAGE 2 TURBINE HUB (72-45-31, 01-011), Location Diameter
Stage 2 HPT Metering Plug Location Diameter
6.655
6.706
0.051
Stage 2 HPT Hub Location Diameter
6.452
0.254
6.604
SUBTASK 72-45-30-220-061 Reference Fits and Clearances of the Stage 2 HPT Metering Plug and the Stage 2 HPT Hub at Location 1514
Refer to Figure.
Reference clearance at location 1553. If required use the data written as a note in TASK 72-45-33-200-000 (INSPECTION/CHECK-000) and TASK 72-45-31-200-000 (INSPECTION/CHECK-000).
Table 7. Fits and Clearances (all dimensions are in inches) NEW PART
WORN PART
DIMENSIONS
DIMENSIONS
PART IDENT
Size
Clearance
Non-select
REJECT IF
MORE THAN
LOCATION 1553
Stage 2 Blade Retaining Plate HPT Stage 2 Blade Retaining Plate And Related Parts (72-45-33, 01-020), Axial Dimension
Stage 2 HPT Hub ENGINE-STAGE 2 TURBINE HUB (72-45-31, 01-011), Axial Dimension D
Retaining Plate Dimension
0.224
0.221
0.234
0.000
0.234
0.000
Hub Dimension D
0.234
0.016
0.234
0.019
0.240
0.240
Table 8. Fits and Clearances (all dimensions are in millimeters) NEW PART
WORN PART
DIMENSIONS
DIMENSIONS
PART IDENT
Size
Clearance
Non-select
REJECT IF
MORE THAN
LOCATION 1553
Stage 2 Blade Retaining Plate HPT Stage 2 Blade Retaining Plate And Related Parts (72-45-33, 01-020), Axial Dimension
Stage 2 HPT Hub ENGINE-STAGE 2 TURBINE HUB (72-45-31, 01-011), Axial Dimension D
Retaining Plate Dimension
5.690
5.613
5.944
0.000
5.944
0.000
Hub Dimension D
5.944
0.406
5.944
0.483
6.096
6.096
SUBTASK 72-45-30-220-062 Reference Fits and Clearances of the Stage 2 Blade Retaining Plate and the Stage 2 HPT Hub at Location 1553 (SBE 72-0145 Post - Introduced New Stage 2 Turbine Hub)
Refer to Figure.
Reference interference at location 1554. If required use the data written as a note in TASK 72-45-33-200-000 (INSPECTION/CHECK-000) and TASK 72-45-31-200-000 (INSPECTION/CHECK-000).
Table 9. Fits and Clearances (all dimensions are in inches) NEW PART
WORN PART
DIMENSIONS
DIMENSIONS
PART IDENT
Size
Clearance
Non-select
REJECT IF
MORE THAN
LOCATION 1554
Stage 2 Blade Retaining Plate HPT Stage 2 Blade Retaining Plate And Related Parts (72-45-33, 01-020), Axial Dimension A
Stage 2 HPT Blade HPT Stage 2 Blade And Related Parts (72-45-32, 01-010), Axial Dimension B
Retaining Plate Dimension A
0.242
Intf
0.242
Intf
0.232
0.008
0.225
0.008
Blade Dimension B
1.158
0.016
1.158
0.022
1.152
Clear
1.152
Clear
Hub Dimension C
1.162
1.162
1.158
1.158
Hub Dimension D
0.240
0.240
0.234
0.234
Clearances Is Found By The Formula That Follows: (C + D) - (A + B)
Table 10. Fits and Clearances (all dimensions are in millimeters) NEW PART
WORN PART
DIMENSIONS
DIMENSIONS
PART IDENT
Size
Clearance
Non-select
REJECT IF
MORE THAN
LOCATION 1554
Stage 2 Blade Retaining Plate HPT Stage 2 Blade Retaining Plate And Related Parts (72-45-33, 01-020), Axial Dimension A
Stage 2 HPT Blade HPT Stage 2 Blade And Related Parts (72-45-32, 01-010), Axial Dimension B
Retaining Plate Dimension A
6.150
Intf
6.150
Intf
5.890
0.203
5.715
0.203
Blade Dimension B
29.413
0.406
29.413
0.559
29.261
Clear
29.261
Clear
Hub Dimension C
29.515
29.515
29.413
29.413
Hub Dimension D
6.096
6.096
5.944
5.944
Clearance Is Found By The Formula That Follows: (C + D) - (A + B)
SUBTASK 72-45-30-220-063 Reference Fits and Clearances of the Stage 2 Blade Retaining Plate and the Stage 2 HPT Hub at Location 1554 (SBE 72-0145Post - Introduced new stage 2 turbine hub)
Install the new HPT Stage 2 Blade Retaining Plate And Related Parts (72-45-33, 01-010) Stage 1 and 2 HPT seal 1 off, in the groove in the Blade Retaining Plate. If necessary, use CoMat 01-573 WAX BLEND, PARAFFIN to hold the seal in the groove.
Put the IAE 1P16010 Fixture 1 off ring (clamp), with the threaded boltholes up, on the seal flange of the blade retaining plate.
SUBTASK 72-45-30-440-089 Install the Stage 2 Blade Retaining Plate (72-45-33, 01-020) in the Fixture
Heat the Stage 2 Turbine Hub with the IAE 1P16039 Heater 1 off.
SUBTASK 72-45-30-440-090 Install the Blade Retaining Plate (72-45-33, 01-020) on to the Stage 2 Turbine Hub
NOTE
Do not use the old retainer or the retainer that was bent once. Use a new retainer.NOTE
If HPT Stage 2 Hub has "X" marked on each side of the slot do not install the retaining plate lock and key, another slot must be used.NOTE
If HPT Stage 2 Retaining Plate has "X" or "MS" marked at the slot location do not install the retaining plate lock and key, another slot must be used.
SUBTASK 72-45-30-440-091 Install the Turbine Blade Lock Retainer (72-45-33, 01-040) and the Stage 2 HPT Locks (72-45-33, 01-060)
NOTE
Pre SBE 72-0399 Stage 2 HPT locks and retainers should not be used in service. Stage 2 HPT Rotor Assembly must be equipped with four locks and retainers.When the top plate is properly secured, insert the lever arm into the slot by holding the lever arm parallel to the hub and turning the end into the slot counterclockwise. Once in the slot, slide lever arm to the left and straighten to the upright position, perpendicular to the hub.
NOTE
It can help to angle the tip of the arm toward engine center and rotate it up after you see that the retainer starts coming toward you.
SUBTASK 72-45-30-440-092 Install the Hold/Bend Fixture, PN IAE 1P16479 on the Stage 2 Turbine Hub and Bend the Retainer Tabs
Install the bar and clevis on the top end of the IAE 1P16366 Fixture 1 off.
Remove the fixture capscrews, Figure.
Lift the Stage 2 Turbine Rotor Assembly from the IAE 1P16039 Heater with the hoist.
SUBTASK 72-45-30-440-093 Remove the Stage 2 Turbine Rotor Assembly from the Heater and Turn It So the Large End Is Down
Refer to Figure.
Lower the Stage 2 Turbine Rotor Assembly in to the IAE 1P16368 Support 1 off.
Remove the IAE 1P16366 Fixture from the assembly.
SUBTASK 72-45-30-440-094 Install the Stage 2 Turbine Rotor Assembly in to The Support
Refer to Figure.
Install and attach the IAE 1P16016 Blade adapter 1 off to the lever arm on the moment weighing equipment.
Mark the moment weight on the concave side of the blade airfoil. Use CoMat 06-153H FELT TIP MARKER, RAPID DRYING, FINE POINT, BLACK, CoMat 06-153K FELT TIP MARKER, RAPID DRYING, FINE POINT, BLUE, CoMat 06-153L FELT TIP MARKER, RAPID DRYING, FINE POINT, RED, CoMat 06-153P FELT TIP MARKER, RAPID DRYING, CoMat 06-153Q FELT TIP MARKER, RAPID DRYING, CoMat 06-153S FELT TIP MARKER, RAPID DRYING, ULTRA FINE POINT, RED, CoMat 06-153T FELT TIP MARKER, RAPID DRYING, ULTRA FINE POINT, BLUE, CoMat 06-153U FELT TIP MARKER, RAPID DRYING, BOLD FINE POINT, BLACK, CoMat 06-153V FELT TIP MARKER, RAPID DRYING, BOLD FINE POINT, RED or CoMat 06-153W FELT TIP MARKER, RAPID DRYING, BOLD FINE POINT, BLUE (Refer to SPM TASK 70-09-01-400-501).
SUBTASK 72-45-30-440-095 Moment Weigh the Stage 2 HPT Blades (72-45-32, 01-010)
NOTE
If new or fully repaired Stage 2 HPT Duct Segments (BOAS) are to be installed, two thirds of Stage 2 HPT blades must have fully repaired tips. One third of the blades can have complete, partial, or no tip coating.Put the moment weighed stage 2 HPT blades HPT Stage 2 Blade And Related Parts (72-45-32, 01-010) in to 36 sets on a bench.

CAUTION
FAILURE TO REPLACE AN ADEQUATE NUMBER OF BLADE TIPS MAY REDUCE ENGINE PERFORMANCE AND/OR REDUCE BLADE AND OUTER AIRSEAL REPAIRABILITY. IT IS RECOMMENDED TO MINIMIZE THE NUMBER OF CAT C BLADES INSTALLED.Install the No. 2 blade from row one in the hub adjacent to the first installed blade in a counterclockwise direction.
NOTE
The blades must be installed in a counterclockwise direction with the leading edge (thicker edge) pointed up.NOTE
Up to 24 of the blades installed may be Cat C blades, which possess a limited cutting ability. Cat C blades have been fully repaired, but the tip has not been fully restored. At component repair, these blades are ink marked on the airfoil Cat C.
Install the first blade from row one in to any blade slot on the turbine front hub with the leading edge (thicker edge) pointed up by hand pressure.
Install the IAE 1P16221 Fixture 1 off to the assembly.
SUBTASK 72-45-30-440-096 Install the Stage 2 HPT Blade Assemblies (72-45-32, 01-010)
Refer to Figure.
Install the eye bolts in the top of the IAE 1P17020 Fixture 1 off.
SUBTASK 72-45-30-440-097 Install the Fixture on A Vertical Balance Machine
Refer to Figure.
Remove the IAE 1P16221 Fixture from the assembly.
Install the IAE 1P16033 Calibration weight 1 off in any of the 36 slots on the front side of the hub.
Do a check for balance machine calibration.
SUBTASK 72-45-30-440-098 Install the Stage 2 Turbine Rotor Assembly in to the Fixture
Blade must be installed in a counterclockwise direction at the identical marked locations.
Blades must not be fully installed in the blade slots of the hub. This lets you install the blade seals and damper in to the first installed blade after all the blades are installed.
Install a Stage 2 Blade Seal HPT Stage 2 Blade And Related Parts (72-45-32, 01-040) and a Stage 2 Blade Damper HPT Stage 2 Blade And Related Parts (72-45-32, 01-020) to the No. 2 marked blade as follows:
Assemble the Stage 2 HPT Blades at the identical marked locations by the steps that follow.
NOTE
Do a check for balance per Step.
Make a mark to show the amount and position of the final unbalance by the CoMat 06-153 FELT TIP MARKER, RAPID DRYING, CoMat 06-153X FELT TIP MARKER, RAPID DRYING, FINE POINT, BLACK, TRACE ELEMENT CERTIFIED or CoMat 06-158 MARKER, EXTRA FINE POINT(BLACK). Refer to SPM TASK 70-09-00-400-501 and Figure.
SUBTASK 72-45-30-440-099 Balance the Stage 2 Turbine Rotor Assembly
Refer to Figure.
Install the IAE 1P16221 Fixture 1 off to the assembly.
Remove the IAE 1P16221 Fixture from the assembly.
SUBTASK 72-45-30-440-102 Remove the Stage 2 Turbine Rotor Assembly from the Fixture
Use the support detail to keep the blades in position.
Install the IAE 1P16366 Fixture 1 off per Step.
SUBTASK 72-45-30-440-103 Install the Fixture
Refer to Figure.
Lower the Stage 2 Turbine Rotor Assembly into the IAE 1P16140 Support base 1 off.
SUBTASK 72-45-30-440-105 Turn the Stage 2 Turbine Rotor Assembly to the Small End Down and Install It in the Support Base
Figure: Install the Heatshield and the Metering Plugs
Install the Heatshield and the Metering Plugs

Figure: Install the Heatshield and the Metering Plugs
Install the Heatshield and the Metering Plugs

Figure: Remove the Stage 2 Turbine Rotor Assembly from the Pallet
Remove the Stage 2 Turbine Rotor Assembly from the Pallet

Figure: Install the IAE 1P16010 Fixture
Install the IAE 1P16010 Fixture

Figure: Stage 2 Turbine Rotor Assembly Fits and Clearances
Stage 2 Turbine Rotor Assembly Fits and Clearances

Figure: Check the Stage 1 and 2 HPT Seal Gap
Check the Stage 1 and 2 HPT Seal Gap

Figure: Location of Balance Marks
Location of Balance Marks

Figure: Install the Stage 2 HPT Locks and Turbine Blade Lock Retainers
Install the Stage 2 HPT Locks and Turbine Blade Lock Retainers

Figure: Install the Stage 2 HPT Locks and Turbine Blade Lock Retainers
Install the Stage 2 HPT Locks and Turbine Blade Lock Retainers

Figure: Remove the Stage 2 Turbine Rotor Assembly from the IAE 1P16039 Heater
Remove the Stage 2 Turbine Rotor Assembly from the IAE 1P16039 Heater

Figure: Stage 2 IAE 1P16016 Moment Weight Blade Adapter
Stage 2 IAE 1P16016 Moment Weight Blade Adapter

Figure: Install the Stage 2 HPT Blade Assemblies
Install the Stage 2 HPT Blade Assemblies

Figure: Install the IAE 1P16221
Install the IAE 1P16221

Figure: Install the Stage 2 Turbine Rotor Assembly in the IAE 1P17020 Fixture
Install the Stage 2 Turbine Rotor Assembly in the IAE 1P17020 Fixture

Figure: Install the Stage 2 HPT Seals and the Dampers and make an Unbalance Mark
Install the Stage 2 HPT Seals and the Dampers and make an Unbalance Mark

Figure: Remove the Stage 2 Turbine Rotor Assembly from the IAE 1P17020 Fixture
Remove the Stage 2 Turbine Rotor Assembly from the IAE 1P17020 Fixture

Figure: Install The IAE 1P16164 Retainer
Install The IAE 1P16164 Retainer

Figure: The Stage 2 Turbine Rotor Assembly in the IAE 1P16140 Base
The Stage 2 Turbine Rotor Assembly in the IAE 1P16140 Base

Figure: Repair Markings
Repair Markings

