Export Control
EAR Export Classification: Not subject to the EAR per 15 C.F.R. Chapter 1, Part 734.3(b)(3), except for the following Service Bulletins which are currently published as EAR Export Classification 9E991: SBE70-0992, SBE72-0483, SBE72-0580, SBE72-0588, SBE72-0640, SBE73-0209, SBE80-0024 and SBE80-0025.Copyright
© IAE International Aero Engines AG (2001, 2014 - 2021) The information contained in this document is the property of © IAE International Aero Engines AG and may not be copied or used for any purpose other than that for which it is supplied without the express written authority of © IAE International Aero Engines AG. (This does not preclude use by engine and aircraft operators for normal instructional, maintenance or overhaul purposes.).Applicability
All
Common Information
TASK 72-32-00-030-006-C00 LPC/Intermediate Case Module - Remove The LPC Booster Stage Assembly To Gain Access To The Front Bearing Compartment Area, Disassembly-006
General
This TASK gives the procedure to remove the LP compressor booster stage assembly from the LP compressor/intermediate case module to gain access to the front bearing compartment area.
This procedure uses a method that does not require separation of the HP system module and the external gearbox module from the LP compressor/intermediate case module.
Where this TASK is used for removal of the LP compressor booster stage assembly, it is recommended to use TASK 72-32-00-430-010-C00 (ASSEMBLY-010, CONFIG-003).
Fig/item numbers in parentheses in the procedure agree with those used in the IPC. Only the primary Fig/item numbers are used. For the service bulletin alpha variants refer to the IPC.
For all parts identified in a different Chapter/Section/Subject, the applicable Chapter/Section/Subject comes before the Fig/item number.
NOTE
Preliminary Requirements
Pre-Conditions
NONESupport Equipment
| Name | Manufacturer | Part Number / Identification | Quantity | Remark |
|---|---|---|---|---|
| IAE 1J12026 Turning handle | 0AM53 | IAE 1J12026 | 1 | |
| IAE 1J12105 Cantileer sling | 0AM53 | IAE 1J12105 | 1 | |
| IAE 1J12106 Aligning pin set | 0AM53 | IAE 1J12106 | 1 | |
| IAE 1J12108 Sling adapter | 0AM53 | IAE 1J12108 | 1 | |
| IAE 1J12139 Puller bolt set | 0AM53 | IAE 1J12139 | 1 | |
| IAE 1J12188 Puller bolt | 0AM53 | IAE 1J12188 | 1 | |
| IAE 1J13107 Holding support | 0AM53 | IAE 1J13107 | 1 | |
| IAE 1J13111 LPC storage stand | 0AM53 | IAE 1J13111 | 1 | |
| IAE 1J13210 LPC holding block | 0AM53 | IAE 1J13210 | 1 | |
| IAE 1J12182 Retaining protector | 0AM53 | IAE 1J12182 | 1 |
Consumables, Materials and Expendables
NONESpares
NONESafety Requirements
NONEProcedure
Make sure that the inlet cone fairing and the inlet cone are removed. If they are not removed, remove them. Refer to TASK 72-38-11-020-001 (REMOVAL).
SUBTASK 72-32-00-030-250 Make sure that the Inlet Cone Fairing and the Inlet Cone are Removed from the Engine
Make sure that the LP compressor (fan) module is removed. If it is not removed, remove it. Refer to TASK 72-00-31-020-001 (REMOVAL).
SUBTASK 72-32-00-030-251 Make sure that the LP Compressor (Fan) Module is Removed from the Engine
Refer to Figure.
Remove the front fairings. Refer to TASK 72-32-00-030-002-A00 (DISASSEMBLY-002, CONFIG-001).
SUBTASK 72-32-00-030-252 Remove the Front Fairings from the Engine
Refer to Figure.
Remove the fan outlet inner vane assembly. Refer to TASK 72-32-00-030-003-A00 (DISASSEMBLY-003, CONFIG-001).
SUBTASK 72-32-00-030-253 Remove the Fan Outlet Inner Vane Assembly from the LP Compressor Front Case
Refer to Figure.
SUBTASK 72-32-00-030-254 Remove the Brackets from the LP Compressor Rear Case
Remove the two bolts LP Compressor (LPC) - Intermediate Structure Module (72-32-00, 01-377) and washers LP Compressor (LPC) - Intermediate Structure Module (72-32-00, 01-375) which attach each FEGV inner platform to the bush in the LP compressor stage 2.5 stator assembly (stage 2.5 stator).

CAUTION
REMOVE THE BOLTS LP Compressor (LPC) - Intermediate Structure Module (72-32-00, 01-377) BEFORE YOU REMOVE THE LP COMPRESSOR BOOSTER STAGE ASSEMBLY. THE BOLTS CAN TOUCH THE ASSEMBLY AND CAUSE DAMAGE TO IT.Remove the 40 bolts and washers from the FEGV inner platforms.
SUBTASK 72-32-00-030-255 Remove the Bolts from the FEGV's (Pre SBE 72-0094)
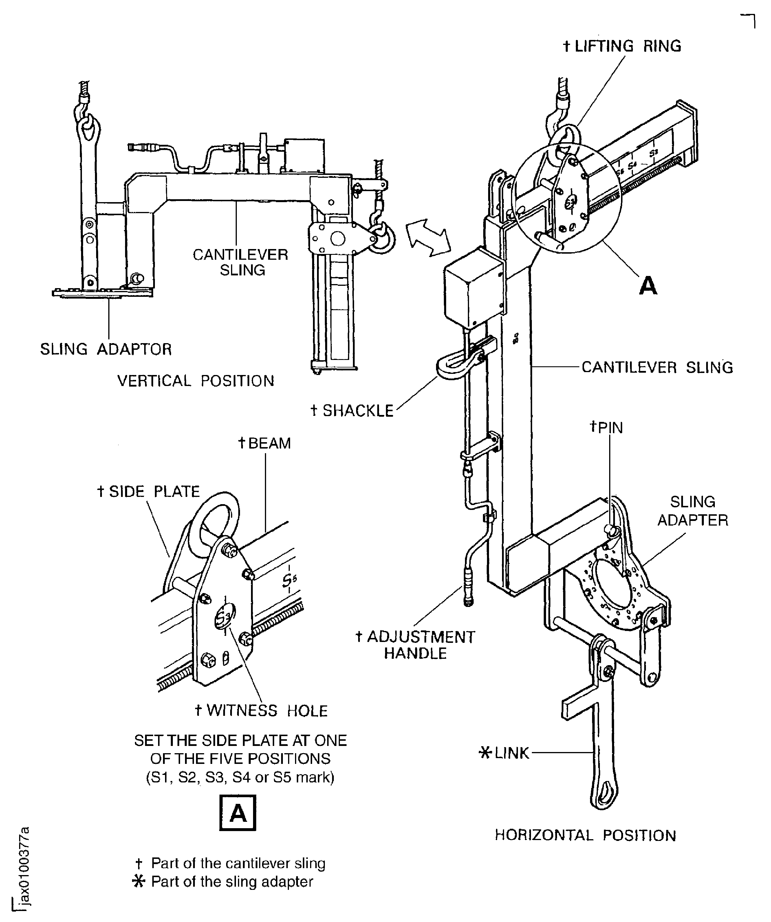
Assemble the IAE 1J12105 Cantileer sling 1 off and the IAE 1J12108 Sling adapter 1 off into the sling assembly, Figure.
NOTE
The retaining protector was installed in SUBTASK 72-32-00-020-251 (step 4).Remove the IAE 1J12182 Retaining protector from the stub shaft, Figure.
Install the three aligning pins (part of the IAE 1J12106 Aligning pin set set 1 off) in to three of the 24 nuts of the rotor center shaft through the holes B, Figure and Figure.
Remove the retaining protector and install the aligning pins.
SUBTASK 72-32-00-030-256 Prepare the LP Compressor Booster Stage Assembly (LPC Assembly) for Removal
Install the IAE 1J12026 Turning handle 1 off to the stub shaft with the two washers and wing bolts, Figure. Tighten the wing bolts.
Turn the LPC stage 1.5-2.5 disk with the turning handle so that the correlation mark * on the LPC stage 1.5-2.5 disk becomes at the top position, Figure.
Adjust the angular position of the LPC stage 1.5-2.5 disk.
Attach the four supports (part of IAE 1J13107 Holding support 1 off) to the front flange to the LPC assembly, Figure.
Install the four puller bolts (part of IAE 1J12139 Puller bolt set set 1 off) into the four of the eight threaded holes in the rear LP compressor case. The four puller bolts must be installed at 90 degrees apart from each other.
Attach the LP compressor front case to each support with the screw, nut and the two washers, Figure.
Remove the LPC assembly from the stage 2.5 stator.
SUBTASK 72-32-00-030-257 Remove the LPC Assembly from the Stage 2.5 Stator
Install the three puller bolts (part of IAE 1J12188 Puller bolt 1 off) in to the three remaining threaded holes C.
SUBTASK 72-32-00-030-259 Remove the LPC Assembly from the Rotor Center Shaft
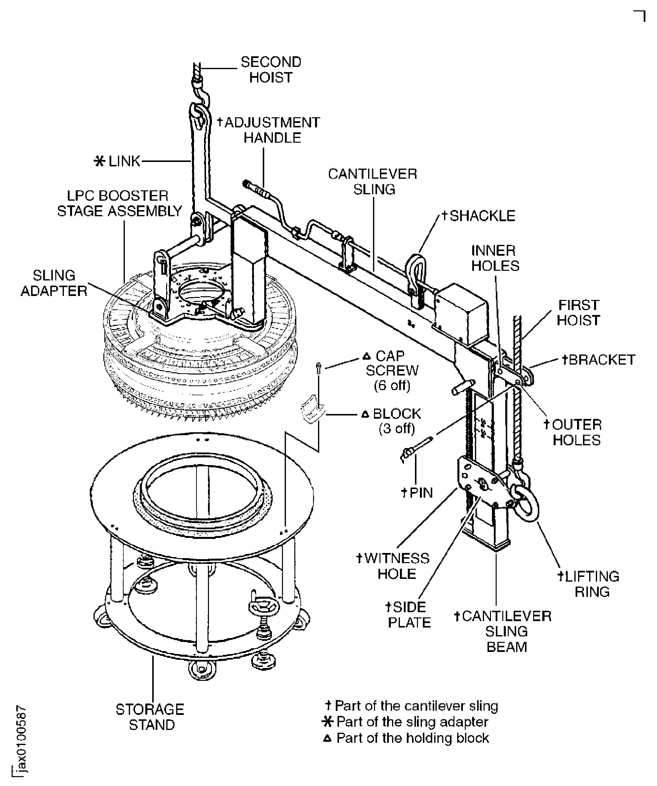
Lower and put the LPC assembly on to the IAE 1J13111 LPC storage stand 1 off.
Install the IAE 1J13210 LPC holding block 1 off on to the storage stand and hold the LPC assembly.
SUBTASK 72-32-00-030-260 Install the LPC Assembly on to the Storage Stand
Install the IAE 1J12182 Retaining protector 1 off to the curvic teeth of the stub shaft with the three bolts and plain washers (parts of the retaining protector). Tighten the bolts.
Remove the aligning pins and install the retaining protector.
SUBTASK 72-32-00-030-261 Install the Retaining Protector to the Engine
Figure: Sectional view of the LP compressor/intermediate case module
Sectional view of the LP compressor/intermediate case module

Figure: Remove the brackets from the engine
Remove the brackets from the engine

Figure: Remove silicone compound from the FEGV inner platforms
Remove silicone compound from the FEGV inner platforms

Figure: Remove the bolts from the FEGV's
Remove the bolts from the FEGV's

Figure: Assemble the cantilever sling and the sling adapter
Assemble the cantilever sling and the sling adapter

Figure: Retaining protector
Retaining protector

Figure: Install the holding support to the LPC assembly and the LPC front case
Install the holding support to the LPC assembly and the LPC front case

Figure: Install the turning handle to the stub shaft
Install the turning handle to the stub shaft

Figure: Install the aligning pins to the stub shaft
Sheet 1

Figure: Install the aligning pins to the stub shaft
Sheet 2

Figure: Turn the cantilever and the sling adapter to the horizontal position
Turn the cantilever and the sling adapter to the horizontal position

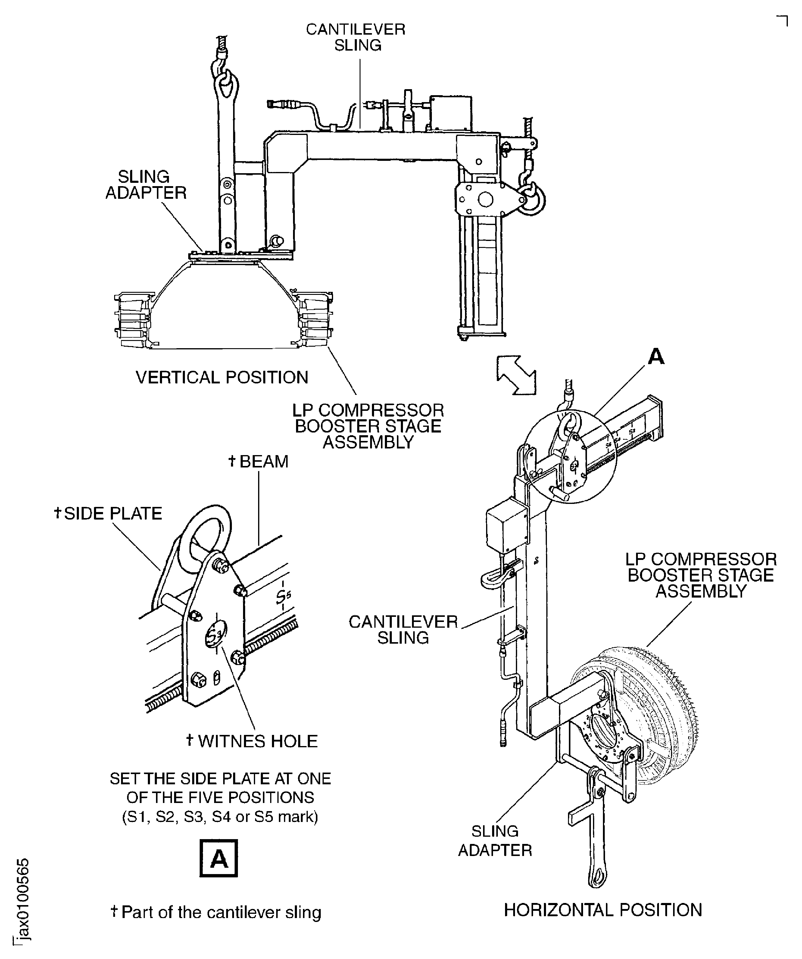
Figure: Install the sling assembly to the LP compressor booster stage assembly
Sheet 1

Figure: Install the sling assembly to the LP compressor booster stage assembly
Sheet 2

Figure: Remove the LP compressor booster stage assembly from the LPC stage 2.5 stator assembly
Remove the LP compressor booster stage assembly from the LPC stage 2.5 stator assembly

Figure: Turn the LP compressor booster stage assembly to the vertical position
Turn the LP compressor booster stage assembly to the vertical position

Figure: Install the LP compressor booster stage assembly on to the storage stand
Install the LP compressor booster stage assembly on to the storage stand

