Export Control
EAR Export Classification: Not subject to the EAR per 15 C.F.R. Chapter 1, Part 734.3(b)(3), except for the following Service Bulletins which are currently published as EAR Export Classification 9E991: SBE70-0992, SBE72-0483, SBE72-0580, SBE72-0588, SBE72-0640, SBE73-0209, SBE80-0024 and SBE80-0025.Copyright
© IAE International Aero Engines AG (2001, 2014 - 2021) The information contained in this document is the property of © IAE International Aero Engines AG and may not be copied or used for any purpose other than that for which it is supplied without the express written authority of © IAE International Aero Engines AG. (This does not preclude use by engine and aircraft operators for normal instructional, maintenance or overhaul purposes.).Applicability
All
Common Information
TASK 72-41-15-200-005-D00 HPC Stage 7 Rotor Blade - Examine, Inspection-005
Effectivity
FIG/ITEM | PART NO. |
|---|---|
02-270 | 6A6462 |
Deleted | Deleted |
02-270 | 6A8314 |
02-270 | 6A8743 |
02-285 | 6A6463 |
Deleted | Deleted |
02-285 | 6A8315 |
02-285 | 6A8744 |
02-300 | 6A6469C01 |
Deleted | Deleted |
02-300 | 6A8312 |
02-300 | 6A8741 |
02-315 | 6A6469C01 |
Deleted | Deleted |
02-315 | 6A8312 |
02-315 | 6A8741 |
02-316 | 6B1495 |
02-317 | 6A6469C02 |
Deleted | Deleted |
02-317 | 6A8313 |
02-317 | 6A8742 |
General
This TASK gives the procedure for the inspection of the HP compressor stage 7 rotor blades.
Nicks and dents 0.005 in. (0.13 mm) or less are acceptable without limit to the airfoil and gas washed surface of the platforms.
Fig/item numbers in parentheses in the procedure agree with those given in the IPC. Only the primary Fig/item numbers are used. For the service bulletin alpha variants refer to the IPC.
The policy that is necessary for inspection is given in SPM TASK 70-20-01-200-501.
All the parts must be cleaned before any part is examined.
All the parts must be visually examined for damage, corrosion and wear. Any defects that are not identified in the procedure must be referred to IAE.
The procedure for those parts which must have a crack test is given in Step. Do the crack test before the part is visually examined.
Do not discard any part until you are sure there are no repairs available. Refer to the instructions in repair before a discarded part is used again or oversize parts are installed.
Parts which must be discarded can be held although no repair is available. The repair of a discarded part can be shown to be necessary at a subsequent date.
All the parts must be examined to make sure that all the repairs have been completed satisfactorily.
The practices and processes referred to in the procedure by the TASK/SUBTASK number are in the SPM.
References
Refer to the SPM for data on these items:
Definition of Damage, SPM TASK 70-02-02-350-501,
Inspection of Parts, SPM TASK 70-20-01-200-501.
Some data on these items is contained in this TASK. For more data on these items refer to the SPM:
Method of Testing for Crack Indications,
Chemical Processes,
Surface Protection.
Preliminary Requirements
Pre-Conditions
NONESupport Equipment
NONEConsumables, Materials and Expendables
NONESpares
NONESafety Requirements
NONEProcedure
Clean the parts. Refer to TASK 72-41-15-100-000 (CLEANING-000).
SUBTASK 72-41-15-230-115 Examine the Stage 7 Rotor Blades for Cracks
Refer to Figure.
Repair, VRS6013 TASK 72-41-15-300-005 (REPAIR-005).
More than in Step
Nicks or dents.
Accept.
If stylus does not hesitate or catch along the airfoil chord.
Reject.
If stylus hesitates or catches on the airfoil chord.
Along the Airfoil Chord - Inspect with SPM TASK 70-21-00-220-501 with a 0.020 in. (0.50 mm) radius stylus.
Reject.
Along the span of the airfoil surface.
Scored.
SUBTASK 72-41-15-220-345 Examine the Stage 7 Rotor Blades Concave and Convex Airfoil Surfaces at Locations 1 and 2
Refer to Figure.
Repair, VRS6150 TASK 72-41-15-300-040 (REPAIR-040).
Mean surface finish greater than 16 microinches (0.40 micrometers).
SUBTASK 72-41-15-220-346-001 Examine the Stage 7 Rotor Blades Concave and Convex Airfoil Surface Finish at Locations 1 and 2, Platform at Location 8 and Root Radius at Location 9 (Pre SBE 70-0714, SBE 70-0726 and SBE 72-0471)
Refer to Figure.
Repair, VRS6150 TASK 72-41-15-300-040 (REPAIR-040).
Mean surface finish greater than 10 microinches (0.25micrometers).
Mean surface finish of 10 microinches (0.25 micrometers) or less.
SUBTASK 72-41-15-220-346-002 Examine the Stage 7 Rotor Blades Concave and Convex Airfoil Surface Finish at Locations 1 and 2 (SBE 72-0560 and/or SBE 70-1006)
Refer to Figure.
Repair, VRS6013 TASK 72-41-15-300-005 (REPAIR-005).
Cracked.
Repair, VRS6013 TASK 72-41-15-300-005 (REPAIR-005).
More than in Step.
Nicks or dents.
Repair, VRS6013 TASK 72-41-15-300-005 (REPAIR-005).
Eroded.
SUBTASK 72-41-15-220-347 Examine the Stage 7 Rotor Blades Leading Edge at Location 3
Refer to Figure.
Repair, VRS6013 TASK 72-41-15-300-005 (REPAIR-005).
More than in Step.
Nicks or dents
Repair, VRS6013 TASK 72-41-15-300-005 (REPAIR-005).
Eroded.
SUBTASK 72-41-15-220-348 Examine the Stage 7 Rotor Blades Trailing Edge at Location 4
Refer to Figure.
Repair, VRS6053 TASK 72-41-15-300-015 (REPAIR-015) or Repair, VRS6534 TASK 72-41-15-300-055 (REPAIR-055).
Cracked.
Within the limits in TASK 72-41-10-040-001-B00 (DISASSEMBLY-001) or TASK 72-41-10-040-001-C00 (DISASSEMBLY-001).
Repair, VRS6053 TASK 72-41-15-300-015 (REPAIR-015) or Repair, VRS6534 TASK 72-41-15-300-055 (REPAIR-055).
Identified as too short in TASK 72-41-10-040-001-B00 (DISASSEMBLY-001) or TASK 72-41-10-040-001-C00 (DISASSEMBLY-001).
Rubbed or worn.
NOTE
This is an alternative to Step. If measurements taken during limits from disassembly (TASK 72-41-10-040-001-B00 or TASK 72-41-10-040-001-C00) have not been supplied, Step. can be skipped.
SUBTASK 72-41-15-220-349 Examine the Stage 7 Rotor Blades Tips at Location 1050
Refer to Figure.
Accept.
If stylus does not hesitate or catch.
Reject.
If stylus hesitates or catches.
Inspect with SPM TASK 70-21-00-220-501 with a 0.020 in. (0.50 mm) radius stylus.
Scored.
More than in Step.
Galled.
Accept.
If stylus does not hesitate or catch and the imperfection does not display sharp edges, raised material, burrs, or a dark bottom.
Reject.
If stylus hesitates or catches, the imperfection displays sharp edges, raised material, burrs, or a dark bottom or the imperfection is located on the bedding area (pressure face).
Imperfections - Inspect with SPM TASK 70-21-00-220-501 with a 0.020 in. (0.50 mm) radius stylus.
Accept.
If stylus does not hesitate or catch and the nick or dent does not display sharp edges, raised material, or burrs.
Reject.
If stylus hesitates or catches, the nick or dent displays sharp edges, raised material, burrs, or the nick or dent is located on the bedding area (pressure face).
Nicks or dents - Inspect with SPM TASK 70-21-00-220-501 with a 0.020 in. (0.50 mm) radius stylus.
SUBTASK 72-41-15-220-350 Examine the Stage 7 Rotor Blades Dovetail at Location 5 (All Remaining Faces and/or Areas on Dovetail Excluding the Dovetail End Faces and Corners Addressed in Step)
NOTE
Damage of any kind is not allowed on the bedding areas (pressure faces) of the dovetail other than what is permitted in Step.Refer to Figure.
More than in Step.
Galled.
Accept.
If stylus does not hesitate or catch.
Reject.
If stylus hesitates or catches.
Scored - Inspect with SPM TASK 70-21-00-220-501 with a 0.020 in. (0.50 mm) radius stylus.
Accept.
If stylus does not hesitate or catch and the imperfection does not display sharp edges, raised material, burrs, or a dark bottom.
Reject.
If stylus hesitates or catches, the imperfection displays sharp edges, raised material, burrs, or a dark bottom.
Imperfections - Inspect with SPM TASK 70-21-00-220-501 with a 0.020 in. (0.50 mm) radius stylus.
Accept.
If stylus does not hesitate or catch and the nick or dent does not display sharp edges, raised material, or burrs.
Reject.
If stylus hesitates or catches, the nick or dent displays sharp edges, raised material, or burrs.
Nicks or dents - Inspect with SPM TASK 70-21-00-220-501 with a 0.020 in. (0.50 mm) radius stylus.
SUBTASK 72-41-15-220-351 Examine the Stage 7 Rotor Blades Cheeks at Locations 6 and 7
Refer to Figure.
More than in Step.
On top/gas washed face of the platform.
Accept.
If stylus does not hesitate or catch and the nick or dent does not display sharp edges, raised material, or burrs.
Reject.
If stylus hesitates or catches, the nick or dent displays sharp edges, raised material, or burrs.
On the bottom/non-gas washed face of the platform - Inspect with SPM TASK 70-21-00-220-501 with a 0.020 in. (0.50 mm) radius stylus.
Nicks or dents.
Accept.
If stylus does not hesitate or catch on the platform surface.
Reject.
If stylus hesitates or catches on the platform surface.
On top/gas washed face of the platform - Inspect with SPM TASK 70-21-00-220-501 with a 0.020 in. (0.50 mm) radius stylus.
Reject.
If stylus hesitates or catches on the platform surface or the criteria in Step is not maintained.
On the bottom/non-gas washed face of the platform - Inspect with SPM TASK 70-21-00-220-501 with a 0.020 in. (0.50 mm) radius stylus.
Scored.
Accept.
If stylus does not hesitate or catch and the imperfection does not display sharp edges, raised material, burrs, or a dark bottom.
Reject.
If stylus hesitates or catches, the imperfection displays sharp edges, raised material, burrs, or a dark bottom.
On the bottom/non-gas washed face of the platform - Inspect with SPM TASK 70-21-00-220-501 with a 0.020 in. (0.50 mm) radius stylus.
Imperfections.
SUBTASK 72-41-15-220-352 Examine the Stage 7 Rotor Blades Platform at Location 8
Refer to Figure.
Repair, VRS6150 TASK 72-41-15-300-040 (REPAIR-040).
Mean surface finish greater than 16 microinches (0.40 micrometers).
SUBTASK 72-41-15-220-429 Examine the Stage 7 Rotor Blades Platform Surface Finish at Location 8 (SBE 72-0560 and/or SBE 70-1006)
Refer to Figure.
Repair, VRS6013 TASK 72-41-15-300-005 (REPAIR-005).
More than in Step.
Nicks or dents.
Accept.
If stylus does not hesitate or catch along the chord.
Reject.
If stylus hesitates or catches on the chord.
Inspect with SPM TASK 70-21-00-220-501 with a 0.020 in. (0.50 mm) radius stylus.
Scored.
Accept.
If stylus does not hesitate or catch and the imperfection does not display sharp edges, raised material, burrs, or a dark bottom.
Reject.
If stylus hesitates or catches, the imperfection displays sharp edges, raised material, burrs, or a dark bottom.
Imperfections - Inspect with SPM TASK 70-21-00-220-501 with a 0.020 in. (0.50 mm) radius stylus.
SUBTASK 72-41-15-220-353 Examine the Stage 7 Rotor Blades Root Radius at Location 9
Refer to Figure.
SUBTASK 72-41-15-220-355 Examine the Stage 7 Rotor Blades Chordal Checks
Repair, VRS6053 TASK 72-41-15-300-015 (REPAIR-015) or Repair, VRS6534 TASK 72-41-15-300-055 (REPAIR-055).
Between 1.7730 in. and 1.7970 in. (45.034 and 45.644 mm).
Less than the minimum repair limit given in Repair, VRS6053 TASK 72-41-15-300-015 (REPAIR-015) or Repair, VRS6534 TASK 72-41-15-300-055 (REPAIR-055).
SUBTASK 72-41-15-220-467 Examine the Stage 7 Rotor Blades, Length Checks
NOTE
This is an alternative to measurements taken during disassembly (TASK 72-41-10-040-001-B00 or TASK 72-41-10-040-001-C00). If Step. has been accomplished, Step can be skipped.Refer to Figure.
Accept.
If stylus does not hesitate or catch.
Reject.
If stylus hesitates or catches.
Scored - Inspect with SPM TASK 70-21-00-220-501 with a 0.020 in. (0.50 mm) radius stylus.
Accept.
If stylus does not hesitate or catch and the imperfection does not display sharp edges, raised material, burrs, or a dark bottom.
Reject.
If stylus hesitates or catches, the imperfection displays sharp edges, raised material, burrs, or a dark bottom.
Imperfections - Inspect with SPM TASK 70-21-00-220-501 with a 0.020 in. (0.50 mm) radius stylus.
Accept.
If stylus does not hesitate or catch and the nick or dent does not display sharp edges, raised material, or burrs.
Reject.
If stylus hesitates or catches, the nick or dent displays sharp edges, raised material, or burrs.
Nicks and dents - Inspect with SPM TASK 70-21-00-220-501 with a 0.020 in. (0.50 mm) radius stylus.
SUBTASK 72-41-15-220-618 Examine the Stage 7 Rotor Blades Front and Rear Lip at Location 17
Repair, VRS6496 TASK 72-41-15-300-050 (REPAIR-050).
Apply the dry film lubricant to the blade dovetail.
SUBTASK 72-41-15-380-129 Replace the Dry Film Lubricant
Refer to the SPM TASK 70-35-03-300-501 to remove score. Repair corner radius equal to adjacent edges which are not repaired.
Not more than 0.002 in. (0.05 mm) in depth.
Location 12 (bottom edge radii) - 0.039 in. (1.00 mm) margin to bottom face.
Polish to remove score 1x depth. Refer to the SPM TASK 70-35-03-300-501. Do not polish into neck edge radius (Location 14).
Not more than 0.002 in. (0.05 mm) in depth.
Location 15 (under platform fillet radius) - 0.067 in. plus or minus 0.008 in. (1.70 mm plus or minus 0.20 mm).
NOTE
Deleted.Scored
SUBTASK 72-41-15-220-598 Examine the Stage 7 Rotor Blade Dovetail End Faces and Corners
Refer to Figure.
Refer to the SPM TASK 70-35-03-300-501 to remove score. Repair corner radius equal to adjacent edges which are not repaired.
Location 12 (bottom edge radii).
Do the identification marking again if removed by Step.
SUBTASK 72-41-15-220-599 Examine the Stage 7 Rotor Blade Part Marking and Repair Symbol Location
Figure: Stage 7 Rotor Blades - Inspection Locations And Orientation
Stage 7 Rotor Blades - Inspection Locations And Orientation

Figure: Stage 7 Rotor Blades - Chordal Checks
Stage 7 Rotor Blades - Chordal Checks

Figure: Pre SBE 72-0560: Stage 7 Rotor Blades - Measure Length "X"
Pre SBE 72-0560: Stage 7 Rotor Blades - Measure Length "X"

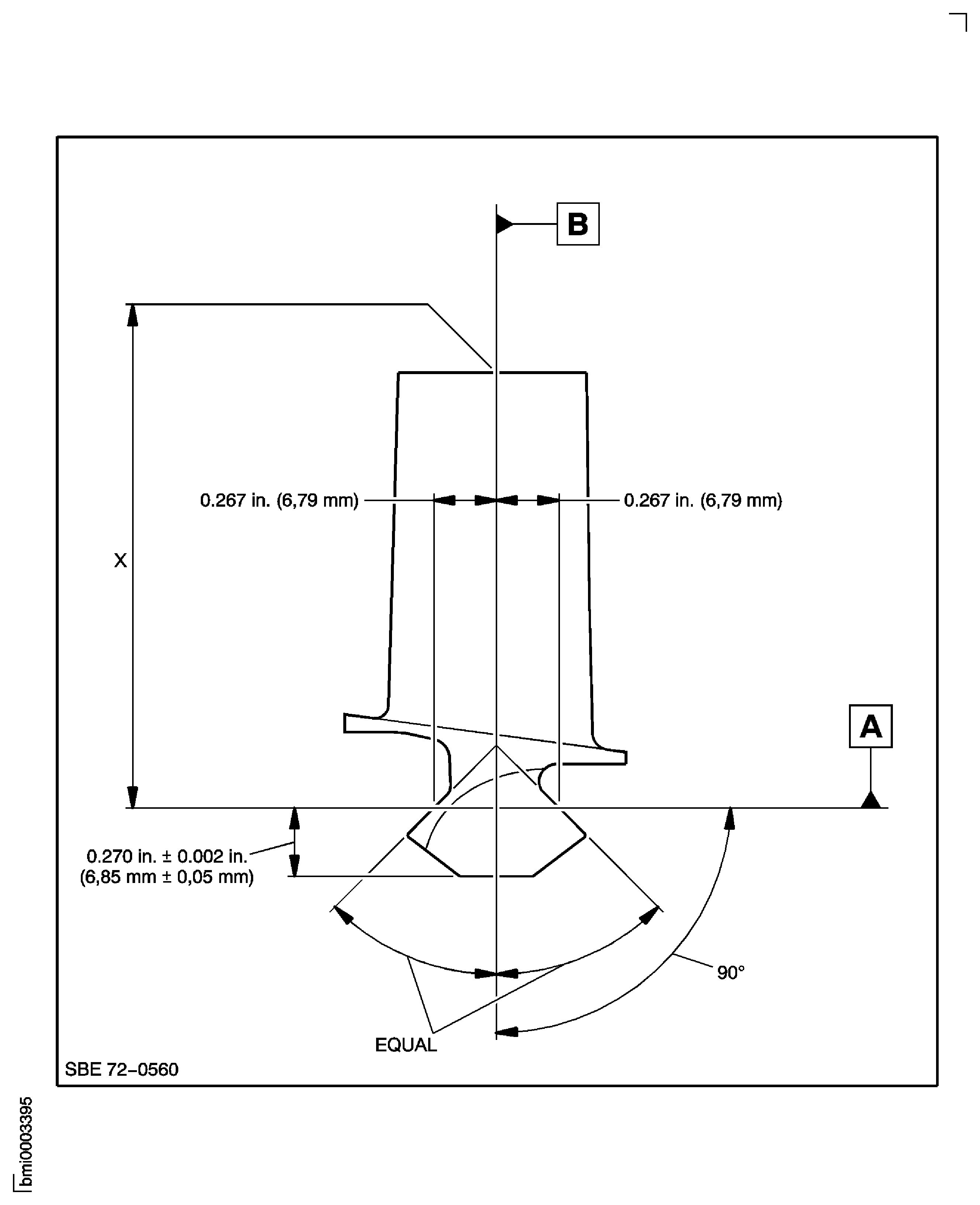
Figure: SBE 72-0560: Stage 7 Rotor Blades - Measure Length "X"
SBE 72-0560: Stage 7 Rotor Blades - Measure Length "X"

Figure: Stage 7 Rotor Blade - Dovetail End Faces and Corners
Sheet 1

Figure: Stage 7 Rotor Blade - Dovetail End Faces and Corners
Sheet 2

Figure: Stage 7 Rotor Blade - Dovetail End Faces and Corners
Sheet 3

