Export Control
EAR Export Classification: Not subject to the EAR per 15 C.F.R. Chapter 1, Part 734.3(b)(3), except for the following Service Bulletins which are currently published as EAR Export Classification 9E991: SBE70-0992, SBE72-0483, SBE72-0580, SBE72-0588, SBE72-0640, SBE73-0209, SBE80-0024 and SBE80-0025.Copyright
© IAE International Aero Engines AG (2001, 2014 - 2021) The information contained in this document is the property of © IAE International Aero Engines AG and may not be copied or used for any purpose other than that for which it is supplied without the express written authority of © IAE International Aero Engines AG. (This does not preclude use by engine and aircraft operators for normal instructional, maintenance or overhaul purposes.).Applicability
All
Common Information
TASK 72-42-20-200-113 No. 4 Bearing Compartment Cooling Air Tube - Examine, Inspection-013
General
This TASK gives the procedure for the inspection of the No. 4 bearing cooling tube. For the other part of the No. 4 bearing compartment tubes, refer to Inspection-000 TASK 72-42-20-200-100.
Fig/item numbers in parentheses in the procedure agree with those used in the IPC.
The policy that is necessary for inspection is given in SPM TASK 70-20-01-200-501.
All the parts must be cleaned before any part is examined. Refer to the SPM TASK 70-10-00-100-501.
All parts must be visually examined for damage, corrosion and wear. Any defects that are not identified in the procedure must be referred to IAE.
The procedure for those parts which must have a crack test is given in Step and Step. Do the test before the part is visually examined.
Do not discard any part until you are sure there are no repairs available. Refer to the instructions in Repair before a discarded part is used again or oversize parts are installed.
Parts which should be discarded can be held although no repair is available. The repair of a discarded part could be shown to be necessary at a later date.
All parts must be examined to make sure that all the repairs have been completed satisfactorily.
The practices and processes referred to in the procedure by the TASK numbers are in the SPM.
References
Refer to the SPM for data on these items:
Definitions of Damage, SPM TASK 70-02-02-350-501.
Inspection of Parts, SPM TASK 70-20-01-200-501.
Some data on these items is contained in this TASK. For more data on these items refer to the SPM.
Method of Testing for Crack Indications
Chemical Processes
Surface Protection
Preliminary Requirements
Pre-Conditions
NONESupport Equipment
| Name | Manufacturer | Part Number / Identification | Quantity | Remark |
|---|---|---|---|---|
| IAE 2P16367 Pressure test adapter | 0AM53 | IAE 2P16367 | 1 off | |
| IAE 2P16255 Pressure test plug | 0AM53 | IAE 2P16255 | 1 off |
Consumables, Materials and Expendables
NONESpares
NONESafety Requirements
NONEProcedure
Clean the part. Refer to Cleaning-000 TASK 72-42-20-100-100.
Reject
Cracked
No. 4 bearing cooling tube. Refer to SPM TASK 70-23-02-230-501
Do the test for cracks on the part that is given below. Use the applicable penetrant procedures. Carefully examine the heat shields.
SUBTASK 72-42-20-230-056-002 Examine the No. 4 Bearing Cooling Tubes (05-020) for Cracks
Refer to Figure.
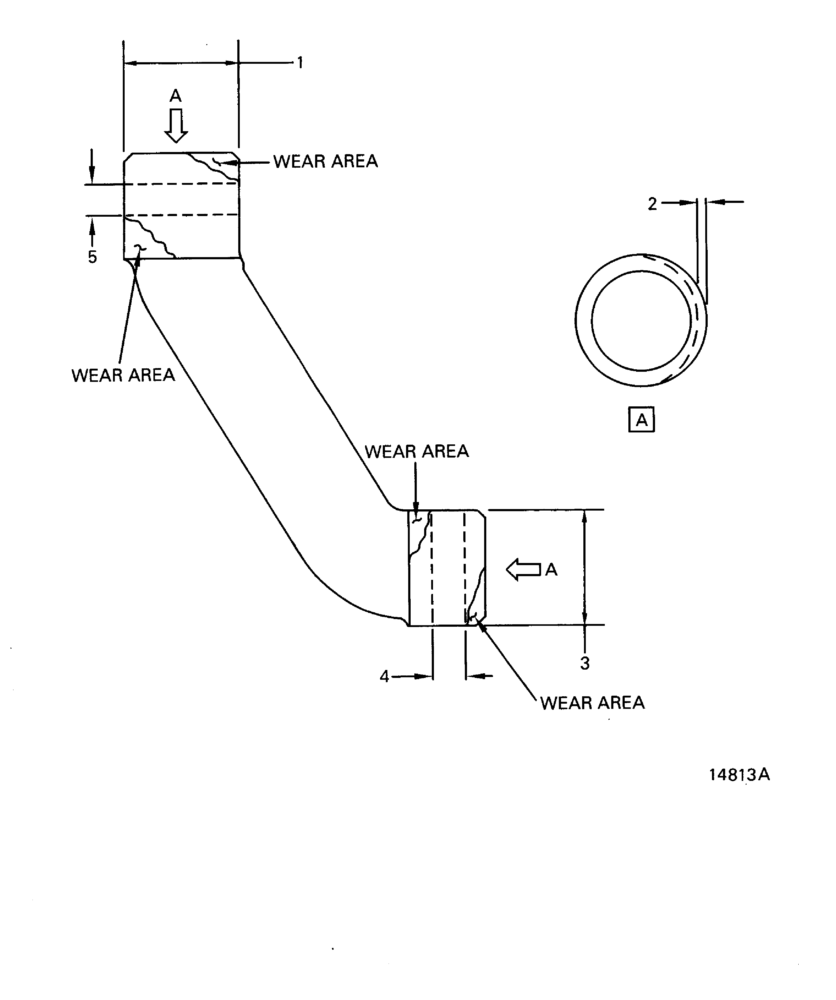
Examine the tube at locations 1 and 2 for damage and wear.
Repair, VRS3643 (Repair-017) TASK 72-42-20-300-017 or Repair, VRS3746 (Repair-022) TASK 72-42-20-300-022.
If there is high metal or wear in the sealing area at location 1 or in the seal ring groove at location 2.
Accept
If the surface finish in the sealing area at location 1 is the finish given in Figure, there must be no axial wear grooves.
Repair, VRS3643 (Repair-017) TASK 72-42-20-300-017 or Repair, VRS3746 (Repair-022) TASK 72-42-20-300-022.
NOTE
If VRS3579 is used for repair and the damage present once a diameter at location 1 is 0.540 in. (13.72 mm) then VRS3579 cannot be used and repair must be made with VRS3643.
Other than Step.
Surface finish
SUBTASK 72-42-20-220-056 Examine the No. 4 Bearing Cooling Tube (05-020) for Damage and Wear
Repair, VRS3023 (Repair-003) TASK 72-42-20-300-003 or Repair, VRS3746 (Repair-022) TASK 72-42-20-300-022.
Other than Step.
Nicks
Repair, VRS3023 (Repair-003) TASK 72-42-20-300-003 or Repair, VRS3746 (Repair-022) TASK 72-42-20-300-022.
Other than Step.
Dents
Examine the tube for nicks and dents.
SUBTASK 72-42-20-220-057 Examine the No. 4 Bearing Cooling Tube (05-020) for Nicks and Dents
Refer to Figure.
Repair, VRS3022 (Repair-002) TASK 72-42-20-300-002 or Repair, VRS3746 (Repair-022) TASK 72-42-20-300-022.
Other than Step.
Dents
Repair, VRS3022 (Repair-002) TASK 72-42-20-300-002 or Repair, VRS3746 (Repair-022) TASK 72-42-20-300-022.
Wear that you can measure
Repair, VRS3022 (Repair-002) TASK 72-42-20-300-002 or Repair, VRS3746 (Repair-022) TASK 72-42-20-300-022.
Looseness
Examine the tube heat shield at location 3 for dents, wear and looseness.
SUBTASK 72-42-20-220-058 Examine the No. 4 Bearing Cooling Tube (05-020) Heat Shield for Dents, Wear and Looseness
Refer to Figure.
Examine the tube at location 4 for damaged threads on the nut.
Repair, VRS3435 (Repair-006) TASK 72-42-20-300-006.
Damaged threads
SUBTASK 72-42-20-220-059 Examine the No. 4 Bearing Cooling Tube (05-020) for Damaged Threads on the Nut
Install IAE 2P16367 Pressure test adapter 1 off onto the tube connector. Attach standard pressure test equipment to the adapter.
Install IAE 2P16255 Pressure test plug 1 off onto the opposite end of the tube.
Reject
Leaks
Do a hydraulic pressure test with water at 225 to 246 psig (1551.32 to 1696.11 kpa).
Remove the pressure test plug and the pressure test adapter from the ends of the tube.
SUBTASK 72-42-20-220-060 Examine the No. 4 Bearing Cooling Tube (05-020) for Leaks
Refer to Figure.
Repair, VRS3291 (Repair-005) TASK 72-42-20-300-005.
Other than Step.
Nicks
Repair, VRS3291 (Repair-005) TASK 72-42-20-300-005.
Other than Step.
Dents
Examine the tube at locations 1 and 3 for nicks and dents.
SUBTASK 72-42-20-220-061 Examine the No. 4 Bearing Cooling Tube (05-200) for Nicks and Dents
Refer to Figure.
Repair, VRS3576 MECH (Repair-015) TASK 72-42-20-300-015.
Wear
Repair, VRS3576 MECH (Repair-015) TASK 72-42-20-300-015.
Wear
Examine the tube at location 3 for wear on the outside diameter
Examine the tube at location 1 for wear on the outside diameter.
SUBTASK 72-42-20-220-062 Examine the No. 4 Bearing Cooling Tube (05-200) for Wear on the Outside Diameters
Clean the part. Refer to Cleaning-000 TASK 72-42-20-100-100.
Reject.
Cracked.
No. 4 bearing cooling tube. Refer to SPM TASK 70-23-02-230-501.
Do the test for cracks on the part that is given below. Use the applicable penetrant procedures.
SUBTASK 72-42-20-230-056-003 Examine the No. 4 Bearing Cooling Tubes (05-200) for Cracks
Figure: No. 4 Bearing Cooling Tube Inspection Locations
No. 4 Bearing Cooling Tube Inspection Locations

Figure: No. 4 Bearing Cooling Tube Inspection Locations
No. 4 Bearing Cooling Tube Inspection Locations

