Export Control
EAR Export Classification: Not subject to the EAR per 15 C.F.R. Chapter 1, Part 734.3(b)(3), except for the following Service Bulletins which are currently published as EAR Export Classification 9E991: SBE70-0992, SBE72-0483, SBE72-0580, SBE72-0588, SBE72-0640, SBE73-0209, SBE80-0024 and SBE80-0025.Copyright
© IAE International Aero Engines AG (2001, 2014 - 2021) The information contained in this document is the property of © IAE International Aero Engines AG and may not be copied or used for any purpose other than that for which it is supplied without the express written authority of © IAE International Aero Engines AG. (This does not preclude use by engine and aircraft operators for normal instructional, maintenance or overhaul purposes.).Applicability
All
Common Information
TASK 72-41-15-200-002-C00 HPC Stage 4 Rotor Blade - Examine, Inspection-002
General
This TASK gives the procedure for the inspection of the HP compressor stage 4 rotor blades.
Nicks and dents 0.005 in. (0.13 mm) or less are acceptable without limit to the airfoil and gas washed surface of the platforms.
Fig/item numbers in parentheses in the procedure agree with those given in the IPC. Only the primary Fig/item numbers are used. For the service bulletin alpha variants refer to the IPC.
The policy that is necessary for inspection is given in the SPM TASK 70-20-01-200-501.
All the parts must be cleaned before any part is examined.
All the parts must be visually examined for damage, corrosion and wear. Any defects that are not identified in the procedure must be referred to IAE.
The procedure for those parts which must have a crack test is given in Step. Do the crack test before the part is visually examined.
Do not discard any part until you are sure there are no repairs available. Refer to the instructions in repair before a discarded part is used again or oversize parts are installed.
Parts which must be discarded can be held although no repair is available. The repair of a discarded part can be shown to be necessary at a subsequent date.
All the parts must be examined to make sure that all the repairs have been completed satisfactorily.
The practices and processes referred to in the procedure by the TASK/SUBTASK number are in the SPM.
References
Refer to the SPM for data on these items:
Definition of Damage, SPM TASK 70-02-02-350-501,
Inspection of Parts, SPM TASK 70-20-01-200-501.
Some data on these items are contained in this TASK. For more data on these items refer to the SPM:
Method of Testing for Crack Indications,
Chemical Processes,
Surface Protection.
Preliminary Requirements
Pre-Conditions
NONESupport Equipment
NONEConsumables, Materials and Expendables
NONESpares
NONESafety Requirements
NONEProcedure
Clean the parts. Refer to TASK 72-41-15-100-000 (CLEANING-000).
SUBTASK 72-41-15-230-124 Examine the Stage 4 Rotor Blades for Cracks
Refer to Figure.
Repair, VRS6010 TASK 72-41-15-300-002 (REPAIR-002)
More than in Step
Nicks or dents
Repair, VRS6010 TASK 72-41-15-300-002 (REPAIR-002)
Eroded
Accept.
If stylus does not hesitate or catch along the airfoil chord.
Reject.
If stylus hesitates or catches on the airfoil chord.
Along the Airfoil Chord - Inspect with SPM TASK 70-21-00-220-501 with a 0.020 in. (0.50 mm) radius stylus.
Reject.
Along the span of the airfoil surface.
Scored.
SUBTASK 72-41-15-220-408 Examine the Stage 4 Rotor Blades Concave and Convex Airfoil Surfaces at Locations 1 and 2
Refer to Figure.
Repair, VRS6150 TASK 72-41-15-300-040 (Repair-040).
Mean surface finish greater than 16 microinches (0.40 micrometers).
SUBTASK 72-41-15-220-409 Examine the Stage 4 Rotor Blades Concave and Convex Airfoil Surface Finish at Locations 1 and 2, Platform at Location 8 and Root Radius at Location 9 (Pre SBE 72-0560)
Refer to Figure.
Repair, VRS6150 TASK 72-41-15-300-040 (Repair-040).
Mean surface finish greater than 10 microinches (0.25 micrometers).
SUBTASK 72-41-15-220-561 Examine the Stage 4 Rotor Blades Concave and Convex Airfoil Surface Finish at Locations 1 and 2 (SBE 72-0560)
Refer to Figure.
Repair, VRS6150 TASK 72-41-15-300-040 (Repair-040).
Mean surface finish greater than 16 microinches (0.40 micrometers).
SUBTASK 72-41-15-220-562 Examine the Stage 4 Rotor Blades Platform Surface Finish at Location 8 (SBE 72-0560)
Refer to Figure.
Repair, VRS6010 TASK 72-41-15-300-002 (REPAIR-002)
Cracked
Repair, VRS6010 TASK 72-41-15-300-002 (REPAIR-002)
More than in Step
Nicks or dents
Repair, VRS6010 TASK 72-41-15-300-002 (REPAIR-002)
Eroded
SUBTASK 72-41-15-220-410 Examine the Stage 4 Rotor Blades Leading Edge at Location 3
Refer to Figure.
Repair, VRS6010 TASK 72-41-15-300-002 (REPAIR-002).
More than in Step.
Nicks or dents.
Repair, VRS6010 TASK 72-41-15-300-002 (REPAIR-002).
Eroded.
SUBTASK 72-41-15-220-411 Examine the Stage 4 Rotor Blades Trailing Edge at Location 4
Refer to Figure.
Repair, VRS6050 TASK 72-41-15-300-012 (REPAIR-012) or Repair, VRS6534 TASK 72-41-15-300-055 (REPAIR-055).
Cracked.
In the limits of TASK 72-41-10-040-001-B00 (DISASSEMBLY-001) or TASK 72-41-10-040-001-C00 (DISASSEMBLY-001).
Repair, VRS6050 TASK 72-41-15-300-012 (REPAIR-012) or Repair, VRS6534 TASK 72-41-15-300-055 (REPAIR-055).
Identified as too short in TASK 72-41-10-040-001-B00 (DISASSEMBLY-001) or TASK 72-41-10-040-001-C00 (DISASSEMBLY-001).
Rubbed or worn.
NOTE
This is an alternative to Step. If measurements taken during limits from disassembly (TASK 72-41-10-040-001-B00 or TASK 72-41-10-040-001-C00) have not been supplied, Step can be skipped.
SUBTASK 72-41-15-220-412 Examine the Stage 4 Rotor Blades Tips at Location 1047
Refer to Figure.
SUBTASK 72-41-15-220-413 Examine the Stage 4 Rotor Blades Groove at Location 1012
Refer to Figure.
Reject.
If stylus hesitates or catches.
Scored - Inspect with SPM TASK 70-21-00-220-501 with a 0.020 in. (0.50 mm) radius stylus.
Accept.
If stylus does not hesitate or catch and the imperfection does not display sharp edges, raised material, burrs, or a dark bottom.
Reject.
If stylus hesitates or catches, the imperfection displays sharp edges, raised material, burrs, or a dark bottom.
Imperfections - Inspect with SPM TASK 70-21-00-220-501 with a 0.020 in. (0.50 mm) radius stylus.
Accept.
If stylus does not hesitate or catch and the nick or dent does not display sharp edges, raised material, or burrs.
Reject.
If stylus hesitates or catches, the nick or dent displays sharp edges, raised material, or burrs.
Nicks and dents - Inspect with SPM TASK 70-21-00-220-501 with a 0.020 in. (0.50 mm) radius stylus.
SUBTASK 72-41-15-220-414 Examine the Stage 4 Rotor Blades Dovetail at Location 5 (All Other Remaining Faces and/or Areas on Dovetail Excluding the Areas Addressed in Step)
Refer to Figure.
Accept.
If stylus does not hesitate or catch.
Reject.
If stylus hesitates or catches.
Scored - Inspect with SPM TASK 70-21-00-220-501 with a 0.020 in. (0.50 mm) radius stylus.
Accept.
If stylus does not hesitate or catch and the imperfection does not display sharp edges, raised material, burrs, or a dark bottom.
Reject.
If stylus hesitates or catches, the imperfection displays sharp edges, raised material, burrs, or a dark bottom.
Imperfections - Inspect with SPM TASK 70-21-00-220-501 with a 0.020 in. (0.50 mm) radius stylus.
Accept.
If stylus does not hesitate or catch and the nick or dent does not display sharp edges, raised material, or burrs.
Reject.
If stylus hesitates or catches, the nick or dent displays sharp edges, raised material, or burrs.
Nicks and dents - Inspect with SPM TASK 70-21-00-220-501 with a 0.020 in. (0.50 mm) radius stylus.
Location 11 - dovetail shank.
SUBTASK 72-41-15-220-415 Examine the Stage 4 Rotor Blades Dovetail at Locations 10 and 11
NOTE
Damage of any kind is not allowed on the bedding area (also known as the pressure face) of the dovetail.Refer to Figure.
Accept.
If stylus does not hesitate or catch.
Reject.
If stylus hesitates or catches.
Scored - Inspect with SPM TASK 70-21-00-220-501 with a 0.020 in. (0.50 mm) radius stylus.
Accept.
If stylus does not hesitate or catch and the imperfection does not display sharp edges, raised material, burrs, or a dark bottom.
Reject.
If stylus hesitates or catches, the imperfection displays sharp edges, raised material, burrs, or a dark bottom.
Imperfections - Inspect with SPM TASK 70-21-00-220-501 with a 0.020 in. (0.50 mm) radius stylus.
Accept.
If stylus does not hesitate or catch and the nick or dent does not display sharp edges, raised material, or burrs.
Reject.
If stylus hesitates or catches, the nick or dent displays sharp edges, raised material, or burrs.
Nicks and dents - Inspect with SPM TASK 70-21-00-220-501 with a 0.020 in. (0.50 mm) radius stylus.
SUBTASK 72-41-15-220-416 Examine the Stage 4 Rotor Blades Cheeks at Locations 6 and 7
Refer to Figure.
Reject.
If stylus hesitates or catches on the platform surface or the criteria in Step is not maintained.
Scored - Inspect with SPM TASK 70-21-00-220-501 with a 0.020 in. (0.50 mm) radius stylus.
Accept.
If stylus does not hesitate or catch and the imperfection does not display sharp edges, raised material, burrs, or a dark bottom.
Reject.
If stylus hesitates or catches, the imperfection displays sharp edges, raised material, burrs, or a dark bottom.
Imperfections - Inspect with SPM TASK 70-21-00-220-501 with a 0.020 in. (0.50 mm) radius stylus.
Accept.
If stylus does not hesitate or catch and the nick or dent does not display sharp edges, raised material, or burrs.
Reject.
If stylus hesitates or catches, the nick or dent displays sharp edges, raised material, or burrs.
Nicks and dents - Inspect with SPM TASK 70-21-00-220-501 with a 0.020 in. (0.50 mm) radius stylus.
SUBTASK 72-41-15-220-614 Examine the Stage 4 Rotor Blades Front and Rear Lip at Location 12
Refer to Figure.
More than in Step.
On top/gas washed face of the platform.
Accept.
If stylus does not hesitate or catch and the nick or dent does not display sharp edges, raised material, or burrs.
Reject.
If stylus hesitates or catches, the nick or dent displays sharp edges, raised material, or burrs.
On the bottom/non-gas washed face of the platform - Inspect with SPM TASK 70-21-00-220-501 with a 0.020 in. (0.50 mm) radius stylus
Nicks or dents
Accept.
If stylus does not hesitate or catch on the platform surface.
Reject.
If stylus hesitates or catches on the platform surface.
On top/gas washed face of the platform - Inspect with SPM TASK 70-21-00-220-501 with a 0.020 in. (0.50 mm) radius stylus.
Reject.
If stylus hesitates or catches on the platform surface or the criteria in Step is not maintained.
On the bottom/non-gas washed face of the platform - Inspect with SPM TASK 70-21-00-220-501 with a 0.020 in. (0.50 mm) radius stylus.
Scored.
Accept.
If stylus does not hesitate or catch and the imperfection does not display sharp edges, raised material, burrs, or a dark bottom.
Reject.
If stylus hesitates or catches, the imperfection displays sharp edges, raised material, burrs, or a dark bottom.
On the bottom/non-gas washed face of the platform - Inspect with SPM TASK 70-21-00-220-501 with a 0.020 in. (0.50 mm) radius stylus.
Imperfections
SUBTASK 72-41-15-220-417 Examine the Stage 4 Rotor Blades Platform at Location 8
Refer to Figure.
Reject
More than in Step.
Nicks or dents
Accept.
If stylus does not hesitate or catch along the chord.
Reject.
If stylus hesitates or catches on the chord.
Inspect with SPM TASK 70-21-00-220-501 with a 0.020 in. (0.50 mm) radius stylus.
Scored.
Accept.
If stylus does not hesitate or catch and the imperfection does not display sharp edges, raised material, burrs, or a dark bottom.
Reject.
If stylus hesitates or catches, the imperfection displays sharp edges, raised material, burrs, or a dark bottom.
Imperfections - Inspect with SPM TASK 70-21-00-220-501 with a 0.020 in. (0.50 mm) radius stylus.
SUBTASK 72-41-15-220-418 Examine the Stage 4 Rotor Blades Root Radius at Location 9
Refer to Figure.
SUBTASK 72-41-15-220-419 Examine the Stage 4 Rotor Blades Chordal Checks
Refer to Figure.
Repair, VRS6050 TASK 72-41-15-300-012 (REPAIR-012) or Repair, VRS6534 TASK 72-41-15-300-055 (REPAIR-055).
Between 4.4160 in. and 4.4470 in. (112.180 mm and 112.954 mm).
Less than the minimum repair limit given in Repair, VRS6050 TASK 72-41-15-300-012 (REPAIR-012) or Repair, VRS6534 TASK 72-41-15-300-055 (REPAIR-055).
SUBTASK 72-41-15-220-464 Examine the Stage 4 Rotor Blades, Length Checks
NOTE
This is an alternative to measurements taken during disassembly (TASK 72-41-10-040-001-B00 or TASK 72-41-10-040-001-C00). If Step has been accomplished, Step can be skipped.Repair, VRS6486 TASK 72-41-15-300-046 (REPAIR-046)
Apply the dry film lubricant to the blade dovetail
SUBTASK 72-41-15-380-139 Apply the Dry Film Lubricant to the Stage 4 Rotor Blades Dovetails
Repair, VRS6214 TASK 72-41-15-300-031 (REPAIR-031)
Replace the blade sealing strip
SUBTASK 72-41-15-350-057 Replace the Sealing Strip on to the Stage 4 Rotor Blades
Figure: Stage 4 Rotor Blades - Inspection Locations and Orientation
Stage 4 Rotor Blades - Inspection Locations And Orientation

Figure: Stage 4 Rotor Blades - Inspection Locations and Orientation
Stage 4 Rotor Blades - Inspection Locations and Orientation

Figure: Stage 4 Rotor Blades - Chordal Checks
Stage 4 Rotor Blades - Chordal Checks

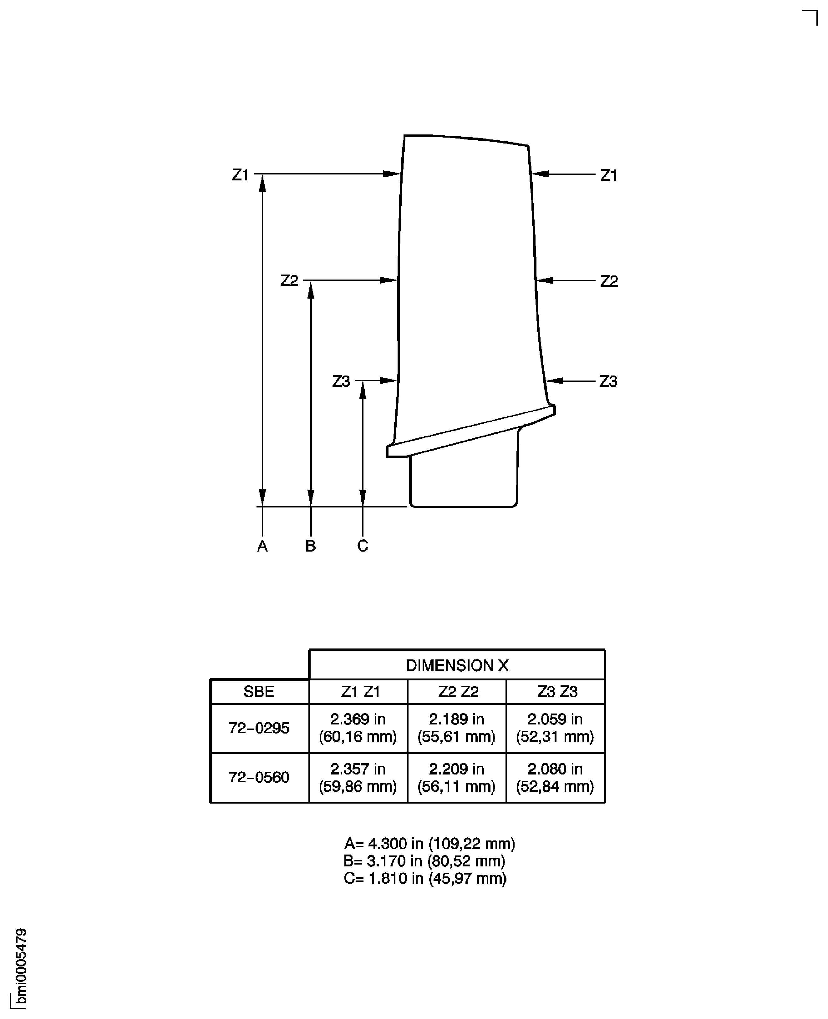
Figure: Stage 4 Rotor Blades - Measure Length X
Stage 4 Rotor Blades - Measure Length X

