Export Control
EAR Export Classification: Not subject to the EAR per 15 C.F.R. Chapter 1, Part 734.3(b)(3), except for the following Service Bulletins which are currently published as EAR Export Classification 9E991: SBE70-0992, SBE72-0483, SBE72-0580, SBE72-0588, SBE72-0640, SBE73-0209, SBE80-0024 and SBE80-0025.Copyright
© IAE International Aero Engines AG (2001, 2014 - 2021) The information contained in this document is the property of © IAE International Aero Engines AG and may not be copied or used for any purpose other than that for which it is supplied without the express written authority of © IAE International Aero Engines AG. (This does not preclude use by engine and aircraft operators for normal instructional, maintenance or overhaul purposes.).Applicability
All
Common Information
TASK 72-60-24-200-001 PMA Drive Housing - Examine, Inspection-001
General
This TASK gives the procedure for the inspection of the PMA drive housing. For the other parts of the extension layshaft gear assembly, refer to TASK 72-60-24-200-000.
Fig/item numbers in parentheses in the procedure agree with those used in the IPC.
The policy that is necessary for inspection is given in the SPM TASK 70-20-01-200-501.
All the parts must be cleaned before any part is examined. Refer to the SPM TASK 70-11-03-300-503.
All parts must be visually examined for damage, corrosion and wear. Any defects that are not identified in the procedure must be referred to IAE.
The procedure for those parts which must have a crack test is given in the SPM TASK 70-23-00-230-501. Do the test before the part is visually examined. Limits for cracks are given in the SUBTASK for each part.
A ** following repair referenced in this inspection indicates that the repair is not yet published in the current revision of the manual and the part must be rejected. Contact IAE for additional information concerning FAA approved repair date.
Do not discard any part until you are sure there are no repairs available. Refer to the instructions in Repair before a discarded part is used again or oversize parts are installed.
Parts which should be discarded can be held although no repair is available. The repair of a discarded part could be shown to be necessary at a later date.
All parts must be examined to make sure that all the repairs have been completed satisfactorily.
The practices and processes referred to in the procedure by the TASK numbers are in the SPM.
References
Refer to the SPM for data on these items:
Definitions of Damage, SPM TASK 70-02-02-350-501
Record and Control of the Lives of Parts, SPM TASK 70-05-00-220-501
Inspection of Parts, SPM TASK 70-20-00-200-501
Some data on these items is contained in this TASK. For more data on these items refer to the SPM:
Method of Testing for Crack Indications,
Chemical Processes,
Surface Protection.
Preliminary Requirements
Pre-Conditions
NONESupport Equipment
| Name | Manufacturer | Part Number / Identification | Quantity | Remark |
|---|---|---|---|---|
| Workshop inspection equipment | LOCAL | Workshop inspection equipment | ||
| FPI inspection station | LOCAL | FPI inspection station | ||
| Tridimensional measuring unit | LOCAL | Tridimensional measuring unit |
Consumables, Materials and Expendables
NONESpares
NONESafety Requirements
NONEProcedure
Clean the parts. Refer to TASK 72-60-24-100-000.
SUBTASK 72-60-24-230-051 Do a Crack Test on the PMA Drive Housing (01-180) (Fluorescent Penetrant)
Repair VRS5070, TASK 72-60-24-300-001 (REPAIR-001)
More than Step
Nicks, scores, dents or scratches.
SUBTASK 72-60-24-220-117 Examine the PMA Drive Housing (72-60-24,01-180) Rough Surfaces at Location 1
Repair VRS5070, TASK 72-60-24-300-001 (REPAIR-001)
More than Step
Nicks, scores, dents or scratches.
SUBTASK 72-60-24-220-061 Examine the PMA Drive Housing (72-60-24,01-180) Machined Seal Surfaces at Location 2
Repair VRS5070, TASK 72-60-24-300-001 (REPAIR-001)
More than Step
Nicks, scores, dents or scratches.
SUBTASK 72-60-24-220-062 Examine the PMA Drive Housing (72-60-24,01-180) Machined not Seal Surfaces at Locations 3
Repair VRS5071, TASK 72-60-24-300-002 (REPAIR-002)
More than 0.0138 in. (0.350 mm) each 3.937 in. (100.00 mm). No axial movement is permitted (moved by hand)
Perpendicularity.
Repair VRS5071, TASK 72-60-24-300-002 (REPAIR-002)
Thread damaged or not there
SUBTASK 72-60-24-220-063 Examine the PMA Drive Housing (72-60-24,01-180) Studs and Lockrings
Repair VRS5699,TASK 72-60-24-300-015 (REPAIR-015)
Loose, missing or with internal thread damaged
SUBTASK 72-60-24-220-118 Examine the PMA Drive Housing (72-60-24,01-180) Helicoil Inserts (SBE 72-0492)
Repair VRS5076, TASK 72-60-24-300-007 (REPAIR-007)
More than Step
Parallelism.
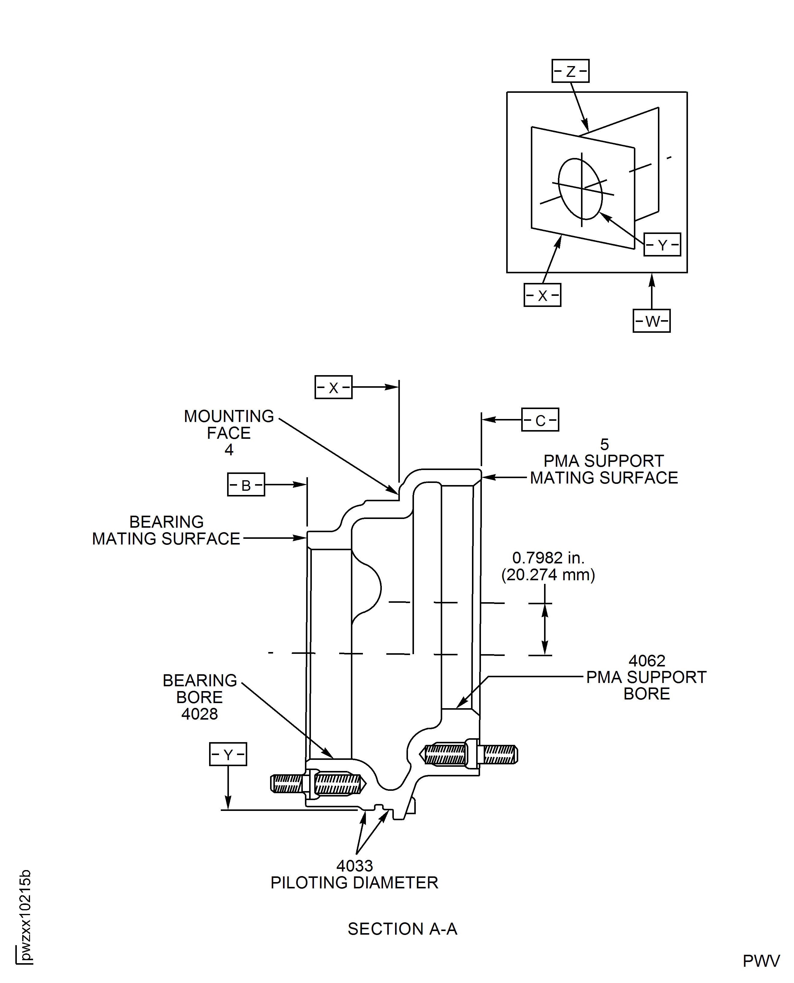
SUBTASK 72-60-24-220-064 Examine the PMA Drive Housing (72-60-24,01-180) Mounting Face at Location 4
Repair VRS5072, TASK 72-60-24-300-003 (REPAIR-003)
More than Step
Parallelism.
SUBTASK 72-60-24-220-065 Examine the PMA Drive Housing (72-60-24,01-180) PMA Support Mating Surface at Location 5
Repair VRS5075, TASK 72-60-24-300-006 (REPAIR-006)
More than 3.1904 in. (81.035 mm)
Diameter.
Repair VRS5075, TASK 72-60-24-300-006 (REPAIR-006)
More than Step
True position.
SUBTASK 72-60-24-220-066 Examine the PMA Drive Housing (72-60-24,01-180) PMA Support Bore at Location 4062
Repair VRS5077, TASK 72-60-24-300-008 (REPAIR-008)
Less than 4.3293 in. (109.965 mm)
Diameter.
SUBTASK 72-60-24-220-067 Examine the PMA Drive Housing (72-60-24,01-180) Piloting Diameter at Location 4033
Repair VRS5074, TASK 72-60-24-300-005 (REPAIR-005)
More than 2.9529 in. (75.004 mm)
Diameter.
Repair VRS5074, TASK 72-60-24-300-005 (REPAIR-005)
More than Step
True position.
SUBTASK 72-60-24-220-068 Examine the PMA Drive Housing (72-60-24,01-180) Bearing Bore at Location 4028
Repair VRS5073, TASK 72-60-24-300-004 (REPAIR-004)
More than Step
Parallelism.
SUBTASK 72-60-24-220-069 Examine the PMA Drive Housing (72-60-24,01-180) Bearing Mating Surface at Location 6
Figure: Locations - PMA drive housing
Locations - PMA drive housing

Figure: Locations - PMA Drive Housing
Locations - PMA Drive Housing

