Export Control
EAR Export Classification: Not subject to the EAR per 15 C.F.R. Chapter 1, Part 734.3(b)(3), except for the following Service Bulletins which are currently published as EAR Export Classification 9E991: SBE70-0992, SBE72-0483, SBE72-0580, SBE72-0588, SBE72-0640, SBE73-0209, SBE80-0024 and SBE80-0025.Copyright
© IAE International Aero Engines AG (2001, 2014 - 2021) The information contained in this document is the property of © IAE International Aero Engines AG and may not be copied or used for any purpose other than that for which it is supplied without the express written authority of © IAE International Aero Engines AG. (This does not preclude use by engine and aircraft operators for normal instructional, maintenance or overhaul purposes.).Applicability
V2500-A1
Common Information
TASK 72-00-32-020-003-A00 LPC/Intermediate Case Module - Remove The Tubes And Electrical Harness Raceways, Removal-003 - Pre SBE 79-0087
General
Refer to the TASKs which follow for the other related procedures:
TASK 72-00-32-020-001-A00 Remove the hydraulic tubes, the thermal anti-ice (TAI) duct, the pneumatic starter duct and the EEC cooling ducts from the LP compressor/intermediate case module
TASK 72-00-32-020-002-A00 Remove the LP compressor/intermediate case electrical harnesses
TASK 72-00-32-020-004 Remove the LP compressor/intermediate case components
TASK 72-00-32-020-005-A00 Remove the LP compressor/intermediate case brackets and the bifurcation panel
Fig/item numbers in parentheses in the procedure agree with those used in the IPC. Only the primary Fig/item numbers are used. For service bulletin alpha variants refer to the IPC.
Apply the approved CoMat 10-058 PENETRATING OIL before the removal of threaded parts. Let the parts soak before removal.
Discard all rubber seal rings, split cotter pins, keywashers and gaskets removed in this procedure.
Remove and discard the lockwire before the tube or connector is disconnected.
All the tubes, hoses and ducts removed in this procedure must have their maintenance completed, as given in the Component Maintenance Manual (CMM-THD-V2500-1IA).
Seal all openings when the tubes are disconnected to prevent contamination from unwanted material.
NOTE
Preliminary Requirements
Pre-Conditions
NONESupport Equipment
| Name | Manufacturer | Part Number / Identification | Quantity | Remark |
|---|---|---|---|---|
| IAE 1R18001 Wrench | 0AM53 | IAE 1R18001 | 1 | |
| IAE 1R18002 Wrench | 0AM53 | IAE 1R18002 | 1 | |
| IAE 1R18003 Wrench | 0AM53 | IAE 1R18003 | 1 |
Consumables, Materials and Expendables
| Name | Manufacturer | Part Number / Identification | Quantity | Remark |
|---|---|---|---|---|
| CoMat 10-039 ENGINE OIL | LOCAL | CoMat 10-039 | ||
| CoMat 10-058 PENETRATING OIL | 0AM53 | CoMat 10-058 |
Spares
NONESafety Requirements
NONEProcedure
Refer to Figure.
Remove the locknut which attaches the tube 239 to the bracket ENGINE FUEL AND CONTROL-FUEL SYSTEM AIR TUBES (73-22-49, 03-790).
Remove the two bolts and the bracket ENGINE FUEL AND CONTROL-FUEL SYSTEM AIR TUBES (73-22-49, 03-790). Temporarily install and tighten the two bolts in the two bracket clipnuts.
SUBTASK 72-00-32-020-118-A00 Remove the Tube 239, the Fuel System Air Tube (Pre SBE 73-0140)
Refer to Figure.
Remove the locknut which attaches the tube 239 to the bracket ENGINE FUEL AND CONTROL-FUEL SYSTEM AIR TUBES (73-22-49, 03-790).
Remove the two bolts and the bracket ENGINE FUEL AND CONTROL-FUEL SYSTEM AIR TUBES (73-22-49, 03-790). Temporarily install and tighten the two bolts and two washers in the two bracket nuts.
SUBTASK 71-00-32-020-118-B00 Remove the Tube 239, the Fuel System Air Tube (SBE 73-0140)
Disconnect the tube 127 from the tube 126 with the IAE 1R18003 Wrench 1 off.
SUBTASK 72-00-32-020-119 Remove the Tubes 193, 126 and 128 the Right Side Tube
Refer to Figure.
SUBTASK 72-00-32-020-082 Remove the Tubes 122 and 119, the Pressure Oil Tubes
Disconnect the tube 148 from the HPC stage 7 and 10 air solenoid valve STAGE 10 AIR SOLENOID VALVE (36-11-57, 01-100) and the tube 149. Remove the tube 148.
Disconnect the tube 147 from the HPC stage 10 solenoid valve AIR-HPC STAGE 10 SOLENOID VALVE (75-32-53, 01-400) and the tube 149. Remove the tube 147.
SUBTASK 72-00-32-020-083 Remove the Tubes 146 to 148 and the Tube 198, the HP Compressor (HPC) Bleed Air Tubes
Refer to Figure.
Disconnect the tube 150 from the stage 10 air solenoid valve AIR-STAGE 10 AIR SOLENOID VALVE (75-23-52, 01-100) and the tube 149. Remove the tube 150.
SUBTASK 72-00-32-020-084 Remove the Tube 150 from the Turbine Cooling Controlled Air Tube System
Disconnect the tube 151 from the HPC stage 7 and 10 air solenoid valve STAGE 10 AIR SOLENOID VALVE (36-11-57, 01-100). Disconnect the tube 152 from the tube 151. Remove the tube 151.
Disconnect the tube 195 (the turbine cooling controlled air tube) from the stage 10 air solenoid valve AIR-STAGE 10 AIR SOLENOID VALVE (75-23-52, 01-100). Disconnect the tube 163 from the tube 195.
SUBTASK 72-00-32-020-120 Remove the Right Side Tubes
Refer to Figure.
Disconnect and remove the tube 125 from the tube 169 with the IAE 1R18003 Wrench 1 off.
Remove the three bolts ENGINE-LP COMP/INTERMEDIATE CASE MODULE(72-32-00, 01-130) which attach the tube 169 to the LP compressor/intermediate case module and the hot vent tube INTERMEDIATE STRUCTURE OIL & AIR TRANSFER TUBES (72-32-96, 01-100). Remove the tube 169 and the sealing ring.
Lubricate the three bolts (removed in the previous step) with CoMat 10-039 ENGINE OIL. Install and tighten the three bolts in the module.
SUBTASK 72-00-32-020-088 Remove the Tubes 125 and 169, the Oil Scavenge Tubes
NOTE
The clip position 0793 is temporarily installed during TASK 72-00-32-020-001 to attach the tube 142 to the flange FA bracket.Remove the bolts, the washers, the nuts, the clipnuts and the clips at the clip positions 1053, 1054, 1055, 0603 and 0793. Remove the tube 142 and the hose 220.
SUBTASK 72-00-32-020-089 Remove the Tubes 159, 135 and 142, the Fuel System Air Tubes and the Hose 220
SUBTASK 72-00-32-020-139 Remove the Clip Position 1048 (SBE 71-0107)
SBE 75-0050: Remove the bolt, the washer, the nut and the clip at the clip position 0976 EBU harness.
SUBTASK 72-00-32-020-121 Remove the Right Side Tubes
SBE 75-0050: Remove the bolts, the washers, the nuts and the clips at the clip positions 0974 and 0975 EBU harness.
Temporarily attach the tubes 127 and 167 to the bracket ENGINE FUEL AND CONTROL-FUEL SYSTEM TUBES-ENGINE (73-11-49, 22-470) at the clip position 0560.
SUBTASK 72-00-32-020-122 Remove the Tubes 137 and 194, the Bottom Right Side Tubes
SBE 71-0109: Remove the bolt, the washer, the nut and the clip at clip position 1171.
SBE 71-0109: Remove the bolt, the washers, the nut, and the clip at clip position 1169.
SBE 71-0109: Remove the two bolts and the two nuts which attach the tube 216 to the bifurcation panel. Remove the tube 216.
SUBTASK 72-00-32-020-123 Remove the Bifurcation Panel Tubes
SBE 71-0109: Remove the bolts, the washers, the spacers, the nuts and the clips at the clip positions 0248 and 1168.
Remove the bolts, the washers, the spacers, the nuts and the clips at the clip positions 1065 and 0246. Temporarily attach the raceway BRACKETS & RACEWAYS-HARNESS SUPPORT-FAN (71-51-50, 01-100) to the tube 177 clip with the bolt, the washer and the nut at the clip position 0246.
SUBTASK 72-00-32-020-124 Remove the Tubes 192, 93 and 106 from the Fuel System
NOTE
For the SBE 71-0109 configuration refer to TASK 72-00-32-020-002-A00 (REMOVAL-002).The fuel flow transmitter bonding lead is removed during EEC fan case harness removal at the clip position 1141.Pre SBE 71-0109 : Remove the bolt, the two washers and the nut which attaches the fuel flow transmitter bonding lead to the raceway bonding lug. Refer to Figure.
Remove the bolt, the washer, the nut and the clips at the clip position 0965. Refer to Figure.
Remove the tube 109 and the fuel flow transmitter.
Disconnect the tube 95 from the tube 94 with the IAE 1R18001 Wrench. Remove the two bolts and the two nuts which attach the tube 95 to the bifurcation panel. Remove the tube 95.
SUBTASK 72-00-32-020-125 Remove the Tubes 109, 94, 95 and the Fuel Flow Transmitter from the Fuel System
NOTE
Some fuel drainage could occur during this procedure. It is recommended that an applicable container is available.Refer to Figure.
Disconnect the tube 236 from the tube 153. Remove the two bolts and the two nuts temporarily installed in TASK 72-00-32-020-002-A00. Remove the tube 153.
SBE 71-0109 : Remove the bolt, the washer, the nut, and the clip at clip position 0544.
SUBTASK 72-00-32-020-126-A00 Remove the Bifurcation Panel Tubes (Pre SBE 73-0019)
Refer to Figure.
Disconnect the tube 236 from the tube 153. Remove the two bolts and the two nuts temporarily installed in TASK 72-00-32-020-002-A00. Remove the tube 153.
SBE 71-0109 : Remove the bolt, the washer, the nut, and the clip at clip position 0544.
SUBTASK 72-00-32-020-126-B00 Remove the Bifurcation Panel Tubes (SBE 73-0019)
Remove the two bolts and the two nuts which attach the tube 127 to the bifurcation panel. Remove the temporary clip position 0560 which attaches the tube 127 to the bracket ENGINE FUEL AND CONTROL-FUEL SYSTEM TUBES-ENGINE (73-11-49, 22-470). Remove the tube 127.
SUBTASK 72-00-32-020-105 Remove the Tubes 124 and 127, the Scavenge Oil Tubes
NOTE
The bonding strap (and the nut and the bolt which attaches it) is permanently installed on the LP compressor/intermediate case module flange. It is not necessary to remove the bonding strap in this procedure.Remove the bolt, the washer and the nut which attaches the bonding strap to the raceway.
SUBTASK 72-00-32-020-106 Remove the Electrical Harness Raceway (01-100)
Pre SBE 71-0004: Remove the bolts, the washers, the clipnut, the nuts and clips at clip positions 0909 to 0913.
SBE 71-0004: Remove the bolts, the washers, the clipnut, the nuts and the clips at positions 0909 to 0911, 0972 and 0913.
Pre SBE 79-0036: Remove the bolts, the washers and the nuts and clips at clip positions 0926, 0923, and 0918. Remove the tube 205.
SBE 79-0036: Remove the bolts, the washers and the nuts and clips at clip positions, 0926, 0923 and 0918. Remove the tube 205.
SUBTASK 72-00-32-020-107 Remove the Tubes 208, 209, 207, 206 and 205, the Scavenge Oil Tubes
SBE 71-0110: Remove the bolt, the washer, the nut and the clip at the clip position 0845.
SUBTASK 72-00-32-020-140 Remove the Tubes 244, 245, 246, 247 and 248, the Dedicated Alternator Cooling Air Tubes (SBE 75-0010)
Refer to Figure.
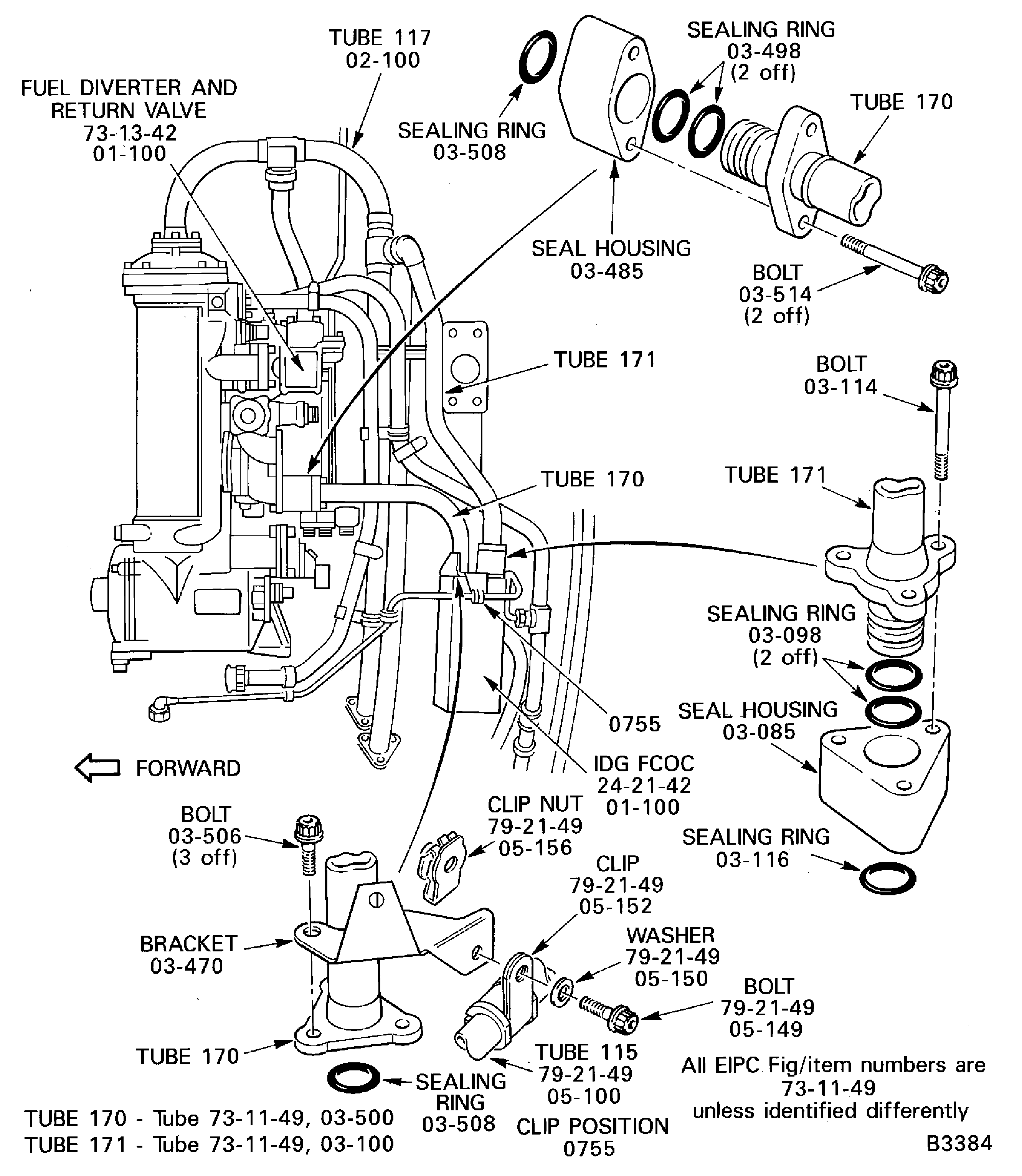
Disconnect the tube 171 from the tube 117 with the IAE 1R18003 Wrench 1 off. Remove the tube 171, the seal housing and the three sealing rings.
SUBTASK 72-00-32-020-109 Remove the Tubes 171 and 170, the Fuel System Tubes
Refer to Figure.
SUBTASK 72-00-32-020-110 Remove the Tubes 98, 99, 97 and 96, the IDG Oil Cooling Tubes
Disconnect the tube 114 from the tube 113 with the IAE 1R18002 Wrench 1 off. Remove the tube 114 and the sealing ring.
Disconnect the tube 113 from the tube 177 with the IAE 1R18001 Wrench. Remove the bolt, the washer, the clipnut and the clip at the clip position 0321. Remove the tube 113.
SUBTASK 72-00-32-020-111 Remove the Tubes 114, 115, 111, 113, 177 and 120, the Pressure Oil Tubes
NOTE
Some oil drainage could occur during this procedure. It is recommended than an applicable container is available.Refer to Figure.
Pre SBE 73-0022: Remove the bolt, the washer, the nut and the clip at the clip position 0306.
SBE 73-0022: Remove the bolt, the nut and the clip at the clip position 0306.
Disconnect the tube 172 from the tube 117 with the IAE 1R18003 Wrench 1 off.
SUBTASK 72-00-32-020-112-A00 Remove the Tubes 117 and 172, the Fuel System Tubes (Pre SBE 73-0058)
Pre SBE 73-0022: Remove the bolt, the washer, the nut and the clip at the clip position 0306.
SBE 73-0022: Remove the bolt, the nut and the clip at the clip position 0306.
Disconnect the tube 172 from the tube 117 with the IAE 1R18003 Wrench 1 off.
Remove the restrictor and the restrictor retainer ring from the tube ENGINE FUEL AND CONTROL-FUEL SYSTEM TUBES-ENGINE (73-11-49, 02-300).
Remove the three bolts which attach the tube ENGINE FUEL AND CONTROL-FUEL SYSTEM TUBES-ENGINE (73-11-49, 02-300) to the FCOC. Remove the nuts and bolts that attach the tube ENGINE FUEL AND CONTROL-FUEL SYSTEM TUBES-ENGINE (73-11-49, 02-300) to the tube 117.
SUBTASK 72-00-32-020-112-B00 Remove the Tubes 172, 117 and (02-300) the Fuel System Tubes (SBE 73-0058)
Disconnect the tubes 110 and 174 from the unions. Remove the bolt, the washer, the clipnut an the clip (temporarily installed) at the clip position 0302. Refer to Figure. Remove the tube 110.
SUBTASK 72-00-32-020-113 Remove the Tubes 175, 176, 174 and 110, the Power Plant Fuel Tubes
Refer to Figure.
SUBTASK 72-00-32-020-114 Remove the Vibration Transducer Raceway (05-100)
Refer to Figure.
SUBTASK 72-00-32-020-115 Remove the Vibration Harness Raceway (05-100)
Refer to Figure.
SUBTASK 72-00-32-020-116 Remove the EEC and Ignition Supply Harness Raceway (05-100)
Figure: Pre SBE 73-0140: Remove the Tube 239, the Fuel System Air Tube
Sheet 1

Figure: SBE 73-0140: Remove the Tube 239, the Fuel System Air Tube
Sheet 2

Figure: Remove the LP Compressor/Intermediate Case Right Side Tubes
Sheet 1

Figure: Remove the LP Compressor/Intermediate Case Right Side Tubes
Sheet 2

Figure: Remove the LP Compressor/Intermediate Case Right Side Tubes
Sheet 3

Figure: Remove the LP Compressor/Intermediate Case Right Side Tubes
Sheet 4

Figure: Remove the Tubes 119 and 122, the Pressure Oil Tubes
Remove the Tubes 119 and 122, the Pressure Oil Tubes

Figure: Remove the Tubes 125 and 169, the Oil Scavenge Tubes
Remove the Tubes 125 and 169, the Oil Scavenge Tubes

Figure: Remove the Tubes 159, 135 and 142, the Fuel System Air Tubes and the Hose 220
Sheet 1

Figure: Remove the Tubes 159, 135 and 142, the Fuel System Air Tubes and the Hose 220
Sheet 2

Figure: Remove the LP Compressor/Intermediate Case Right Rear Side Tubes
Sheet 1

Figure: Remove the LP Compressor/Intermediate Case Right Rear Side Tubes
Sheet 2

Figure: Remove the LP Compressor/Intermediate Case Bottom Right Side Tubes
Sheet 1

Figure: Remove the LP Compressor/Intermediate Case Bottom Right Side Tubes
Sheet 2

Figure: Pre SBE 73-0019: Remove the Tubes at the Bifurcation Panel
Sheet 1

Figure: SBE 73-0019: Remove the Tubes at the Bifurcation Panel
Sheet 2

Figure: Remove the Tubes at the Bifurcation Panel
Sheet 3

Figure: Remove the Tubes at the Bifurcation Panel
Sheet 4

Figure: Remove the Tubes at the Bifurcation Panel
Sheet 5

Figure: Remove the Tubes and the Fuel Flow Transmitter from the Bottom of the LP Compressor/Intermediate Case
Sheet 1

Figure: Remove the Tubes and the Fuel Flow Transmitter from the Bottom of the LP Compressor/Intermediate Case
Sheet 2

Figure: Remove the Electrical Harness Raceway
Sheet 1

Figure: Remove the Electrical Harness Raceway
Sheet 2

Figure: Remove the Pressure/Scavenge Oil Tubes from the Left Side of the LP Compressor/Intermediate Case
Sheet 1

Figure: Remove the Pressure/Scavenge Oil Tubes from the Left Side of the LP Compressor/Intermediate Case
Sheet 2

Figure: Remove the Pressure/Scavenge Oil Tubes from the Left Side of the LP Compressor/Intermediate Case
Sheet 3

Figure: SBE 71-0110: Remove the Dedicated Alternator Cooling Air Tubes
Sheet 1

Figure: SBE 75-0010: Remove the Dedicated Alternator Cooling Air Tubes
Sheet 2

Figure: SBE 75-0010: Remove the Dedicated Alternator Cooling Air Tubes
Sheet 3

Figure: Remove the Tubes 170 and 171, the Fuel System Tubes
Remove the Tubes 170 and 171, the Fuel System Tubes

Figure: Remove the Tubes 96 to 98, the IDG Cooling Tubes
Remove the Tubes 96 to 98, the IDG Cooling Tubes

Figure: Remove the Tubes 114, 115, 111, 113, 177 and 120, the Pressure Oil Tubes
Sheet 1

Figure: Remove the Tubes 114, 115, 111, 113, 177 and 120, the Pressure Oil Tubes
Sheet 2

Figure: Remove the Tubes 114, 115, 111, 113, 177 and 120, the Pressure Oil Tubes
Sheet 3

Figure: Remove the Tubes 117 and 172, the Fuel System Tubes
Sheet 1

Figure: Remove the Tubes 117 and 172, the Fuel System Tubes
Sheet 2

Figure: Remove the Tubes 174 to 176 and 110, the Power Plant Fuel Tubes
Sheet 1

Figure: Remove the Tubes 174 to 176 and 110, the Power Plant Fuel Tubes
Sheet 2

Figure: Remove the Vibration Transducer Raceway
Remove the Vibration Transducer Raceway

Figure: Remove the Vibration Harness Raceway
Remove the Vibration Harness Raceway

Figure: Remove the EEC and Ignition Supply Harness Raceway
Remove the EEC and Ignition Supply Harness Raceway

