Export Control
EAR Export Classification: Not subject to the EAR per 15 C.F.R. Chapter 1, Part 734.3(b)(3), except for the following Service Bulletins which are currently published as EAR Export Classification 9E991: SBE70-0992, SBE72-0483, SBE72-0580, SBE72-0588, SBE72-0640, SBE73-0209, SBE80-0024 and SBE80-0025.Copyright
© IAE International Aero Engines AG (2001, 2014 - 2021) The information contained in this document is the property of © IAE International Aero Engines AG and may not be copied or used for any purpose other than that for which it is supplied without the express written authority of © IAE International Aero Engines AG. (This does not preclude use by engine and aircraft operators for normal instructional, maintenance or overhaul purposes.).Applicability
V2500-A1
Common Information
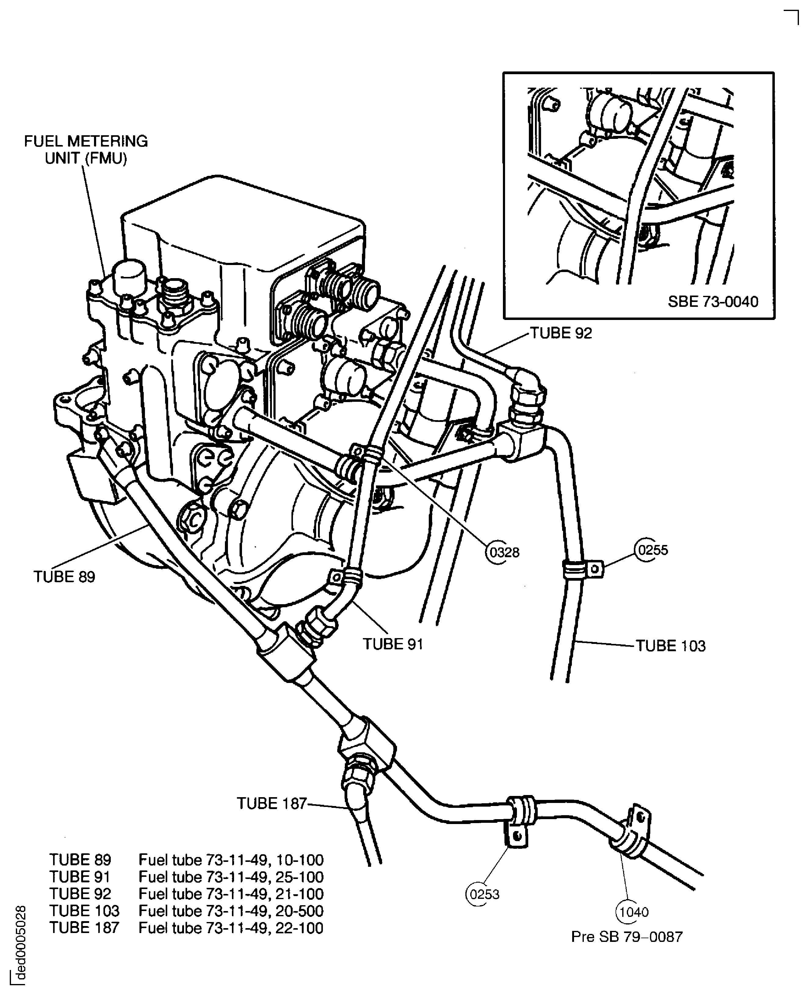
TASK 72-00-60-450-002-A00 External Gearbox Components - Install The Fuel Metering Unit (FMU), Installation-006
General
Fig/item numbers in parentheses in the procedure agree with those used in the IPC. Only the primary Fig/item numbers are used. For the service bulletin alpha variants refer to the IPC.
For all parts identified in a different Chapter/Section/Subject, the applicable Chapter/Section/Subject comes before the Fig/item number.
Assembly tolerances are included in this procedure.
Lubricate all threads and abutment faces of nuts and bolts with CoMat 10-077 APPROVED ENGINE OILS, unless other lubricants are referred to in the procedure.
Special torque data is identified with the symbol * after the torque value.
For the torque tightening procedures refer to the SPM TASK 70-44-01-400-501.
To identify, lubricate and install seal rings refer to the SPM TASK 70-44-01-400-501.
For lockwire data and procedures refer to the SPM TASK 70-42-05-400-501.
For safety cable data and procedures refer to the SPM TASK 70-42-08-400-501. | ||
Safety the threaded fasteners in the ATA Chapter/Section/Subject 71-51-41 as applicable with CoMat 02-274 SAFETY CABLE KIT or CoMat 02-275 SAFETY CABLE KIT. |
After assembly apply CoMat 07-038 AIR DRYING ENAMEL to any damaged surface protection, joint flanges and attach parts. Use the correct color of air drying enamel. Refer to the SPM TASK 70-38-21-380-501.
Transportation covers/blanks must not be removed until immediately before installation of the components.
Do not remove the special plastic caps from electrical connections until immediately before installation. This will give protection from unwanted material.
For the data on the electrical connectors refer to the SPM TASK 70-43-00-400-501.
NOTE
Preliminary Requirements
Pre-Conditions
NONESupport Equipment
NONEConsumables, Materials and Expendables
| Name | Manufacturer | Part Number / Identification | Quantity | Remark |
|---|---|---|---|---|
| CoMat 01-124 ISOPROPYL ALCOHOL | LOCAL | CoMat 01-124 | ||
| CoMat 02-126 LOCKWIRE | LOCAL | CoMat 02-126 | ||
| CoMat 02-148 ADHESIVE TAPE (ELECTRICAL) | LOCAL | CoMat 02-148 | ||
| CoMat 02-274 SAFETY CABLE KIT | LOCAL | CoMat 02-274 | ||
| CoMat 02-275 SAFETY CABLE KIT | LOCAL | CoMat 02-275 | ||
| CoMat 07-038 AIR DRYING ENAMEL | K3504 | CoMat 07-038 | ||
| CoMat 10-038 PETROLEUM JELLY | LOCAL | CoMat 10-038 | ||
| CoMat 10-077 APPROVED ENGINE OILS | LOCAL | CoMat 10-077 | ||
| CoMat 10-060 LIQUID PARAFFIN | LOCAL | CoMat 10-060 |
Spares
| Name | Manufacturer | Part Number / Identification | Quantity | Remark |
|---|---|---|---|---|
| Sealing ring | 1 | |||
| Sealing ring | 1 | |||
| Packing | 2 | |||
| Packing | 1 | |||
| Packing | 1 | |||
| Sealing ring | 2 | |||
| Sealing ring | 1 | |||
| Sealing ring | 1 | |||
| Sealing ring | 1 |
Safety Requirements
NONEProcedure
Refer to Figure.

WARNING
WHEN YOU USE CoMat 01-124 ISOPROPYL ALCOHOL YOU MUST USE THE NECESSARY PROTECTIVE CLOTHING. DO NOT GET THE SOLVENT ON YOUR SKIN OR IN YOUR EYES. YOU MUST NOT SMOKE WHEN YOU USE THE SOLVENT AS THE VAPOUR CHANGES AND BECOMES TOXIC.Clean the mating faces at the FMU and the fuel pump with CoMat 01-124 ISOPROPYL ALCOHOL.
Lightly lubricate a new ENGINE FUEL AND CONTROL-FUEL METERING UNIT (73-22-52, 01-130) sealing ring 1 off with CoMat 10-060 LIQUID PARAFFIN or CoMat 10-038 PETROLEUM JELLY and install it on the FMU inlet port.
Attach the FMU to the fuel pump with the four bolts ENGINE FUEL AND CONTROL-FUEL METERING UNIT (73-22-52, 01-120) and torque the bolts to 180 to 220 lbfin (20 to 25 Nm).
SUBTASK 72-00-60-450-062 Install the Fuel Metering Unit
Refer to: Figure
Connect the drain tube 225 POWER PLANT-FUEL DRAIN TUBES-POWER PLANT (71-71-48, 02-500) to the FMU and torque the tube connector to 159 to 177 lbfin (18 to 20 Nm). Safety with CoMat 02-126 LOCKWIRE.
Lightly lubricate the new ENGINE FUEL AND CONTROL-FUEL SYSTEM TUBES-ENGINE (73-11-49, 07-108) packing 2 off with CoMat 10-060 LIQUID PARAFFIN or CoMat 10-038 PETROLEUM JELLY petroleum jelly and install them on the tube 109 ENGINE FUEL AND CONTROL-FUEL SYSTEM TUBES-ENGINE (73-11-49, 07-100).
Attach the tube 109 to the FMU and the Fuel Flow Transmitter, together with the bracket ENGINE FUEL AND CONTROL-FUEL SYSTEM TUBES-ENGINE (73-11-49, 07-070), with the six bolts ENGINE FUEL AND CONTROL-FUEL SYSTEM TUBES-ENGINE (73-11-49, 07-106). Torque the bolts to 85 to 105 lbfin (10 to 12 Nm).
SUBTASK 72-00-60-450-063 Install the HP Fuel Supply Tube (109) and Connect the Fuel Drain Tube (225)
Lightly lubricate a new ENGINE FUEL AND CONTROL-FUEL SYSTEM TUBES-ENGINE (73-11-49, 20-516) packing 1 off with CoMat 10-060 LIQUID PARAFFIN or CoMat 10-038 PETROLEUM JELLY and install it on the tube 103 ENGINE FUEL AND CONTROL-FUEL SYSTEM TUBES-ENGINE (73-11-49, 20-500).
Loosely connect the tube 103 to the fuel tube 106 and attach it to the FMU with the three bolts ENGINE FUEL AND CONTROL-FUEL SYSTEM TUBES-ENGINE (73-11-49, 20-514).
Torque the three bolts to 85 to 105 lbfin (10 to 12 Nm) and torque the tube connector to 283 to 310 lbfin (32 to 35 Nm). Safety with CoMat 02-126 LOCKWIRE.
Connect the tube 92 to the tube 103 and torque the tube connector to 159 to 177 lbfin (18 to 20 Nm) and safety with CoMat 02-126 LOCKWIRE.
Pre SBE 73-0040: Assemble the clip positions 0255, 0328 and 1038 and torque the nuts and the bolt to 36 to 45 lbfin (4 to 5 Nm).
SBE 73-0040: Assemble the clip positions 0255 and 1038 and torque the nuts and the bolt to 36 to 45 lbfin (4 to 5 Nm).
SUBTASK 72-00-60-450-064 Install the Fuel Servo Return Tube (103)
SBE 79-0087: Oil - Scavenge oil tubes - Re-route of No. 4 bearing scavenge tube.
Lightly lubricate a new ENGINE FUEL AND CONTROL-FUEL SYSTEM TUBES-ENGINE (73-11-49, 10-108) packing 1 off with CoMat 10-060 LIQUID PARAFFIN or CoMat 10-038 PETROLEUM JELLY and install it on the tube 89 ENGINE FUEL AND CONTROL-FUEL SYSTEM TUBES-ENGINE (73-11-49, 10-100).
Loosely connect the tube 89 to the tube 93 and attach it to the FMU with the three bolts ENGINE FUEL AND CONTROL-FUEL SYSTEM TUBES-ENGINE (73-11-49, 10-106).
Torque the three bolts to 85 to 105 lbfin (10 to 12 Nm) and torque the tube connector to 283 to 310 lbfin (32 to 35 Nm). Safety with CoMat 02-126 LOCKWIRE.
Connect the tube 187 to the tube 89 and torque the tube connector to 159 to 177 lbfin (18 to 20 Nm). Safety with CoMat 02-126 LOCKWIRE.
Connect the tube 91 to the tube 89 and torque the tube connector to 159 to 177 lbfin (18 to 20 Nm). Safety with CoMat 02-126 LOCKWIRE.
Pre SBE 71-0109 and Pre SBE 79-0087: Assemble the clip position 1040 and torque the nut and the bolt to 36 to 45 lbfin (4 to 5 Nm).
SBE 71-0109: Refer to TASK 72-00-32-420-004-A00.
SUBTASK 72-00-60-450-065 Install the HP Fuel Servo Tube (89) (Pre SBE 79-0087 and SBE 79-0087)
Connect the tube 90 ENGINE FUEL AND CONTROL-FUEL SYSTEM TUBES-ENGINE (73-11-49, 06-100) to the FMU and the fuel pump tee piece and torque the tube connectors to 159 to 177 lbfin (18 to 20 Nm). Safety with CoMat 02-126 LOCKWIRE.
Connect the tube 104 ENGINE FUEL AND CONTROL-FUEL SYSTEM TUBES-ENGINE (73-11-49, 06-500) to the fuel pump tee piece and torque the tube connector and the closure nut ENGINE FUEL AND CONTROL-FUEL SYSTEM TUBES-ENGINE (73-11-49, 06-490) to 230 to 248 lbfin (26 to 28 Nm). Safety with CoMat 02-126 LOCKWIRE.
Pre SBE 73-0040: Assemble the clip position 1069 and torque the nut to 36 to 45 lbfin (4 to 5 Nm).
SBE 73-0040: Assemble the clip position 1069 and torque the nut to 36 to 45 lbfin (4 to 5 Nm).
SUBTASK 72-00-60-450-066 Install the LP Fuel Tube (90) and the Fuel Pump Drain Tube (104)
Lightly lubricate a new ENGINE FUEL AND CONTROL-FUEL SYSTEM TUBES-ENGINE (73-11-49, 05-108) sealing ring 1 off with CoMat 10-060 LIQUID PARAFFIN or CoMat 10-038 PETROLEUM JELLY and install it on the fuel filter connector of the tube 102.
Lightly lubricate a new ENGINE FUEL AND CONTROL-FUEL SYSTEM TUBES-ENGINE (73-11-49, 05-116) sealing ring 1 off with CoMat 10-060 LIQUID PARAFFIN or CoMat 10-038 PETROLEUM JELLY.
Pre SBE 73-0040: Attach the tube 102 to the fuel filter with the three bolts ENGINE FUEL AND CONTROL-FUEL SYSTEM TUBES-ENGINE (73-11-49, 05-106) and to the fuel pump with the four bolts ENGINE FUEL AND CONTROL-FUEL SYSTEM TUBES-ENGINE (73-11-49, 05-114). Torque the bolts to 85 to 105 lbfin (10 to 12 Nm).
SBE 73-0040: Attach the tube 102 along with the bracket ENGINE FUEL AND CONTROL-FUEL SYSTEM TUBES-ENGINE (73-11-49, 05-092) to the fuel filter with the two bolts, the two washers and the bolt ENGINE FUEL AND CONTROL-FUEL SYSTEM TUBES-ENGINE (73-11-49, 05-105 , ENGINE FUEL AND CONTROL-FUEL SYSTEM TUBES-ENGINE 05-107 and ENGINE FUEL AND CONTROL-FUEL SYSTEM TUBES-ENGINE 05-106) and to the fuel pump with the four bolts ENGINE FUEL AND CONTROL-FUEL SYSTEM TUBES-ENGINE (73-11-49, 05-114). Torque the bolts to 85 to 105 lbfin (10 to 12 Nm).
Install the tube 102 ENGINE FUEL AND CONTROL-FUEL SYSTEM TUBES-ENGINE (73-11-49, 05-100).
Lightly lubricate a new ENGINE FUEL AND CONTROL-FUEL SYSTEM TUBES-ENGINE (73-11-49, 26-108) sealing ring 1 off with CoMat 10-060 LIQUID PARAFFIN or CoMat 10-038 PETROLEUM JELLY and install it on the tube 116.
Lightly lubricate a new ENGINE FUEL AND CONTROL-FUEL SYSTEM TUBES-ENGINE (73-11-49, 26-116) sealing ring 1 off and install it on the seal housing ENGINE FUEL AND CONTROL-FUEL SYSTEM TUBES-ENGINE (73-11-49, 26-085).
Lightly lubricate the new ENGINE FUEL AND CONTROL-FUEL SYSTEM TUBES-ENGINE (73-11-49, 26-098) sealing rings 2 off and install them on the tube 116.
Put the tube 116 in position and attach it to the fuel diverter valve (together with the seal housing) with the two bolts ENGINE FUEL AND CONTROL-FUEL SYSTEM TUBES-ENGINE (73-11-49, 26-114). Attach the tube to the FMU with the three bolts ENGINE FUEL AND CONTROL-FUEL SYSTEM TUBES-ENGINE (73-11-49, 26-106). Torque the bolts to 85 to 105 lbfin (10 to 12 Nm).
Install the tube 116 ENGINE FUEL AND CONTROL-FUEL SYSTEM TUBES-ENGINE (73-11-49, 26-100).
Pre SBE 73-0040: Assemble the clip positions 1072, 0789, 0790, 0921, 0795 and 0922 and torque the nuts and the bolts to 36 to 45 lbfin (4 to 5 Nm).
SBE 73-0040: Assemble the clip positions 1139, 1072, 0789, 0790, 0921, 0795 and 0922 and torque the nuts and bolts to 36 to 45 lbfin (4 to 5 Nm).
SUBTASK 72-00-60-450-067 Install the LP Fuel Tubes (102 and 116)
During the installation procedure make sure the harnesses are held temporarily along their different lengths. Always install the datum clip positions when you install each electrical connector. This will give correct installation of the different harnesses, prevent too much strain on the electrical connectors and give the necessary drip loops (the drip loop makes sure moisture or fluids do not go in to the electrical connector).
Because of the differences between the harness diameters, the specified clip could be too large or too small. You can use a clip from a range of six clips that have the same part number. If the harness diameter is between two of the clips in the range, use the larger clip. When you do this use CoMat 02-148 ADHESIVE TAPE (ELECTRICAL) adhesive tape (electrical) to increase the harness diameter.
SUBTASK 72-00-60-450-072 Electrical Harness Installation Procedure
SBE 79-0087: Oil - Scavenge oil tubes - Re-route of No. 4 bearing scavenge tube.
Pre SBE 73-0040 and Pre SBE 79-0087: Assemble the clip positions 1032, 1033, 1070 and 1071 and torque the nuts to 36 to 45 lbfin (4 to 5 Nm).
SBE 73-0040 and Pre SBE 79-0087: Assemble the clip positions 1032, 1033, 1069 and 1070 and torque the nuts to 36 to 45 lbfin (4 to 5 Nm).
SBE 79-0087 and Pre SBE 73-0040: Assemble the clip positions 1032, 1033 and 1071 and torque the nuts to 36 to 45 lbfin (4 to 5 Nm).
SBE 79-0087 and SBE 73-0040: Assemble the clip positions 1032, 1033 and 1069 and torque the nuts to 36 to 45 lbfin (4 to 5 Nm).
SUBTASK 72-00-60-450-068 Connect the Electrical Harness to the FMU (Pre SBE 79-0087 and SBE 79-0087)
Pre SBE 73-0040: A minimum clearance of 0.100 in. (2.54 mm) is necessary between the EEC harness POWER PLANT-ELECTRICAL HARNESS-EEC HARNESS-FAN (71-51-41, 01-005), the IDG oil cooler and the tubes in the area shown in Figure.
SBE 73-0040: A minimum clearance of 0.100 in. (2.54 mm) is necessary between the EEC harness POWER PLANT-ELECTRICAL HARNESS-EEC HARNESS-FAN (71-51-41, 01-005), the IDG oil cooler and the tubes in the area shown in Figure.
To check the clearance, push the harness with a light pressure of the thumb then release. The harness must spring back and give the minimum clearance. The harness must not move through the adjacent clips (refer to Step).
Measure the clearance between all the different harnesses and the engine parts:
SUBTASK 72-00-60-220-069 Measure the Harness Clearances and Examine the Harness Routing
Refer to Figure.
Make sure that all the applicable backshells and cable clamps are safetied with CoMat 02-126 LOCKWIRE. Refer to the SPM TASK 70-42-05-400-501.
SUBTASK 72-00-60-210-061 Visually Inspect the Electrical Backshells and Cable Clamps
SBE 70-0813: Announcement of introduction of safety cable as a preferred method to lockwire.
NOTE
Use this procedure to safety the EEC harness backshells and cable clamps with safety cable.Refer to Figure.
Make sure that all the EEC harness backshells and cable clamps are safetied. Safety with CoMat 02-274 SAFETY CABLE KIT or with CoMat 02-275 SAFETY CABLE KIT. Refer to the SPM TASK 70-42-08-400-501.
SUBTASK 72-00-60-210-060 Visually Inspect the EEC Harness (01-005) Electrical Backshells and Cable Clamps (SBE 70-0813)
Figure: Install the fuel metering unit
Install the fuel metering unit

Figure: Install the fuel metering unit
Install the fuel metering unit

Figure: Install the fuel metering unit
Install the fuel metering unit

Figure: Pre SBE 73-0040: Install the fuel metering unit
Pre SBE 73-0040: Install the fuel metering unit

Figure: SBE 73-0040: Install the fuel metering unit
SBE 73-0040: Install the fuel metering unit

Figure: Install the fuel metering unit
Install the fuel metering unit

Figure: Install the fuel metering unit
Install the fuel metering unit

Figure: Install the fuel metering unit
Install the fuel metering unit

Figure: Pre SBE 73-0040: Install the fuel metering unit
Pre SBE 73-0040: Install the fuel metering unit

Figure: SBE 73-0040: Install the fuel metering unit
SBE 73-0040: Install the fuel metering unit

Figure: Install the fuel metering unit
Install the fuel metering unit

Figure: Install the fuel metering unit
Install the fuel metering unit

Figure: Pre SBE 73-0040: Install the fuel metering unit
Pre SBE 73-0040: Install the fuel metering unit

Figure: SBE 73-0040: Install the fuel metering unit
SBE 73-0040: Install the fuel metering unit

Figure: Install the fuel metering unit
Install the fuel metering unit

Figure: Install the fuel metering unit
Install the fuel metering unit

Figure: Install the fuel metering unit
Install the fuel metering unit

Figure: Examine the harness routing
Examine the harness routing

Figure: SBE 73-0040: Examine the harness routing
SBE 73-0040: Examine the harness routing

Figure: Visually inspect the backshells and cable clamps
Visually inspect the backshells and cable clamps

