Export Control
EAR Export Classification: Not subject to the EAR per 15 C.F.R. Chapter 1, Part 734.3(b)(3), except for the following Service Bulletins which are currently published as EAR Export Classification 9E991: SBE70-0992, SBE72-0483, SBE72-0580, SBE72-0588, SBE72-0640, SBE73-0209, SBE80-0024 and SBE80-0025.Copyright
© IAE International Aero Engines AG (2001, 2014 - 2021) The information contained in this document is the property of © IAE International Aero Engines AG and may not be copied or used for any purpose other than that for which it is supplied without the express written authority of © IAE International Aero Engines AG. (This does not preclude use by engine and aircraft operators for normal instructional, maintenance or overhaul purposes.).Applicability
V2500-A5
Common Information
TASK 72-45-10-440-001-C00 HPT Stage 1 Rotor Assembly - Assemble The HPT Stage 1 Rotor Assembly, Assembly-001
General
Fig/Item numbers in parentheses in the procedure agree with those used in the IPC. Only the primary Fig/Item numbers are used. For the service bulletin alpha variants refer to the IPC.
For all parts identified in a different Chapter/Section/Subject, the applicable Chapter/Section/Subject comes before the Fig/Item number.
For standard torque data and procedures, refer to SPM TASK 70-41-00-400-501 and SPM TASK 70-41-02-400-501.
Special torque data and assembly tolerances are included in the procedure.
To identify, lubricate and install seal rings, refer to SPM TASK 70-44-01-400-501.
The number for each radial location must be identified in a clockwise direction. Use CoMat 06-153 FELT TIP MARKER, RAPID DRYING, CoMat 06-153X FELT TIP MARKER, RAPID DRYING, FINE POINT, BLACK, TRACE ELEMENT CERTIFIED or CoMat 06-158 MARKER, EXTRA FINE POINT(BLACK). These start at the engine top position when you look from the rear of the engine, unless stated differently in the procedure.
For temporary marking procedures, refer to SPM TASK 70-09-01-400-501.
NOTE
NOTE
Preliminary Requirements
Pre-Conditions
NONESupport Equipment
| Name | Manufacturer | Part Number / Identification | Quantity | Remark |
|---|---|---|---|---|
| Vertical balance machine | LOCAL | Vertical balance machine | ||
| IAE 1F10052 Two cables sling | 0AM53 | IAE 1F10052 | 1 | |
| IAE 1P16006 Fixture | 0AM53 | IAE 1P16006 | 1 | |
| IAE 1P16008 Fixture | 0AM53 | IAE 1P16008 | 1 | |
| IAE 1P16014 Fixture | 0AM53 | IAE 1P16014 | 1 | |
| IAE 1P16015 Adapter | 0AM53 | IAE 1P16015 | 1 | |
| IAE 1P16029 Drift | 0AM53 | IAE 1P16029 | 1 | |
| IAE 1P16032 Calibration weight | 0AM53 | IAE 1P16032 | 1 | |
| IAE 1P16061 Support ring | 0AM53 | IAE 1P16061 | 1 | |
| IAE 1P16140 Support base | 0AM53 | IAE 1P16140 | 1 | |
| IAE 1P16220 Heater | 0AM53 | IAE 1P16220 | 1 | |
| IAE 1P16442 Calibration weight | 0AM53 | IAE 1P16442 | 1 | |
| IAE 1P16495 Installation Fixture | 0AM53 | IAE 1P16495 | 1 | |
| IAE 1P17024 Lift fixture | 0AM53 | IAE 1P17024 | 1 | |
| IAE 1P17030 Blade retainer | 0AM53 | IAE 1P17030 | 1 | |
| IAE 1P17750 Fixture | 0AM53 | IAE 1P17750 | 1 | |
| IAE 1P17763 Metering plug drift | 0AM53 | IAE 1P17763 | 1 | |
| IAE 6F10027 Heater control unit | 0AM53 | IAE 6F10027 | 1 |
Consumables, Materials and Expendables
| Name | Manufacturer | Part Number / Identification | Quantity | Remark |
|---|---|---|---|---|
| CoMat 01-573 WAX BLEND, PARAFFIN | 24269 | CoMat 01-573 | ||
| CoMat 06-153 FELT TIP MARKER, RAPID DRYING | LOCAL | CoMat 06-153 | ||
| CoMat 06-153X FELT TIP MARKER, RAPID DRYING, FINE POINT, BLACK, TRACE ELEMENT CERTIFIED | 86874 | CoMat 06-153X | ||
| CoMat 06-158 MARKER, EXTRA FINE POINT(BLACK) | 0AM53 | CoMat 06-158 |
Safety Requirements
NONEProcedure
SBE 72-0240: New Stage 2 HPT Airseal and new Stage 1 HPT hub metering plugs.
Refer to Figure.
Reference the interference at Location 1516. If required, use the data written as a note in TASK 72-45-11-200-001-D00 (INSPECTION-001) and TASK 72-45-13-200-001-C00 (INSPECTION-001), TASK 72-45-13-200-001-D00 (INSPECTION-001), TASK 72-45-13-200-001-E00 (INSPECTION-001) and TASK 72-45-13-200-001-F00 (INSPECTION-001).
Table 1. Fits and Clearances (all dimensions are in millimeters) NEW PART
DIMENSIONS
WORN PART
DIMENSIONS
REJECT IF
MORE THAN
PART IDENT
Size
Clearance
(Non-select)
LOCATION 1516
Stage 1 Turbine Hub HPT Stage 1 Hub (72-45-11,01-011), Seal Bore
Stage 1 HPT Air Seal HPT Stage 1 Rotating Inner Air Seal And Damper (72-45-13,01-020) Rear
Outside Location Diameter
Hub Seal Bore
8.624
Intf
See TASK 72-45-11-200-001-D00 (INSPECTION-001) for acceptable select fit limits.
Intf
8.618
0.017
0.017
Air Seal Diameter
8.635
0.009
0.008
8.633
Intf
Intf
Table 2. Fits and Clearances (all dimensions are in millimeters) NEW PART DIMENSIONS
WORN PART DIMENSIONS
REJECT IF MORE THAN
PART IDENT
Size
Clearance
(Non-select)
LOCATION 1516
Stage 1 Turbine Hub HPT Stage 1 Hub (72-45-11,01-011), Seal Bore
Stage 1 HPT Air Seal HPT Stage 1 Rotating Inner Air Seal And Damper (72-45-13,01-020) rear
Outside Location Diameter
Hub Seal Bore
219.050
Intf
See TASK 72-45-11-200-001-D00 (INSPECTION-001) for acceptable select fit limits.
Intf
218.897
0.432
0.432
Air Seal Diameter
219.329
0.229
0.203
219.279
Intf
Intf
SUBTASK 72-45-10-220-064-002 Reference Fits and Clearances of the Stage 1 Turbine Hub and Stage 1 HPT Air Seal at Location 1516 (SBE 72-0240)
SBE 72-0451: New Stage 1 HPT hub metering plugs
Pre SBE 72-0511: New Stage 1 rotor assembly with metering plugs removed
Refer to Figure.
Reference interference at Location 1517. If required use the data written as a note in TASK 72-45-11-200-001-D00 (INSPECTION-001).
Table 3. Fits and Clearances (all dimensions are in inches) NEW PART
DIMENSIONS
WORN PART
DIMENSIONS
WORN PARTS
REJECT IF
PART IDENT
Size
Clearance
(Select)
MORE THAN
LOCATION 1517
Stage 1 HPT Hub HPT Stage 1 Hub (72-45-11,01-011), Hole Diameter
Stage 1 HPT Metering PlugHPT Stage 1 Hub (72-45-11,01-040), Outside Diameter Contact Surface
Hub Hole Diameter
0.379
0.383
Intf
0.004
0.379
0.387
Intf
0.004
Metering Plug Diameter
0.387
0.391
0.012
Intf
0.387
0.391
0.012
Intf
Table 4. Fits and Clearances (all dimensions are in millimeters) NEW PART
DIMENSIONS
WORN PART
DIMENSIONS
WORN PARTS
REJECT IF
PART IDENT
Size
Clearance
(Select)
MORE THAN
LOCATION 1517
Stage 1 HPT HubHPT Stage 1 Hub (72-45-11,01-011), Hole Diameter
Stage 1 HPT Metering PlugENGINE-STAGE 1 HPT AIR SEAL (OUTER) (72-45-12,01-040), Outside Diameter Contact Surface
Hub Hole Diameter
9.627
9.728
Intf
0.102
9.627
9.830
Intf
0.102
Metering Plug Diameter
9.830
9.931
0.305
Intf
9.830
9.931
0.305
Intf
SUBTASK 72-45-10-220-064-003 Reference Fits and Clearances of the Stage 1 Turbine Hub and Stage 1 HPT Hub Metering Plugs at Location 1517 (SBE 72-0451 and Pre SBE 72-0511)

CAUTION
IF ONE HUB HOLE AT LOCATION 1517 DOES NOT MEET THE DIMENSIONAL REQUIREMENTS, THEN YOU MUST NOT INSTALL A METERING PLUG AT THAT LOCATION. WRITE THIS IN THE ENGINE BUILD RECORDS.
CAUTION
IF TWO OR MORE HOLES AT LOCATION 1517 DO NOT MEET THE DIMENSIONAL REQUIREMENTS, THEN CONTACT IAE. DO NOT ASSEMBLE THE ROTOR.NOTE
The fit 1517 limit is applicable only for Stage 1 HPT hub metering plug, PN 2A3847 installed in Stage 1 Turbine Hub PNs 2A2801 and 2A5001.Refer to Figure.
Reference clearance/interference at Location 1502. If required use the data written as a note in TASK 72-45-11-200-001-D00 (INSPECTION-001) and TASK 72-45-12-200-001-D00 (INSPECTION-001).
Table 5. Fits and Clearances (all dimensions are in inches) NEW PART
DIMENSIONS
WORN PART
DIMENSIONS
WORN PARTS
REJECT IF
PART IDENT
Size
Clearance
(Non-select)
MORE THAN
LOCATION 1502
Stage 1 Turbine Hub HPT Stage 1 Hub (72-45-11,01-011), Inside Lug Location Diameter
Stage 1 HPT Air Seal ENGINE-STAGE 1 HPT AIR SEAL (OUTER) (72-45-12,01-040), Inside Lug Location Diameter
Hub Diameter
14.1667
14.162
Clear
0.002
Clear
0.003
Air Seal Diameter
14.168
14.164
0.006
Intf
0.006
Intf
Table 6. Fits and Clearances (all dimensions are in millimeters) NEW PART
DIMENSIONS
WORN PART
DIMENSIONS
WORN PARTS
REJECT IF
PART IDENT
Size
Clearance
(Non-select)
MORE THAN
LOCATION 1502
Stage 1 Turbine Hub HPT Stage 1 Hub (72-45-11,01-011), Inside
Stage 1 HPT Air Seal ENGINE-STAGE 1 HPT AIR SEAL (OUTER) (72-45-12,01-040), Inside Lug Location Diameter
Hub Location
359.834
359.715
Clear
0.051
Clear
0.076
Air Seal Diameter
359.867
359.766
0.152
Intf
0.152
Intf
SUBTASK 72-45-10-220-065 Reference Fits and Clearances of the Stage 1 Turbine Hub and Stage 1 HPT Air Seal at Location 1502
Refer to Figure.
Reference clearance at Location 1504. If required use the data written as a note in TASK 72-45-11-200-001-D00 (INSPECTION-001) and TASK 72-45-12-200-001-D00 (INSPECTION-001).
Table 7. Fits and Clearances (all dimensions are in inches) NEW PART
DIMENSIONS
WORN PART
DIMENSIONS
WORN PARTS
REJECT IF
PART IDENT
Size
Clearance
(Non-select)
MORE THAN
LOCATION 1504
Stage 1 HPT Air Seal ENGINE-STAGE 1 HPT AIR SEAL (OUTER) (72-45-12,01-040), Outside Lug Location Diameter
Stage 1 Turbine Hub HPT Stage 1 Hub (72-45-11,01-011), Outside Lug Location Diameter
Air Seal Diameter
17.752
17.756
Clear
0.007
Clear
0.0065
Hub Diameter
17.763
17.767
0.015
Clear
0.0165
Clear
Table 8. Fits and Clearances (all dimensions are in millimeters) NEW PART
DIMENSIONS
WORN PART
DIMENSIONS
WORN PARTS
REJECT IF
PART IDENT
Size
Clearance
(Non-select)
MORE THAN
LOCATION 1504
Stage 1 HPT Air Seal ENGINE-STAGE 1 HPT AIR SEAL (OUTER) (72-45-12,01-040), Outside Lug Location Diameter
Stage 1 Turbine Hub HPT Stage 1 Hub (72-45-11,01-011), Outside Lug Location Diameter
Air Seal Diameter
450.901
451.002
Clear
0.178
Clear
0.165
Hub Diameter
451.181
451.281
0.381
Clear
0.419
Clear
SUBTASK 72-45-10-220-066 Reference Fits and Clearances of the Stage 1 Turbine Hub and Stage 1 HPT Air Seal at Location 1504
Refer to Figure.
Reference the interference at Location 1550. If required use the data written as a note in TASK 72-45-11-200-001-D00 (INSPECTION-001) and TASK 72-45-12-200-001-D00 (INSPECTION-001).
Table 9. Fits and Clearances (all dimensions are in inches) NEW PART
DIMENSIONS
WORN PART
DIMENSIONS
WORN PARTS
REJECT IF
PART IDENT
Size
Clearance
MORE THAN
Use new part dimensions only if both the seal and hub are new; otherwise use worn part dimensions
LOCATION 1550
Stage 1 Turbine Hub HPT Stage 1 Hub (72-45-11,01-011), Lug Axial Location
Stage 1 HPT Air Seal ENGINE-STAGE 1 HPT AIR SEAL (OUTER) (72-45-12,01-040), Lug Axial Location
Hub Lug Axial Location
0.500
0.496
Intf
0.0275
Intf
0.0275
Air Seal Lug Axial Location
0.5435
0.5275
0.0475
Intf
0.0475
Intf
Table 10. Fits and Clearances (all dimensions are in millimeters) NEW PART
DIMENSIONS
WORN PART
DIMENSIONS
WORN PARTS
REJECT IF
PART IDENT
Size
Clearance
MORE THAN
Use new part dimensions only if both the seal and hub are new; otherwise use worn part dimensions
LOCATION 1550
Stage 1 Turbine Hub HPT Stage 1 Hub (72-45-11,01-011), Lug Axial Location
Stage 1 HPT Air Seal ENGINE-STAGE 1 HPT AIR SEAL (OUTER) (72-45-12,01-012), Lug Axial Location
Hub Lug Axial Location
12.700
12.599
Intf
0.6985
Intf
0.6985
Air Seal Lug Axial Location
13.800
13.400
1.2065
Intf
1.2065
Intf
SUBTASK 72-45-10-220-067 Reference Fits and Clearances of the Stage 1 Turbine Hub and Stage 1 HPT Air Seal at Location 1550
Refer to Figure.
Calculate the interference at Location 1551. If required use the data written as a note in TASK 72-45-11-200-001-D00 (INSPECTION-001) and TASK 72-45-12-200-001-D00 (INSPECTION-001).
Table 11. Fits and Clearances (all dimensions are in inches) NEW PART
DIMENSIONS
WORN PART
DIMENSIONS
WORN PARTS
REJECT IF
PART IDENT
Size
Clearance
(Non-select)
MORE THAN
LOCATION 1551
Stage 1 Turbine Hub HPT Stage 1 Hub (72-45-11,01-011), Lug Axial Location
Stage 1 HPT Air Seal ENGINE-STAGE 1 HPT AIR SEAL (OUTER) (72-45-12,01-040), Lug Axial Location
Hub Lug Axial Location
0.500
0.496
Intf
0.018
Intf
0.016
Air Seal Lug Axial Location
0.528
0.518
0.032
Intf
0.032
Intf
Table 12. Fits and Clearances (all dimensions are in millimeters) NEW PART
DIMENSIONS
WORN PART
DIMENSIONS
WORN PARTS
REJECT IF
PART IDENT
Size
Clearance
(Non-select)
MORE THAN
Location 1551
Stage 1 Turbine Hub HPT Stage 1 Hub
(72-45-11, 01-011) Lug Axial Location
Stage 1 HPT Air Seal ENGINE-STAGE 1 HPT AIR SEAL (OUTER) (72-45-12, 01-040), Lug Axial Location
Hub Lug Axial Location
12.700
12.599
Intf
0.460
Intf
0.406
Air Seal Lug Axial Location
13.410
13.160
0.810
Intf
0.810
Intf
SUBTASK 72-45-10-220-068 Reference Fits and Clearances of the Stage 1 Turbine Hub and Stage 1 HPT Air Seal at Location 1551
Reference clearance/interference at Location 1552. If required use the data written as a note in TASK 72-45-11-200-001-D00 (INSPECTION-001), TASK 72-45-14-200-001-C00 (INSPECTION-001) and TASK 72-45-15-200-001 (INSPECTION-001).
Table 13. Fits and Clearances (all dimensions are in inches) NEW PART
DIMENSIONS
WORN PART
DIMENSIONS
WORN PARTS
REJECT IF
PART IDENT
Size
Clearance
(Select)
MORE THAN
LOCATION 1552
Stage 1 HPT Air Seal (Rear) ENGINE-STAGE 1 AIR SEAL (REAR) (72-45-15,01-020), Dimension A
Stage 1 HPT Blade HPT Stage 1 Blade And Related Parts (72-45-14, 01-010), Dimension B
Stage 1 Turbine Hub HPT Stage 1 Hub (72-45-11,01-011), Dimension C
Seal Dimension A
0.276
0.276
0.274
0.272
Blade Dimension B
0.890
0.890
0.882
Intf
0.882
Intf
Hub Dimension C
1.162
0.004
1.162
0.006
1.160
0.004
1.160*
0.004
Clear
Clear
NOTE
*Acceptable if the hub dimension is less than 1.160 in. and up to 1.159 in., and the final assembly fit 1552 is in limits and the dimensions in TASK 72-45-12-200-001-D00 Location 3 are from 0.0115 in. to 0.0155 in.Table 14. Fits and Clearances (all dimensions are in millimeters) NEW PART
DIMENSIONS
WORN PART
DIMENSIONS
WORN PARTS
REJECT IF
PART IDENT
Size
Clearance
(Select)
MORE THAN
LOCATION 1552
Stage 1 HPT Air Seal (Rear) ENGINE-STAGE 1 AIR SEAL (REAR) (72-45-15,01-020), Dimension A
Stage 1 HPT Blade HPT Stage 1 Blade And Related Parts (72-45-14,01-010), Dimension B
Stage 1 Turbine Hub HPT Stage 1 Hub (72-45-11,01-011), Dimension C
Seal Dimension A
7.010
7.010
6.960
6.909
Blade Dimension B
22.606
22.606
22.403
Intf
22.403
Intf
Hub Dimension C
29.514
0.102
29.514
0.152
29.464
0.102
29.464*
0.102
Clear
Clear
NOTE
*Acceptable if the hub dimensions is less than 29.464 mm and up to 29.438 mm and the final assembly fit 1552 is in limits and the dimensions in TASK 72-45-12-200-001-D00 Location 3 are from 0.2921 mm to 0.3937 mm.
SUBTASK 72-45-10-220-069 Reference Fits and Clearances of the Stage 1 HPT Air Seal, Stage 1 HPT Blade and Stage 1 Turbine Hub at Location 1552
Measure and make a record of the Stage 1 HPT blade HPT Stage 1 Blade And Related Parts (72-45-14, 01-010) Dimension B.
Measure and make a record of the Stage 1 turbine hub HPT Stage 1 Hub (72-45-11,01-011) Dimension C.
Make a record of the results. This is the fit you must have at Location 1552 when you install the Stage 2 HPT air seal in TASK 72-45-00-430-001-C00 (ASSEMBLY-003).
Calculate the results as follows:
SUBTASK 72-45-10-440-090 Measure and Calculate the Stage 1 HPT Air Seal (rear), Stage 1 HPT Blade and Stage 1 Turbine Hub Dimensions at Location 1552
Install the new Stage 1 metering plugs. Refer to Repair, VRS3814 TASK 72-45-11-300-022 (Repair-022) for the required metering plug installation procedures.
Make sure the metering plug tangs touch the outer side of the hub hole.
Inspect the installed metering plugs.
Install the new Stage 1 metering plugs into inner side of Stage 1 turbine hub holes.
SUBTASK 72-45-10-440-091 Install the Stage 1 HPT Hub Metering Plugs (72-45-11, 01-040) (Pre SBE 72-0511)

CAUTION
FAILURE TO CORRECTLY INSTALL STAGE 1 HPT METERING PLUGS CAN RESULT IN DAMAGE TO THE ENGINE.NOTE
Engines with SB 72-0511 do not have metering plugs in the Stage 1 HP turbine hubs.Remove the shaft from the block, Figure.
Attach the bar to the block with the quick release pin, Figure.
Install the IAE IAE 1P16014 Fixture 1 off to the turbine front hub.
SUBTASK 72-45-10-440-092 Install the Fixture to the Turbine Hub (72-45-10, 01-010)
Refer to Figure.
Lower the turbine hub in to the IAE 1P16220 Heater 1 off.
Connect the IAE 6F10027 Heater control unit 1 off to the heater.
Remove the IAE 1P16014 Fixture 1 off from the turbine hub.
SUBTASK 72-45-10-440-093 Install the Turbine Hub on to the Heater
Refer to Figure.
Put the ring slotted end up, on a bench with a hoist and IAE 1F10052 Two cables sling 1 off.
Install the stage 1 HPT airseal (outer) in the IAE 1P16008 Fixture 1 off or IAE 1P17750 Fixture 1 off.
SUBTASK 72-45-10-440-094 Install the Stage 1 HPT Airseal (Outer) (72-45-12, 01-040) in the Fixture
Install a new stage 1 and 2 HPT seal ENGINE-STAGE 1 HPT AIR SEAL (OUTER) (72-45-12, 01-010) in to the groove in the flange face of the stage 1 HPT seal and do a check of the end gap, Figure.
Install the damper ENGINE-STAGE 1 HPT AIR SEAL (OUTER) (72-45-12, 01-020) in to the groove in the inner diameter of the stage 1 HPT airseal, Figure.
NOTE
The rotor parts may be heated to 300 deg F (149 deg C) to permit assembly. Minimum difference in temperature between the parts must be 200 deg F (97 deg C).Use the balance marks to put the parts in position, Figure.
Put the stage 1 HPT airseal in position to a vector stack with respect to the turbine hub.
Install the two stage 1 HPT blades HPT Stage 1 Blade And Related Parts (72-45-14, 01-010), with one of the blades in each of the blade slots adjacent to the antirotation tabs.
Make sure the position of the antirotation tabs is correct.
SUBTASK 72-45-10-440-095 Install the Stage 1 HPT Airseal (Outer) on to the Turbine Hub
Refer to Figure.
Install a stage 1 HPT damper HPT Stage 1 Rotating Inner Air Seal And Damper (72-45-13, 01-010) in the stage 1 HPT airseal.
Install the IAE 1P16029 Drift 1 off on the stage 1 HPT airseal.
Put the stage 1 HPT airseal so that the balance mark is in the correct position to complete the vector stack with the turbine front hub and the other stage 1 HPT airseal Figure.
SUBTASK 72-45-10-440-096 Install the Stage 1 HPT Airseal (Inner) (72-45-13, 01-020)
Refer to Figure.
Install the IAE 1P16014 Fixture 1 off to the turbine front hub. Refer to Step.
Lower the assembly in to the IAE 1P16140 Support base 1 off.
SUBTASK 72-45-10-440-097 Install the Turbine Hub in to the Support Base
Refer to Figure.
Install the IAE 1P17024 Lift fixture 1 off in the bore of the turbine hub.
SUBTASK 72-45-10-440-098 Install the Lifting Eye on the Turbine Front Hub
Refer to Figure.
Lift the assembly with the hoist and lower it on to the IAE 1P16061 Support ring 1 off.
SUBTASK 72-45-10-440-099 Install the Turbine Hub in to the Support Ring
Refer to Figure.
Install and attach the IAE IAE 1P16015 Adapter 1 off to the lever arm on the moment weighing equipment.
Mark the moment weight on the concave side of the blade airfoil. Use CoMat 06-153 FELT TIP MARKER, RAPID DRYING, CoMat 06-153X FELT TIP MARKER, RAPID DRYING, FINE POINT, BLACK, TRACE ELEMENT CERTIFIED or CoMat 06-158 MARKER, EXTRA FINE POINT(BLACK). Refer to SPM TASK 70-09-01-400-501.
SUBTASK 72-45-10-440-700 Moment Weigh the Stage 1 HPT Blades (72-45-14, 01-010)

CAUTION
YOU MUST BE VERY CAREFUL DURING THE INSPECTION OR HANDLING OF THE PARTS. INCORRECT HANDLING, SUCH AS TOUCHING THE BLADES WITH DIRTY HANDS, OR DROPPING THE BLADES ON THE GROUND, CAN CAUSE CHIPPING OF THE THERMAL BARRIER COATING AND DISCOLORATION OF THE BLADES.NOTE
If new or fully repaired Stage 1 HPT Duct Segments (BOAS) are to be installed, two thirds of Stage 1 HPT blades must have fully repaired tips. One third of the blades can have complete, partial, or no tip coating.Put the moment weighed stage 1 HPT blades HPT Stage 1 Blade And Related Parts (72-45-14, 01-010) in to 32 blade sets on a bench, Figure.
Install the stage 1 HPT seals HPT Stage 1 Blade And Related Parts (72-45-14,01-040) on the stage 1 HPT dampers HPT Stage 1 Blade And Related Parts (72-45-14, 01-020), Figure.
Wax the seal and damper in position with CoMat 01-573 WAX BLEND, PARAFFIN. Remove the wax that is not necessary.

CAUTION
FAILURE TO REPLACE AN ADEQUATE NUMBER OF BLADE TIPS MAY REDUCE ENGINE PERFORMANCE AND/OR REDUCE BLADE AND OUTER AIRSEAL REPAIRABILITY. IT IS RECOMMENDED TO MINIMIZE THE NUMBER OF CAT C BLADES INSTALLED.NOTE
Up to 21 of the blades installed may be Cat C blades, which possess a limited cutting ability. Cat C blades have been fully repaired, except that the tip has not been fully restored. At component repair, these blades are ink marked on the airfoil Cat C.Install the assembled seal and damper in the right side of the blade pocket.
Install the seal and damper in the No. 2 blade in row one by the steps that follow:
SUBTASK 72-45-10-440-101 Put the Stage 1 HPT Blades in to the Blade Slots in the Turbine Front Hub (Pre SBE 72-0242)
Put the moment weighed stage 1 HPT blades HPT Stage 1 Blade And Related Parts (72-45-14, 01-010) in to 32 blade sets on a bench, Figure.
The damper must be parallel with the blade platform and installed as shown in Figure.
Wax the seal and damper in position with CoMat 01-573 WAX BLEND, PARAFFIN. Remove the wax that is not necessary.

CAUTION
FAILURE TO REPLACE AN ADEQUATE NUMBER OF BLADE TIPS MAY REDUCE ENGINE PERFORMANCE AND/OR REDUCE BLADE AND OUTER AIRSEAL REPAIRABILITY. IT IS RECOMMENDED TO MINIMIZE THE NUMBER OF CAT C BLADES INSTALLED.NOTE
Up to 21 of the blades installed may be Cat C blades, which possess a limited cutting ability. Cat C blades have been fully repaired, except that the tip has not been fully restored. At component repair, these blades are ink marked on the airfoil Cat C.Install the damper in the right side of the blade pocket.
Install the damper in the No. 2 blade in row one by the steps that follow:
SUBTASK 72-45-10-440-111 Put the Stage 1 HPT Blades in to the Blade Slots in the Turbine Front Hub (SBE 72-0242)
Put one end of seal in the center of any blade bottom radius. Use CoMat 01-573 WAX BLEND, PARAFFIN, to hold the seal in position. Remove any wax that is not needed.
Do a check for the clearance between the two ends of the seal. See Figure.
If necessary, cut one end of the seal to keep the clearance of 0.030 in. (0.76 mm) minimum to 0.225 in. (5.71 mm) maximum between the two ends.
Install the Stage 1 and 2 turbine seal into the bottom radius on the stage 1 blades.
SUBTASK 72-45-10-440-112 Install the Stage 1 and 2 Turbine Seal (72-45-14, 01-060)
Refer to Figure.
Remove the nut at the top of the IAE 1P16006 Fixture 1 off with the spanner wrench.
SUBTASK 72-45-10-440-104 Install the Balance Fixture on a Vertical Balance Machine
Refer to Figure.
Install the IAE 1P16442 Calibration weight 1 off at the OD radius between the second knife edge and the third knife edge flange.
Do a check for balance machine calibration as follows:
SUBTASK 72-45-10-440-105 Install the Stage 1 Turbine Rotor Assembly in to the Fixture
Correct unbalance to within 3 oz in (2160 gm mm) by moving stage 1 HPT blades (Figure) and/or stage 1 turbine air seals ENGINE-STAGE 1 AIR SEAL (REAR) (72-45-15, 01-020), Figure and Figure.
Make a mark for amount and location of unbalance with CoMat 06-153 FELT TIP MARKER, RAPID DRYING, CoMat 06-153X FELT TIP MARKER, RAPID DRYING, FINE POINT, BLACK, TRACE ELEMENT CERTIFIED or CoMat 06-158 MARKER, EXTRA FINE POINT(BLACK). Refer to SPM TASK 70-09-00-400-501 and Figure.
SUBTASK 72-45-10-440-106 Balance the Stage 1 Turbine Rotor Assembly
Remove the nut with the spanner wrench, Figure.
Attach a hoist to the IAE 1P17024 Lift fixture 1 off.
Install the IAE 1P17024 Lift fixture 1 off, Figure.
SUBTASK 72-45-10-440-107 Prepare and Remove the Stage 1 Turbine Rotor Assembly from the Balance Fixture
Refer to Figure.
Lower the stage 1 turbine rotor assembly into the IAE 1P16140 Support base 1 off.
SUBTASK 72-45-10-440-108 Put the Stage 1 Turbine Rotor Assembly in to the Support Base
Refer to Figure.
Wax the seals in position with CoMat 01-573 WAX BLEND, PARAFFIN. Remove the wax that is not necessary.
Install the stage 1 turbine seals between the outer diameter of the turbine hub fir trees and the stage 1 turbine air seals. The concave side of the seal must be pointed towards the turbine hub.
SUBTASK 72-45-10-440-109 Install the Stage 1 Turbine Seals (72-45-15, 01-040)
Refer to Figure.
Install the IAE 1P17030 Blade retainer 1 off on the rear side of the turbine rotor assembly.
SUBTASK 72-45-10-440-110 Install the Blade Retainer on the Stage 1 Turbine Rotor Assembly
Figure: Pre SBE 72-0180: Stage 1 Turbine Rotor Assembly - Fits and Clearances
Pre SBE 72-0180: Stage 1 Turbine Rotor Assembly - Fits and Clearances

Figure: SBE 72-0180, Pre SBE 72-0240: Stage 1 Turbine Rotor Assembly - Fits and Clearances
SBE 72-0180, Pre SBE 72-0240: Stage 1 Turbine Rotor Assembly - Fits and Clearances

Figure: SBE 72-0240: Stage 1 Turbine Rotor Assembly - Fits and Clearances
SBE 72-0240: Stage 1 Turbine Rotor Assembly - Fits and Clearances

Figure: Stage 1 Turbine Rotor Assembly - Fits and Clearances
Stage 1 Turbine Rotor Assembly - Fits and Clearances

Figure: Install the IAE 1P16014 Fixture
Install the IAE 1P16014 Fixture

Figure: Install the Bar to the Block
Install the Bar to the Block

Figure: Install the Stage 1 HPT Airseal (Outer)
Install the Stage 1 HPT Airseal (Outer)

Figure: Check the Seal Gap
Check the Seal Gap

Figure: Location of the Balance Marks
Location of the Balance Marks

Figure: Install the Stage 1 HPT Airseal (Inner)
Install the Stage 1 HPT Airseal (Inner)

Figure: Install the IAE 1P17024 Lifting Eye
Install the IAE 1P17024 Lifting Eye

Figure: Install the Stage 1 Turbine Rotor Assembly in the IAE 1P16061 Support Ring
Install the Stage 1 Turbine Rotor Assembly in the IAE 1P16061 Support Ring

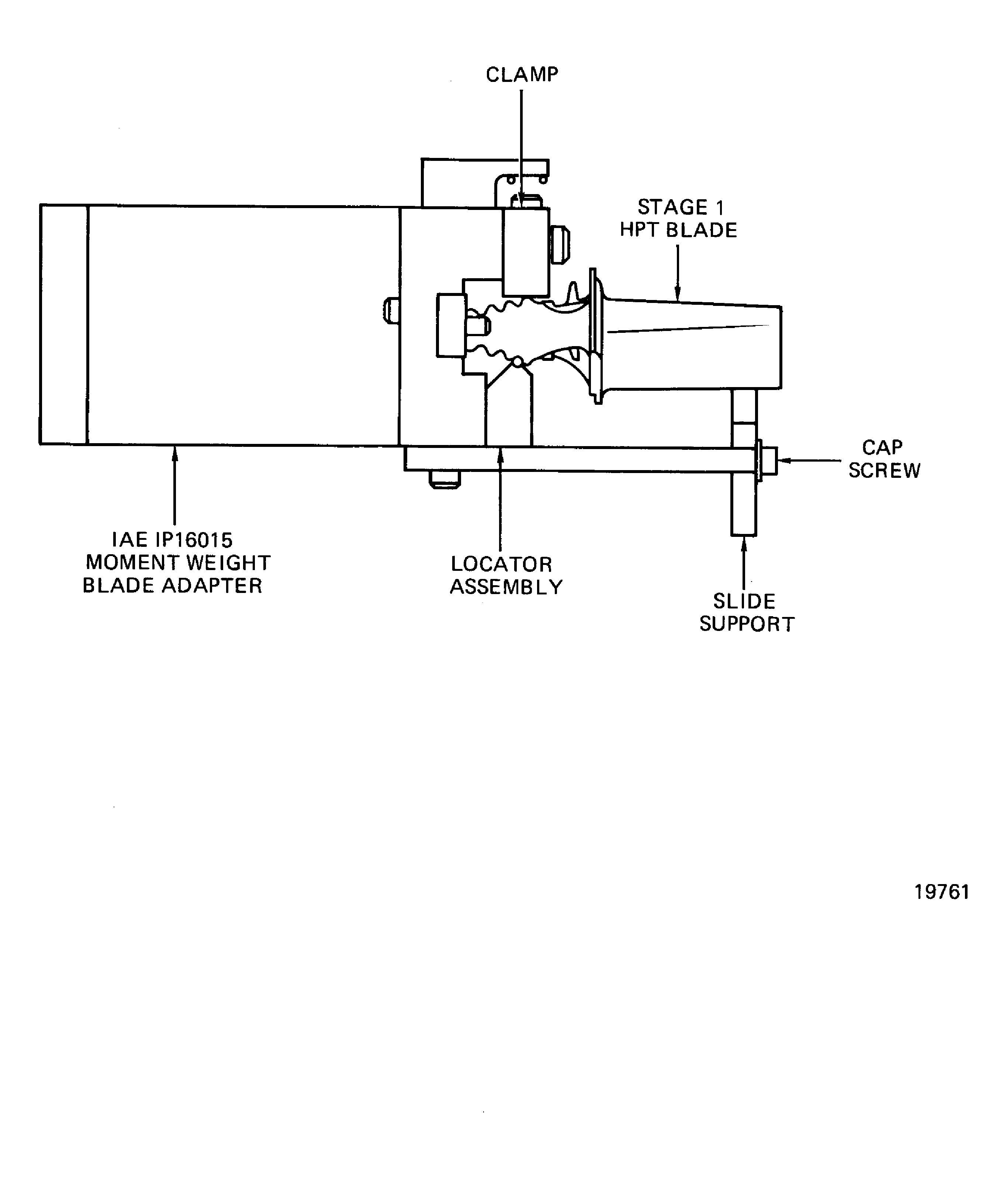
Figure: Stage 1 IAE 1P16015 Mount Weight Blade Adapter
Stage 1 IAE 1P16015 Mount Weight Blade Adapter

Figure: Pre SBE 72-0242 Install the Stage 1 HPT Dampers, Seals and Counterweights
Sheet 1

Figure: SBE 72-0242 Install the Stage 1 HPT Dampers, Seals and Counterweights
SBE 72-0242 Install the Stage 1 HPT Dampers, Seals and Counterweights

Figure: Check the Seal Clearance
Check the Seal Clearance

Figure: Install the Stage 1 Turbine Rotor Assembly in the IAE 1P16006 Fixture
Install the Stage 1 Turbine Rotor Assembly in the IAE 1P16006 Fixture

Figure: Mark the Stage 1 Turbine Rotor Assembly
Mark the Stage 1 Turbine Rotor Assembly

Figure: Install the Stage 1 Turbine Rotor Assembly in the IAE 1P16140 Support Base
Install the Stage 1 Turbine Rotor Assembly in the IAE 1P16140 Support Base

Figure: Install the IAE 1P17030 Blade Retainer on the Stage 1 Turbine Rotor Assembly
Install the IAE 1P17030 Blade Retainer on the Stage 1 Turbine Rotor Assembly

